- 易迪拓培训,专注于微波、射频、天线设计工程师的培养
DS18B20协议解码
录入:edatop.com 点击:
DS18B20作为一种数字温度传感器,其接口所遵循的数字传输协议即所谓的DS18B20协议,它是一种单总线协议,抗干扰能力强,精度高,适合恶劣环境的现场温度测量。ZDS2022示波器毫无疑问地将其加入了免费开放的21种协议触发与解码行列!
如何进行DS18B20协议解码操作呢?按下【Decode】键,将解码类型设为DS18B20,开启协议触发,在示波器前面板上的触发控制区内按下【Auto/Normal】键,将触发方式设为普通触发,按下协议参数软键,可对该协议的总线设置和触发模式进行相关设置,信源选择通道1,ZDS2022示波器的DS18B20协议支持4种温度分辨率,可以选择12位、11位、10位和9位,我们选择12位,触发模式可分为开始段触发与指令触发,先选择开始段触发,指令触发在下期视频我们会详细演示操作。

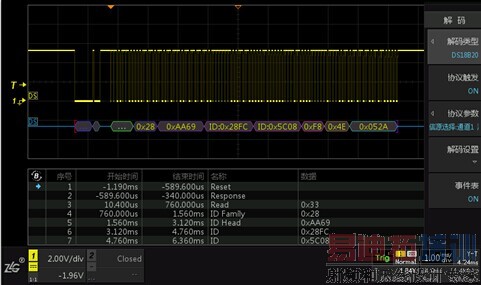
图1 DS18B20协议解码
返回到主界面,可看到DS18B20协议已稳定触发在开始段。示波器屏幕上只有在显示一个完整的数据帧时才能对协议有效解码,或是在全存储深度下可以检测到完整的数据帧。
打开事件表,旋转旋钮B可以对所有解码事件进行查看,在停止状态下,还可以对协议解码结果进行事件导出,非常方便!
上一篇:突发宽度测量
下一篇:如何测量两路信号之间的时间差


