- 易迪拓培训,专注于微波、射频、天线设计工程师的培养
IDT 90E36三相电能表设计方案
录入:edatop.com 点击:
IDT公司的IDT90E32/36三相电能计量芯片,集成了7个单独的2阶sigma-delta ADC,可实现三相四线系统中的三个电压通路(A,B和C相)和四个电流通路(A,B,C相和中线),和标准IEC62052-11, IEC62053-22 and IEC62053-23, ANSI C12.1与ANSI C12.20兼容,动态范围6000:1时的有功功率精度±0.1%,无功功率精度±0.2%,片内的基准电压温度系数6 ppm/ ℃,主要用于0.5S 级或1级三相四线(Y0)和三相三线(Y或Δ)电表,数据采集终端,电源监视仪表等.本文介绍了90E36主要特性,方框图以及三相四线电流互感器(CT)电表电路图和材料清单, 三相四线Rogowski线圈电表电路图和材料清单, 三相三线电表电路图和材料清单.
The 90E36 is a poly-phase high performance wide-dynamic range metering IC. The 90E36 incorporates 7 independent 2nd order sigma-delta ADCs, which could be employed in three voltage channels (phase A, B and C) and four current channels (phase A, B, C and neutral line) in a typical three-phase four-wire system.
The 90E36 has an embedded DSP which executes calculation of active energy, reactive energy, apparent energy, fundamental and harmonic active energy over ADC signal and on-chip reference voltage.
The DSP also calculates measurement parameters such as voltage and current RMS value as well as mean active/reactive/apparent power.
A four-wire SPI interface is provided between the 90E36 and the external microcontroller. In addition, DMA mode can be used for 7-channel ADC raw data access, offering more flexibility in system application.
The 90E36 is suitable for poly-phase multi-function meters which could measure active/reactive/apparent energy and fundamental/harmonic energy either through four independent energy pulse outputs CF1/CF2/CF3/CF4 or through the corresponding registers.
With the on-chip THD and DFT engine, all phases’ THD and DFT results can be directly accessed through related registers, thus simplifying hardware design in Data Acquisition Terminals.
IDT’s proprietary ADC and auto-temperature compensation technology for reference voltage ensure the 90E36’s long-term stability over variations in grid and ambient environment conditions.
90E36主要特性:
Metering Features
• Metering features fully in compliance with the requirements of IEC62052-11, IEC62053-22 and IEC62053-23, ANSI C12.1 and ANSI C12.20; applicable in class 0.5S or class 1 poly-phase watt-hour meter or class 2 poly-phase var-hour meter.
• Accuracy of ±0.1% for active energy and ±0.2% for reactive energy over the dynamic range of 6000:1.
• Temperature coefficient is 6 ppm/ ℃ (typical) for on-chip reference voltage.
• Single-point calibration on each phase over the whole dynamic ange for active energy; no calibration needed for reactive/ apparent energy.
• ±1 ℃ (typical) temperature sensor accuracy.
• Electrical parameters measurement: less than ±0.5% fiducial error for Vrms, Irms, mean active/ reactive/ apparent power, frequency, power factor and phase angle.
• Active (forward/reverse), reactive (forward/reverse), apparent energy with independent energy registers. Active/ reactive/ apparent energy can be output by pulse or read through energy registers to adapt to different applications.
• Programmable startup and no-load power threshold, special designed of startup and no-load circuits to eliminate crosstalk among phases achieving better accuracy especially at low power conditions.
• Dedicated ADC and different gains for phase A/B/C and Neutral line current sampling circuits. Current sampled over current transformer (CT) or Rogowski coil (di/dt coil); phase A/B/C voltage sampled over resistor divider network or potential transformer (PT).
• Programmable power modes: Normal mode (N mode), Idle mode (I mode), Detection mode (D mode) and Partial Measurement mode (M mode).
• Fundamental (CF3, 0.2%) and harmonic (CF4, 1%) active energy with dedicated energy and power registers.
• Total Harmonic Distortion (THD) and Discrete Fourier Transform (DFT) functions for 2 ~ 32 order harmonic component. THD and DFT results available in SPI accessible registers. Both voltage and current of all phases processed within the same time period.
• Event detection: sag, phase loss, reverse voltage/ current phase sequence, reverse flow, calculated neutral line current INC overcurrent sampled neutral line current INS overcurrent and THD+N over-threshold.
Other Features
• 3.3V single power supply. Operating voltage range: 2.8V~3.6V. Metering accuracy guaranteed within 3.0V~3.6V.
• Four-wire SPI interface with Direct Memory Access (DMA) mode to stream out 7-channel ADC raw data.
• Parameter diagnosis function and programmable interrupt output of the IRQ interrupt signals and the WarnOut signal.
• Programmable voltage sag detection and zero-crossing output.
• CF1/CF2/CF3/CF4 output active/ reactive/ apparent energy pulses and fundamental/ harmonic energy pulses respectively.
• Crystal oscillator frequency: 16.384 MHz. On-chip two capacitors and no need of external capacitors.
• TQFP48 package.
• Operating temperature: -40 ℃ ~ +85 ℃ .
90E36应用:
• Poly-phase energy meters of class 0.5S and class 1 which are used in three-phase four-wire (3P4W, Y0) or three-phase threewire (3P3W, Y or Δ) systems.
• Data Acquisition Terminal.
• Power monitoring instruments which need to measure voltage, current, THD, DFT, mean power, etc.

图1.90E36方框图
本文档介绍了采用IDT90E32/36 三相电能计量芯片设计三相电能表的应用。
90E32/36 可用于0.5S 级或1 级三相有功电能表和无功电能表的设计,并可支持三相四线(3P4W) 或三相三线(3P3W)的接线方式,90E36 还可用于谐波表的设计。
芯片采用3.3V 单一电源供电。在典型的3P4W 设计中,需要三个独立的变压器进行供电。交流电源经整流和稳压后输出3.3V 到芯片数字电源DVDD,芯片模拟电源AVDD 应直接与DVDD 连接。
芯片内部具有上电复位电路,外部RESET 引脚可以接一个10kΩ 电阻到DVDD 和一个0.1μF 电容到GND。芯片具有高稳定性的片上基准电源,Vref 引脚需要外接10μF 和0.1μF 两个电容。
芯片采用16.384MHz 频率做为系统工作频率,芯片内建了晶体振荡电路和10pF 的匹配电容,应用时只需要在OSCI 和 OSCO 引脚接一个16.384MHz 晶体。
90E32 芯片提供三路电压(V1、V2、V3) 和三路电流(I1、I2、I3)的A/D采样,90E36还额外多提供一路电流采样(I4)。
电流采样中的I1 和I3 可以通过设置进行互换,以适应不同的PCB 设计。
芯片提供了一个四线的SPI 接口(CS,SCLK,SDI,SDO)与外部MCU 连接,MCU 可通过SPI 接口对芯片进行配置和读写寄存器。90E36 还可支持Master 模式的SPI,即DMA 模式。
在DMA 模式下,芯片会以高达1800kbps 的速率将A/D 的原始采样数据通过Master SPI 输出给外部微处理器进行处理。芯片提供了四个电能脉冲输出引脚:有功电能脉冲CF1、无功电能脉冲CF2( 也可配置成全波视在电能脉冲输出)、基波有功电能脉冲CF3、谐波有功电能脉冲CF4,可用于芯片电能计量的校准,同时也可以将脉冲信号连接到MCU 进行电能累计。
芯片提供了三个过零信号输出引脚ZX0、ZX1、ZX2,可设置不同的电压或电流信号做为过零判断。
芯片提供了IRQ0、IRQ1、WarnOut 输出引脚,分别输出不同等级的中断和报警信号。
三相四线(3P4W) 应用:

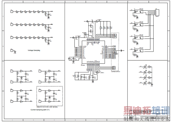
图2.90E36三相四线电流互感器(CT)电表电路图
三相四线电流互感器(CT)电表材料清单:


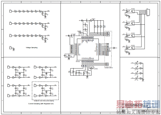
图3.90E36三相四线Rogowski线圈电表电路图
三相四线Rogowski线圈电表材料清单:


图4.90E36三相三线电表电路图
三相三线电表材料清单(BOM):

详情请见:
IDT_90E36_DST_20111209.pdf(999.36 KB, 下载次数: 15)
和
IDT_90E3xAN644Chn_APN_20111216_Zh.pdf(784.49 KB, 下载次数: 20)
来源:网络
The 90E36 is a poly-phase high performance wide-dynamic range metering IC. The 90E36 incorporates 7 independent 2nd order sigma-delta ADCs, which could be employed in three voltage channels (phase A, B and C) and four current channels (phase A, B, C and neutral line) in a typical three-phase four-wire system.
The 90E36 has an embedded DSP which executes calculation of active energy, reactive energy, apparent energy, fundamental and harmonic active energy over ADC signal and on-chip reference voltage.
The DSP also calculates measurement parameters such as voltage and current RMS value as well as mean active/reactive/apparent power.
A four-wire SPI interface is provided between the 90E36 and the external microcontroller. In addition, DMA mode can be used for 7-channel ADC raw data access, offering more flexibility in system application.
The 90E36 is suitable for poly-phase multi-function meters which could measure active/reactive/apparent energy and fundamental/harmonic energy either through four independent energy pulse outputs CF1/CF2/CF3/CF4 or through the corresponding registers.
With the on-chip THD and DFT engine, all phases’ THD and DFT results can be directly accessed through related registers, thus simplifying hardware design in Data Acquisition Terminals.
IDT’s proprietary ADC and auto-temperature compensation technology for reference voltage ensure the 90E36’s long-term stability over variations in grid and ambient environment conditions.
90E36主要特性:
Metering Features
• Metering features fully in compliance with the requirements of IEC62052-11, IEC62053-22 and IEC62053-23, ANSI C12.1 and ANSI C12.20; applicable in class 0.5S or class 1 poly-phase watt-hour meter or class 2 poly-phase var-hour meter.
• Accuracy of ±0.1% for active energy and ±0.2% for reactive energy over the dynamic range of 6000:1.
• Temperature coefficient is 6 ppm/ ℃ (typical) for on-chip reference voltage.
• Single-point calibration on each phase over the whole dynamic ange for active energy; no calibration needed for reactive/ apparent energy.
• ±1 ℃ (typical) temperature sensor accuracy.
• Electrical parameters measurement: less than ±0.5% fiducial error for Vrms, Irms, mean active/ reactive/ apparent power, frequency, power factor and phase angle.
• Active (forward/reverse), reactive (forward/reverse), apparent energy with independent energy registers. Active/ reactive/ apparent energy can be output by pulse or read through energy registers to adapt to different applications.
• Programmable startup and no-load power threshold, special designed of startup and no-load circuits to eliminate crosstalk among phases achieving better accuracy especially at low power conditions.
• Dedicated ADC and different gains for phase A/B/C and Neutral line current sampling circuits. Current sampled over current transformer (CT) or Rogowski coil (di/dt coil); phase A/B/C voltage sampled over resistor divider network or potential transformer (PT).
• Programmable power modes: Normal mode (N mode), Idle mode (I mode), Detection mode (D mode) and Partial Measurement mode (M mode).
• Fundamental (CF3, 0.2%) and harmonic (CF4, 1%) active energy with dedicated energy and power registers.
• Total Harmonic Distortion (THD) and Discrete Fourier Transform (DFT) functions for 2 ~ 32 order harmonic component. THD and DFT results available in SPI accessible registers. Both voltage and current of all phases processed within the same time period.
• Event detection: sag, phase loss, reverse voltage/ current phase sequence, reverse flow, calculated neutral line current INC overcurrent sampled neutral line current INS overcurrent and THD+N over-threshold.
Other Features
• 3.3V single power supply. Operating voltage range: 2.8V~3.6V. Metering accuracy guaranteed within 3.0V~3.6V.
• Four-wire SPI interface with Direct Memory Access (DMA) mode to stream out 7-channel ADC raw data.
• Parameter diagnosis function and programmable interrupt output of the IRQ interrupt signals and the WarnOut signal.
• Programmable voltage sag detection and zero-crossing output.
• CF1/CF2/CF3/CF4 output active/ reactive/ apparent energy pulses and fundamental/ harmonic energy pulses respectively.
• Crystal oscillator frequency: 16.384 MHz. On-chip two capacitors and no need of external capacitors.
• TQFP48 package.
• Operating temperature: -40 ℃ ~ +85 ℃ .
90E36应用:
• Poly-phase energy meters of class 0.5S and class 1 which are used in three-phase four-wire (3P4W, Y0) or three-phase threewire (3P3W, Y or Δ) systems.
• Data Acquisition Terminal.
• Power monitoring instruments which need to measure voltage, current, THD, DFT, mean power, etc.

图1.90E36方框图
本文档介绍了采用IDT90E32/36 三相电能计量芯片设计三相电能表的应用。
90E32/36 可用于0.5S 级或1 级三相有功电能表和无功电能表的设计,并可支持三相四线(3P4W) 或三相三线(3P3W)的接线方式,90E36 还可用于谐波表的设计。
芯片采用3.3V 单一电源供电。在典型的3P4W 设计中,需要三个独立的变压器进行供电。交流电源经整流和稳压后输出3.3V 到芯片数字电源DVDD,芯片模拟电源AVDD 应直接与DVDD 连接。
芯片内部具有上电复位电路,外部RESET 引脚可以接一个10kΩ 电阻到DVDD 和一个0.1μF 电容到GND。芯片具有高稳定性的片上基准电源,Vref 引脚需要外接10μF 和0.1μF 两个电容。
芯片采用16.384MHz 频率做为系统工作频率,芯片内建了晶体振荡电路和10pF 的匹配电容,应用时只需要在OSCI 和 OSCO 引脚接一个16.384MHz 晶体。
90E32 芯片提供三路电压(V1、V2、V3) 和三路电流(I1、I2、I3)的A/D采样,90E36还额外多提供一路电流采样(I4)。
电流采样中的I1 和I3 可以通过设置进行互换,以适应不同的PCB 设计。
芯片提供了一个四线的SPI 接口(CS,SCLK,SDI,SDO)与外部MCU 连接,MCU 可通过SPI 接口对芯片进行配置和读写寄存器。90E36 还可支持Master 模式的SPI,即DMA 模式。
在DMA 模式下,芯片会以高达1800kbps 的速率将A/D 的原始采样数据通过Master SPI 输出给外部微处理器进行处理。芯片提供了四个电能脉冲输出引脚:有功电能脉冲CF1、无功电能脉冲CF2( 也可配置成全波视在电能脉冲输出)、基波有功电能脉冲CF3、谐波有功电能脉冲CF4,可用于芯片电能计量的校准,同时也可以将脉冲信号连接到MCU 进行电能累计。
芯片提供了三个过零信号输出引脚ZX0、ZX1、ZX2,可设置不同的电压或电流信号做为过零判断。
芯片提供了IRQ0、IRQ1、WarnOut 输出引脚,分别输出不同等级的中断和报警信号。
三相四线(3P4W) 应用:

图2.90E36三相四线电流互感器(CT)电表电路图
三相四线电流互感器(CT)电表材料清单:


图3.90E36三相四线Rogowski线圈电表电路图
三相四线Rogowski线圈电表材料清单:


图4.90E36三相三线电表电路图
三相三线电表材料清单(BOM):

详情请见:
IDT_90E36_DST_20111209.pdf(999.36 KB, 下载次数: 15)
和
IDT_90E3xAN644Chn_APN_20111216_Zh.pdf(784.49 KB, 下载次数: 20)
来源:网络
上一篇:安规测试基础问题大全【新手必看】
下一篇:光电池——留给万代子孙的“巧克力”


