- 易迪拓培训,专注于微波、射频、天线设计工程师的培养
Freescale i.MX28和MC13224V家庭能量网关(HEG)参考设计
录入:edatop.com 点击:
Freescale公司的家庭能量网关(HEG)参考设计平台采用i.MX28 ARM9™处理器和ZigBee® MC13224V平台,可用作智能电网和家庭能量消费间接口,允许智能家庭的每个点连接起来,并从中心进行控制如能量配置,预定控制管理(HVAC)和能量生产检查(太阳能电池板,风能).本文介绍了家庭能量网关(HEG)主要优势和特性, HEG参考设计框图,以及采用Linux和WinCE7的嵌入框图,电路图和材料清单.
i.MX28/MC13224V - Home Energy Gateway Reference Platform
i.MX28 ARM9™ processor and ZigBee® MC13224V Platform in Package solution Current energy transmission methods create a demand for a more intelligent interface between the utility-controlled smart grid and the consumer. The Freescale home energy gateway (HEG) reference platform meets that challenge. Acting as the interface between the smart grid and energy-consuming in-house objects, the HEG allows every point of the smart home to be connected and controlled from a central location, enabling power efficiency and energy optimization.
家庭能量网关(HEG)优势:
• Provides value to the consumer by allowing power configuration, predefined control management (HVAC) and energy production checks (solar panels, wind turbines)
• Provides value to the utility provider by performing granular real-time demand control,delivering alerts (tariff, peak) and designing consumer profiles for accurate energy reduction automation
• Provides a friendly user interface to encourage user interaction and long-term use
• Provides a highly integrated and flexible platform to help shorten development time and reduce time to market
• Dedicated hardware support for AES128- based authenticated boot, signed/ authenticated firmware and dedicated hardware acceleration for AES, 3DES, SHA,MD5 encryption/decryption/hash algorithms and secure off-chip storage to address security, safety and privacy concerns
• Based on the low-power Freescale ARM926TM based i.MX28 system-on-chip (SoC) solution with power management unit, Ethernet, LCD controller and dual High-Speed USB with embedded PHY
• Part of the Freescale Product Longevity Program. Learn more at freescale.com/ProductLongevity
• Pre-validated connectivity with Wi-Fi®, ZigBee® and Ethernet
• Complete ecosystem of Linux® and Windows® Embedded Compact 7 OS available
• OSGi/ProSyst mBS Smart Home option providing a multi-services and multi-application execution environment with sophisticated remote management capabilities, such as software and firmware life cycle management, provisioning, remote configuration and remote monitoring
• Completely tested and validated in two different final application demos
• Hardware schematics, Gerber files, ZigBee certified stacks and software BSP are available
• HEG reference platform kit contains software support BSP optimization can be contracted with Adeneo Embedded Features
• 454 MHz ARM926EJ-S™ core based i.MX28 application processor w/32 KB cache
• 128 MB SLC NAND flash + 64 MB (or 128 MB) DDR2 DRAM (on board)
• Connectivity interfaces, including ZigBee SE 1.0 and HA profiles (based on Freescale ZigBee certified MC13224 PiP), Sub-GHz radio (based on Freescale 9S08QE32 8-bit MCU), Wi-Fi 802.11b/g, 10/100 Ethernet, RS-232, RS485, USB with on-chip PHY, SD/MMC card reader and UMI connector
• Optional Matrix LCD (flex connector) or 4"3 WVGA touch screen LCD (daughter card)
• RTC with coin battery (on board) backup
• AC-DC power supply (off board)
• Linux 2.6.31 and Windows Embedded Compact 7 OS

图1. 家庭能量网关(HEG)参考设计框图

图2. 家庭能量网关(HEG)Linux框图

图3. 家庭能量网关(HEG)WinCE7框图
The HEG board is designed to offer a highly integrated and flexible reference platform to jump start development time in the areas of demand response, smart management, and energy consumption monitoring.
The board support packages (BSPs), connectivity drivers, application demos and user interfaces are delivered through the Adeneo Embedded website under the form of source code or binaries, with HEG schematics and Gerber files.
The board is pre-flashed with either Linux® 2.6 (P/N Adeneo HEG-IMX28KIT-LNX) or Windows Embedded Compact 7 (P/N Adeneo HEG-IMX28KIT-WCE) OS images.
(HEG)参考设计平台主要特性:
The following features are available in the HEG reference platform:
• Application Processor: 454 MHz ARM926EJ™ i.MX283
• Memory: 128 MB SLC Nand Flash + 128 MB DDR2 SDRAM
• Dual certified ZigBee: Freescale MC13224V ZigBee SE 1.0 and HA with on-board antenna
• Sub GHz: Freescale 8-bit MCU 9S08QE128 + Semtech SX1231 transceiver with on-board antenna
• Wi-Fi 802.11b/g: Atheros AR6102 with on-board antenna
• One Ethernet port
• One RS-232 port for debug
• One RS-485 port
• One Full-Speed USB OTG and one Full-Speed USB host port
• One SD/MMC card reader multiplexed with one U-SNAP port
Optional: Matrix LCD (flex connector)
Optional: 4”3 WVGA LCD (daughter card)

图4. 家庭能量网关(HEG)板外形图
Freescale i.MX28 HEG board pre-flashed with either Windows Embedded Compact 7 or Linux 2.6 OS images

图5. 家庭能量网关(HEG)方框图

图6. 家庭能量网关(HEG)功率树框图

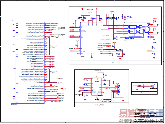
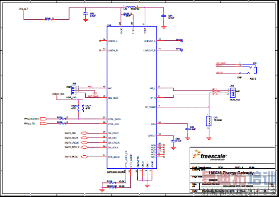
图7. 家庭能量网关(HEG)电路图(1)

图8. 家庭能量网关(HEG)电路图(2)

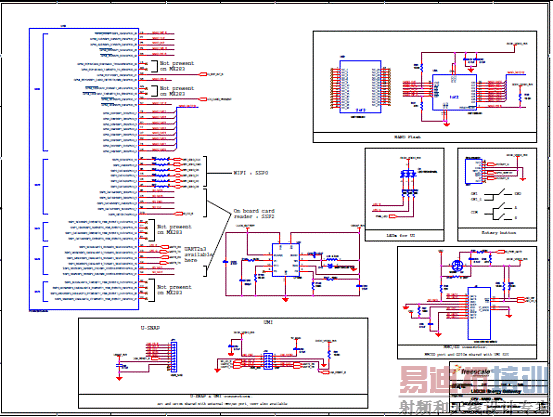
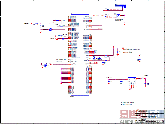
图9. 家庭能量网关(HEG)电路图(3)

图10. 家庭能量网关(HEG)电路图(4)

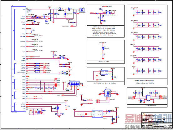
图11. 家庭能量网关(HEG)电路图(5)

图12. 家庭能量网关(HEG)电路图(6)

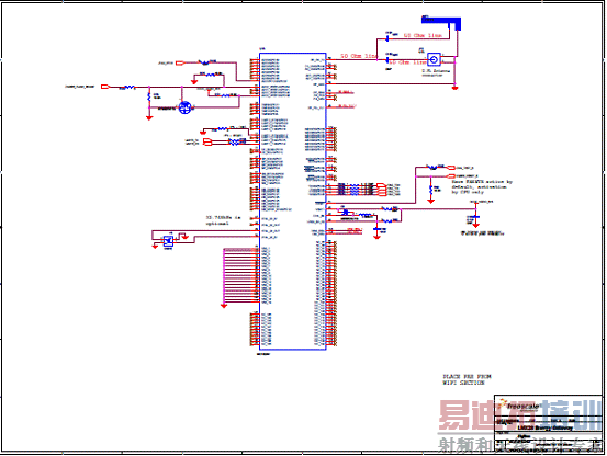
图13. 家庭能量网关(HEG)电路图(7)

图14. 家庭能量网关(HEG)电路图(8)

图15. 家庭能量网关(HEG)电路图(9)

图16. 家庭能量网关(HEG)电路图(10)

图17. 家庭能量网关(HEG)电路图(11)

图18. 家庭能量网关(HEG)电路图(12)

图19. 家庭能量网关(HEG)电路图(13)
HEG材料清单见:

HEG材料清单.rar(5.14 KB, 下载次数: 0)
详情请见:
http://cache.freescale.com/files/industrial/doc/brochure/BRSMRTENERGY.pdf fasp=1&WT_TYPE=Brochures&WT_VENDOR=FREESCALE&WT_FILE_FORMAT=pdf&WT_ASSET=Documentation
http://cache.freescale.com/files/industrial/doc/support_Info/IMX28HEGSCH.zip fpsp=1&WT_TYPE=Supporting
Information&WT_VENDOR=FREESCALE&WT_FILE_FORMAT=zip&WT_ASSET=Documentation
i.MX28/MC13224V - Home Energy Gateway Reference Platform
i.MX28 ARM9™ processor and ZigBee® MC13224V Platform in Package solution Current energy transmission methods create a demand for a more intelligent interface between the utility-controlled smart grid and the consumer. The Freescale home energy gateway (HEG) reference platform meets that challenge. Acting as the interface between the smart grid and energy-consuming in-house objects, the HEG allows every point of the smart home to be connected and controlled from a central location, enabling power efficiency and energy optimization.
家庭能量网关(HEG)优势:
• Provides value to the consumer by allowing power configuration, predefined control management (HVAC) and energy production checks (solar panels, wind turbines)
• Provides value to the utility provider by performing granular real-time demand control,delivering alerts (tariff, peak) and designing consumer profiles for accurate energy reduction automation
• Provides a friendly user interface to encourage user interaction and long-term use
• Provides a highly integrated and flexible platform to help shorten development time and reduce time to market
• Dedicated hardware support for AES128- based authenticated boot, signed/ authenticated firmware and dedicated hardware acceleration for AES, 3DES, SHA,MD5 encryption/decryption/hash algorithms and secure off-chip storage to address security, safety and privacy concerns
• Based on the low-power Freescale ARM926TM based i.MX28 system-on-chip (SoC) solution with power management unit, Ethernet, LCD controller and dual High-Speed USB with embedded PHY
• Part of the Freescale Product Longevity Program. Learn more at freescale.com/ProductLongevity
• Pre-validated connectivity with Wi-Fi®, ZigBee® and Ethernet
• Complete ecosystem of Linux® and Windows® Embedded Compact 7 OS available
• OSGi/ProSyst mBS Smart Home option providing a multi-services and multi-application execution environment with sophisticated remote management capabilities, such as software and firmware life cycle management, provisioning, remote configuration and remote monitoring
• Completely tested and validated in two different final application demos
• Hardware schematics, Gerber files, ZigBee certified stacks and software BSP are available
• HEG reference platform kit contains software support BSP optimization can be contracted with Adeneo Embedded Features
• 454 MHz ARM926EJ-S™ core based i.MX28 application processor w/32 KB cache
• 128 MB SLC NAND flash + 64 MB (or 128 MB) DDR2 DRAM (on board)
• Connectivity interfaces, including ZigBee SE 1.0 and HA profiles (based on Freescale ZigBee certified MC13224 PiP), Sub-GHz radio (based on Freescale 9S08QE32 8-bit MCU), Wi-Fi 802.11b/g, 10/100 Ethernet, RS-232, RS485, USB with on-chip PHY, SD/MMC card reader and UMI connector
• Optional Matrix LCD (flex connector) or 4"3 WVGA touch screen LCD (daughter card)
• RTC with coin battery (on board) backup
• AC-DC power supply (off board)
• Linux 2.6.31 and Windows Embedded Compact 7 OS

图1. 家庭能量网关(HEG)参考设计框图

图2. 家庭能量网关(HEG)Linux框图

图3. 家庭能量网关(HEG)WinCE7框图
The HEG board is designed to offer a highly integrated and flexible reference platform to jump start development time in the areas of demand response, smart management, and energy consumption monitoring.
The board support packages (BSPs), connectivity drivers, application demos and user interfaces are delivered through the Adeneo Embedded website under the form of source code or binaries, with HEG schematics and Gerber files.
The board is pre-flashed with either Linux® 2.6 (P/N Adeneo HEG-IMX28KIT-LNX) or Windows Embedded Compact 7 (P/N Adeneo HEG-IMX28KIT-WCE) OS images.
(HEG)参考设计平台主要特性:
The following features are available in the HEG reference platform:
• Application Processor: 454 MHz ARM926EJ™ i.MX283
• Memory: 128 MB SLC Nand Flash + 128 MB DDR2 SDRAM
• Dual certified ZigBee: Freescale MC13224V ZigBee SE 1.0 and HA with on-board antenna
• Sub GHz: Freescale 8-bit MCU 9S08QE128 + Semtech SX1231 transceiver with on-board antenna
• Wi-Fi 802.11b/g: Atheros AR6102 with on-board antenna
• One Ethernet port
• One RS-232 port for debug
• One RS-485 port
• One Full-Speed USB OTG and one Full-Speed USB host port
• One SD/MMC card reader multiplexed with one U-SNAP port
Optional: Matrix LCD (flex connector)
Optional: 4”3 WVGA LCD (daughter card)

图4. 家庭能量网关(HEG)板外形图
Freescale i.MX28 HEG board pre-flashed with either Windows Embedded Compact 7 or Linux 2.6 OS images

图5. 家庭能量网关(HEG)方框图

图6. 家庭能量网关(HEG)功率树框图

图7. 家庭能量网关(HEG)电路图(1)

图8. 家庭能量网关(HEG)电路图(2)

图9. 家庭能量网关(HEG)电路图(3)

图10. 家庭能量网关(HEG)电路图(4)

图11. 家庭能量网关(HEG)电路图(5)

图12. 家庭能量网关(HEG)电路图(6)

图13. 家庭能量网关(HEG)电路图(7)

图14. 家庭能量网关(HEG)电路图(8)

图15. 家庭能量网关(HEG)电路图(9)

图16. 家庭能量网关(HEG)电路图(10)

图17. 家庭能量网关(HEG)电路图(11)

图18. 家庭能量网关(HEG)电路图(12)

图19. 家庭能量网关(HEG)电路图(13)
HEG材料清单见:
HEG材料清单.rar(5.14 KB, 下载次数: 0)
详情请见:
http://cache.freescale.com/files/industrial/doc/brochure/BRSMRTENERGY.pdf fasp=1&WT_TYPE=Brochures&WT_VENDOR=FREESCALE&WT_FILE_FORMAT=pdf&WT_ASSET=Documentation
http://cache.freescale.com/files/industrial/doc/support_Info/IMX28HEGSCH.zip fpsp=1&WT_TYPE=Supporting
Information&WT_VENDOR=FREESCALE&WT_FILE_FORMAT=zip&WT_ASSET=Documentation


