- 易迪拓培训,专注于微波、射频、天线设计工程师的培养
基于MC68HC908LJ12的新型三相电能计量系统设计
录入:edatop.com 点击:
电能计量系统是衡量电能消费数量的计量仪器,其技术性要求很高。它既要求能精确计量,更要求能稳定工作,并能保证长期高度的可靠性。目前,由于近年来能源的日益紧张,电力供应时常出现短缺现象,各地纷纷采取了各种应对措施,很多地区不约而同地出台了峰谷分时电价和避峰电价政策,因此,多费率表市场需求进一步加大,尤其是大工业用户,对三相多费率表的需求快速增长。另外,随着现代电子产业和电力系统的不断发展,电能计量系统正在向智能化、多功能的方向发展,可以测量多种参数,并可实现自动抄表、分时费率、实时费率、预付费等多种功能的测量电路和集成化、模块化已成为未来发展的趋势。本设计中的电能计量系统正是基于这一背景,集检测、计量、控制、存储、显示、通信等模块于一身,并且可实现峰谷分时的复费率计量。
1 电能计量系统的总体设计方案
电能计量系统最重要的功能是精确测量各种电能参数,如电压、电流、有功功率、无功功率、频率、功率因数、欠压和断相检测、谐波分析等。本系统采用专用计量芯片来检测电信号,同时配以CPU编程来实现多种功能。系统主要由检测、计量、控制、存储、显示、键盘、通信接口和电源等部分组成。系统总体框图如图1所示。其中,检测部分由精密电流互感器、电压互感器和外围处理电路组成,可将得到的电流、电压、频率、相位等实时数据输入到计量芯片中。计量芯片通过对各个输入信号进行计量,可将计量得到的各种电能参数输入到控制部分(即CPU中),然后由CPU中的程序决定它将那些参数经过处理后送到存储器中储存,同时送到显示部分进行显示。显示部分采用高品质液晶显示模块,可显示4行,每行20个字符。如果需要实现分时费率的功能,则可以在编程时将各时段的电价编入程序中,然后通过实时时钟测量时间,以确定此时段的电价并加以分时计费。通信接口采用RS-485通信模块来和上位机进行通信,本系统采用MAX4872芯片,该芯片为单一+5 V电源供电,有8个引脚而且使用简单、方便。如果通信接口接到电力线上位机的命令,则将命令传输到CPU,再根据命令将电能参数传送到上位机,这样便可以实现自动抄表和远程控制等功能。

2 芯片选择
基于性能和成本等方面的考虑,作为电能计量系统核心部件的单片机可选择飞思卡尔半导体公司的MC68HC908LJ12。MC68HC908IJl2是一款适用于电能计量设计的8位MCU,是基于HC08架构的通用器件,具有12K字节的Flash存储器、512字节的RAM,以及一个红外通信接口、一个串行外设接口、一个AD转换器、8个键盘输入中断和一个LCD驱动器模块。电能计量芯片可选择三相电能计量芯片ATT7022B。ATT7022B是一款高精度且功能强大的多功能防窃电基波谐波三相电能专用计量芯片,该芯片适用于三相三线和三相四线应用,而且使用十分方便。ATT7022B内部的电压检测电路可以保证加电和断电时正常工作,它提供有一个SPI接口,可以方便地与外部MCU之间进行计量参数以及校标参数的传递。存储器则可采用带有SPI接口的铁电存储器FM33256。FM33256是Ramtron公司推出的一款带高速串行SPI接口且内含FRAM处理器的外围系列产品,它在小型封装中整合了非易失性FRAM,能降低成本、减小电路板空间并支持以处理器为基础系统的常用功能,非常适合用于先进的多功能电能表。
3 系统电路
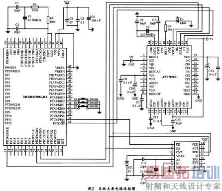
MC68HC908IJl2与ATT7022B、FM33256的通信可通过SPI接口进行。SPI接口(即串行外围设备接口)是一种时钟和数据同步的串行接口,共使用四个引脚:CS、SCLK、DIN、DOUT,芯片通过它可以与任何具有SPI接口的其它芯片直接相连。FM33256和ATT7022B都需要与单片机MC68HC908IJl2相连,因此,这三种芯片都带有SPI接口。由于SPI接口能支持多个器件挂在同一个总线上,并通过片选信号区分每一个器件,因此,FM33256和ATT7022B都可通过SPI接口与单片机MC68HC908LJ12相连,并将MC68HC908LJ12的PTC5引脚与FM33256的片选端相连接,以实现片选。具体的连接电路如图2所示。FM33256内部集成的实时时钟RTC包括一个32.768 Hz的晶振、时钟分频器和供用户访问的寄存器系统。它由晶振提供时基信号以获得时间,其内其部的静态寄存器可为用户提供对时间的读写访问,寄存器包括秒、分、时、星期、日、月、年。时间寄存器则可通过位于00H的R、W位与时间内核同步。R位用于读时间,将R位从0改变为l时,时间信息从内核传入保持寄存器以供用户读取,如果R位被设置时,内核时间更新正在进行,那么在时间更新结束才能装载用户寄存器,同时用户寄存器将被冻结而不能更新,直到R位重新设置为0。W位用于设置新的时间值,设置W位为1将使用户寄存器冻结。将它清除为0可使用户寄存器中的值装载进时间内核。在实际布线时,为了提高RTC的抗干扰能力和准确性,应在外接晶振引脚焊盘加入地环,且晶振引线长度应小于5 mm。并对地线底层铺铜。该电能表系统充分利用了实时时钟的特点,可在正常工作时,用它为系统提供精确的时间。另外,当系统掉电时,可启用后备3.6 V电源,以记录实时掉电时间。并在系统中将它存储在FM33256中。

4 系统校准
校准就是对各相电流增益、电压增益、功率增益和相位进行补偿。功率增益一般不要分段,相位校正可根据精度要求,考虑分段或不分段进行。分段式按电流的大小来分,对相位校正,最多可分五段进行。一般在ATT7022B做软件校表时,电压和电流的校正、启动电流设置、断相阈值电压设置均无顺序上的要求,但在进行功率增益校正时,应先设置合相能量累加模式(这个步骤也可省去,直接使用缺省值)、电压通道ADC增益和高频输出参数,这是功率校正的条件,而后作功率增益校正,再进行相位校正。相位校正应在完成功率增益校正后进行。所有校正都应在相应的校表寄存器参数为零的条件下进行。
ATT7022B先设置成全波表状态进行校正,可将基波测量使能控制寄存器设置为EnLineFreq=0x000000,校正好后,再将该寄存器根据需要填入相应值以使芯片进入基波表、谐波表或是在电能计量功能状态。校表程序开始后,首先写电压通道ADC增益UADCPga(Ox3F),以设置电压通道ADC放大倍数,然后写高频脉冲输出参数到校表寄存器20H,再写启动电流到校表寄存器1FH (否则默认的启动电流值为基本电流的0.1%),接着再写A相功率增益,进行A相相位校正。然后分别进行B相和C相的功率增益校正和相位校正,最后分别写A、B、C相电压校正和电流校正。
限于篇幅,下面给出部分校表程序:


5 结束语
本设计中的三相电能计量系统以MC68HC908LJ12为核心MCU。并通过模拟开关控制电流互感器的高低变比切换,从而来实现精确计量和复费率。该系统具有精度高、功能全、可靠性高、维护简单、成本低、体积小等特点,并具有很好的扩展能力,可以根据用户的实际需要设定其它功能,具有良好的发展前景。目前,系统的网络化功能及其与上位机的通信模块正在进一步调试和完善之中。
1 电能计量系统的总体设计方案
电能计量系统最重要的功能是精确测量各种电能参数,如电压、电流、有功功率、无功功率、频率、功率因数、欠压和断相检测、谐波分析等。本系统采用专用计量芯片来检测电信号,同时配以CPU编程来实现多种功能。系统主要由检测、计量、控制、存储、显示、键盘、通信接口和电源等部分组成。系统总体框图如图1所示。其中,检测部分由精密电流互感器、电压互感器和外围处理电路组成,可将得到的电流、电压、频率、相位等实时数据输入到计量芯片中。计量芯片通过对各个输入信号进行计量,可将计量得到的各种电能参数输入到控制部分(即CPU中),然后由CPU中的程序决定它将那些参数经过处理后送到存储器中储存,同时送到显示部分进行显示。显示部分采用高品质液晶显示模块,可显示4行,每行20个字符。如果需要实现分时费率的功能,则可以在编程时将各时段的电价编入程序中,然后通过实时时钟测量时间,以确定此时段的电价并加以分时计费。通信接口采用RS-485通信模块来和上位机进行通信,本系统采用MAX4872芯片,该芯片为单一+5 V电源供电,有8个引脚而且使用简单、方便。如果通信接口接到电力线上位机的命令,则将命令传输到CPU,再根据命令将电能参数传送到上位机,这样便可以实现自动抄表和远程控制等功能。

2 芯片选择
基于性能和成本等方面的考虑,作为电能计量系统核心部件的单片机可选择飞思卡尔半导体公司的MC68HC908LJ12。MC68HC908IJl2是一款适用于电能计量设计的8位MCU,是基于HC08架构的通用器件,具有12K字节的Flash存储器、512字节的RAM,以及一个红外通信接口、一个串行外设接口、一个AD转换器、8个键盘输入中断和一个LCD驱动器模块。电能计量芯片可选择三相电能计量芯片ATT7022B。ATT7022B是一款高精度且功能强大的多功能防窃电基波谐波三相电能专用计量芯片,该芯片适用于三相三线和三相四线应用,而且使用十分方便。ATT7022B内部的电压检测电路可以保证加电和断电时正常工作,它提供有一个SPI接口,可以方便地与外部MCU之间进行计量参数以及校标参数的传递。存储器则可采用带有SPI接口的铁电存储器FM33256。FM33256是Ramtron公司推出的一款带高速串行SPI接口且内含FRAM处理器的外围系列产品,它在小型封装中整合了非易失性FRAM,能降低成本、减小电路板空间并支持以处理器为基础系统的常用功能,非常适合用于先进的多功能电能表。
3 系统电路
MC68HC908IJl2与ATT7022B、FM33256的通信可通过SPI接口进行。SPI接口(即串行外围设备接口)是一种时钟和数据同步的串行接口,共使用四个引脚:CS、SCLK、DIN、DOUT,芯片通过它可以与任何具有SPI接口的其它芯片直接相连。FM33256和ATT7022B都需要与单片机MC68HC908IJl2相连,因此,这三种芯片都带有SPI接口。由于SPI接口能支持多个器件挂在同一个总线上,并通过片选信号区分每一个器件,因此,FM33256和ATT7022B都可通过SPI接口与单片机MC68HC908LJ12相连,并将MC68HC908LJ12的PTC5引脚与FM33256的片选端相连接,以实现片选。具体的连接电路如图2所示。FM33256内部集成的实时时钟RTC包括一个32.768 Hz的晶振、时钟分频器和供用户访问的寄存器系统。它由晶振提供时基信号以获得时间,其内其部的静态寄存器可为用户提供对时间的读写访问,寄存器包括秒、分、时、星期、日、月、年。时间寄存器则可通过位于00H的R、W位与时间内核同步。R位用于读时间,将R位从0改变为l时,时间信息从内核传入保持寄存器以供用户读取,如果R位被设置时,内核时间更新正在进行,那么在时间更新结束才能装载用户寄存器,同时用户寄存器将被冻结而不能更新,直到R位重新设置为0。W位用于设置新的时间值,设置W位为1将使用户寄存器冻结。将它清除为0可使用户寄存器中的值装载进时间内核。在实际布线时,为了提高RTC的抗干扰能力和准确性,应在外接晶振引脚焊盘加入地环,且晶振引线长度应小于5 mm。并对地线底层铺铜。该电能表系统充分利用了实时时钟的特点,可在正常工作时,用它为系统提供精确的时间。另外,当系统掉电时,可启用后备3.6 V电源,以记录实时掉电时间。并在系统中将它存储在FM33256中。

4 系统校准
校准就是对各相电流增益、电压增益、功率增益和相位进行补偿。功率增益一般不要分段,相位校正可根据精度要求,考虑分段或不分段进行。分段式按电流的大小来分,对相位校正,最多可分五段进行。一般在ATT7022B做软件校表时,电压和电流的校正、启动电流设置、断相阈值电压设置均无顺序上的要求,但在进行功率增益校正时,应先设置合相能量累加模式(这个步骤也可省去,直接使用缺省值)、电压通道ADC增益和高频输出参数,这是功率校正的条件,而后作功率增益校正,再进行相位校正。相位校正应在完成功率增益校正后进行。所有校正都应在相应的校表寄存器参数为零的条件下进行。
ATT7022B先设置成全波表状态进行校正,可将基波测量使能控制寄存器设置为EnLineFreq=0x000000,校正好后,再将该寄存器根据需要填入相应值以使芯片进入基波表、谐波表或是在电能计量功能状态。校表程序开始后,首先写电压通道ADC增益UADCPga(Ox3F),以设置电压通道ADC放大倍数,然后写高频脉冲输出参数到校表寄存器20H,再写启动电流到校表寄存器1FH (否则默认的启动电流值为基本电流的0.1%),接着再写A相功率增益,进行A相相位校正。然后分别进行B相和C相的功率增益校正和相位校正,最后分别写A、B、C相电压校正和电流校正。
限于篇幅,下面给出部分校表程序:


5 结束语
本设计中的三相电能计量系统以MC68HC908LJ12为核心MCU。并通过模拟开关控制电流互感器的高低变比切换,从而来实现精确计量和复费率。该系统具有精度高、功能全、可靠性高、维护简单、成本低、体积小等特点,并具有很好的扩展能力,可以根据用户的实际需要设定其它功能,具有良好的发展前景。目前,系统的网络化功能及其与上位机的通信模块正在进一步调试和完善之中。
上一篇:温度测量处理变送器设计
下一篇:瑞萨成为世界首次公交ITS系统测试成功厂商


