- 易迪拓培训,专注于微波、射频、天线设计工程师的培养
Maxim 71M6533多相电表系统级芯片(SoC)解决方案
录入:edatop.com 点击:
Maxim公司的Teridian™ 71M6533和71M6534是第三代多相电表系统级芯片(SoC),集成了10MHz 8051兼容的MPU核,低功耗RTC,闪存和LCD驱动器以及22位Delta-Sigma ADC,七个模拟输入,数字温度补偿,精密基准电压和32位计算引擎(CE),极少外接元件,支持大范围电表应用.本文介绍了71M6533/4主要特性,功能框图,应用框图和Teridian 71M6533-DB评估板硬件指标,评估板和调试板框图,评估板电路图,材料清单和PCB元件布局图.
The Teridian™ 71M6533 and 71M6534 are third-generation polyphase metering systems-on-chips (SoCs) with a 10MHz 8051-compatible MPU core, low-power RTC, flash, and LCD driver. The Single Converter Technology® with a 22-bit delta-sigma ADC, seven analog inputs, digital temperature compensation, precision voltage reference, and a 32-bit computation engine (CE) supports a wide range of metering applications with very few external components.
The 71M6533 and 71M6534 add several new features to the Teridian flagship 71M6513 polyphase meters, including an SPI interface, advanced power management with < 1μA sleep current, 4KB shared RAM, and 128KB (71M6533/H, 71M6534), or 256KB (71M6533G, 71M6534H) flash, which can be programmed in the field with new code and/or data during meter operation. Higher processing and sampling rates and larger memory offer a powerful metering platform for commercial and industrial meters with up to class 0.2 accuracy.
A complete array of ICE and development tools, programming libraries and reference designs enable rapid development and certification of meters that meet all ANSI and IEC electricity metering standards worldwide.
71M6533主要特性:
• Wh Accuracy < 0.1% Over 2000:1 Range
• Exceeds IEC 62053/ANSI C12.20 Standards
• Seven Sensor Inputs with Neutral Current Measurement
• Low-Jitter Wh and VARh Plus Two Additional Pulse Test Outputs (4 Total, 10kHz max) with Pulse Count
• Four-Quadrant Metering
• Phase Sequencing
• Line Frequency Count for RTC
• Digital Temperature Compensation
• Independent 32-Bit CE
• 46-64 Hz Line Frequency Range with Same Calibration; Phase Compensation (± 7°)
• Three Battery-Backup Modes with Wake-Up on Timer or Pushbutton:
Brownout Mode (82μA typ, 71M6533) LCD Mode (21μA typ, DAC active) Sleep Mode (0.7μA typ)
• Energy Display During Mains Power Failure
• 39mW (typ) Consumption at 3.3V, MPU Clock Frequency 614kHz
• 8-Bit MPU (80515), 10MHz (max), One Clock Cycle per Instruction with Integrated ICE for Debug
• LCD Driver with Four Common Segment Drivers:
Up to 228 Pixels (71M6533) or 300 Pixels (71M6534)
• Four Dedicated + 35 (71M6533) or 48 (71M6534) Multifunction DIO Pins
• RTC for TOU Functions with Clock-Rate Adjust Register
• Hardware Watchdog Timer, Power-Fail Monitor
• I2C/MICROWIRE® EEPROM Interface
• High-Speed Slave SPI Interface to Data RAM
• Two UARTs for IR and AMR, IR Driver with Modulation
• Flash Memory with Security and In-System Program Update:
128KB (71M6533/H, 71M6534) 256KB (71M6533G, 71M6534H)
• 4KB RAM
• Industrial Temperature Range
• 100-Pin (71M6533/G/H) or 120-Pin (71M6534/H) Lead(Pb)-Free LQFP Package

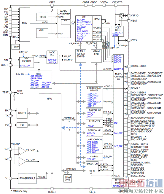
图1.71M6533功能框图

图2.71M6533应用框图
Teridian 71M6533-DB评估板
The Teridian™ 71M6533-DB Demo Board is a demonstration board for evaluating the 71M6533 device for 3-phase electronic power metering applications. It incorporates a 71M6533 integrated circuit, peripheral circuitry such as a serial EEPROM, emulator port, and on-board power supply as well as a USB-to-serial adapter that allows a connection to a PC through the USB port. The demo board allows the evaluation of the 71M6533 energy meter chip for measurement accuracy and overall system use.
The board is pre-programmed with a demo program in the flash memory of the 71M6533 IC. This embedded application is developed to exercise all low-level function calls to directly manage the peripherals, flash programming, and CPU (clock, timing, power savings, etc.).
The 71M6533 IC on the demo board is pre-programmed with default calibration factors. Since current sensors are not part of the Demo Kit, the demo board is tested but not calibrated at the factory.
Teridian 71M6533-DB评估板包括:
71M6533-DB Demo Board with 71M6533F IC and Pre-Loaded Demo Program
USB-to-Serial Adapter
5VDC/1000mA Universal Wall Transformer with 2.5mm Plug (Switchcraft 712A Compatible)
USB Cable

图3.Teridian 71M6533-DB评估板和调试板框图

图4.Teridian 71M6533-DB评估板和USB-串行适配器外形图
Teridian 71M6533-DB评估板硬件指标:


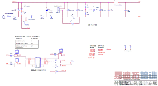
图5.Teridian 71M6533-DB评估板电路图(1)

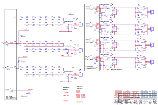
图6.Teridian 71M6533-DB评估板电路图(2)

图7.Teridian 71M6533-DB评估板电路图(3)
Teridian 71M6533-DB评估板材料清单(BOM):


图8.Teridian 71M6533-DB评估板元件布局图(顶层)

图9.Teridian 71M6533-DB评估板元件布局图(底层)
详情请见:
71M6533-71M6534H.pdf(2.45 MB, 下载次数: 3)
和
UG5478.pdf(2.6 MB, 下载次数: 3)
来源:网络
The Teridian™ 71M6533 and 71M6534 are third-generation polyphase metering systems-on-chips (SoCs) with a 10MHz 8051-compatible MPU core, low-power RTC, flash, and LCD driver. The Single Converter Technology® with a 22-bit delta-sigma ADC, seven analog inputs, digital temperature compensation, precision voltage reference, and a 32-bit computation engine (CE) supports a wide range of metering applications with very few external components.
The 71M6533 and 71M6534 add several new features to the Teridian flagship 71M6513 polyphase meters, including an SPI interface, advanced power management with < 1μA sleep current, 4KB shared RAM, and 128KB (71M6533/H, 71M6534), or 256KB (71M6533G, 71M6534H) flash, which can be programmed in the field with new code and/or data during meter operation. Higher processing and sampling rates and larger memory offer a powerful metering platform for commercial and industrial meters with up to class 0.2 accuracy.
A complete array of ICE and development tools, programming libraries and reference designs enable rapid development and certification of meters that meet all ANSI and IEC electricity metering standards worldwide.
71M6533主要特性:
• Wh Accuracy < 0.1% Over 2000:1 Range
• Exceeds IEC 62053/ANSI C12.20 Standards
• Seven Sensor Inputs with Neutral Current Measurement
• Low-Jitter Wh and VARh Plus Two Additional Pulse Test Outputs (4 Total, 10kHz max) with Pulse Count
• Four-Quadrant Metering
• Phase Sequencing
• Line Frequency Count for RTC
• Digital Temperature Compensation
• Independent 32-Bit CE
• 46-64 Hz Line Frequency Range with Same Calibration; Phase Compensation (± 7°)
• Three Battery-Backup Modes with Wake-Up on Timer or Pushbutton:
Brownout Mode (82μA typ, 71M6533) LCD Mode (21μA typ, DAC active) Sleep Mode (0.7μA typ)
• Energy Display During Mains Power Failure
• 39mW (typ) Consumption at 3.3V, MPU Clock Frequency 614kHz
• 8-Bit MPU (80515), 10MHz (max), One Clock Cycle per Instruction with Integrated ICE for Debug
• LCD Driver with Four Common Segment Drivers:
Up to 228 Pixels (71M6533) or 300 Pixels (71M6534)
• Four Dedicated + 35 (71M6533) or 48 (71M6534) Multifunction DIO Pins
• RTC for TOU Functions with Clock-Rate Adjust Register
• Hardware Watchdog Timer, Power-Fail Monitor
• I2C/MICROWIRE® EEPROM Interface
• High-Speed Slave SPI Interface to Data RAM
• Two UARTs for IR and AMR, IR Driver with Modulation
• Flash Memory with Security and In-System Program Update:
128KB (71M6533/H, 71M6534) 256KB (71M6533G, 71M6534H)
• 4KB RAM
• Industrial Temperature Range
• 100-Pin (71M6533/G/H) or 120-Pin (71M6534/H) Lead(Pb)-Free LQFP Package

图1.71M6533功能框图

图2.71M6533应用框图
Teridian 71M6533-DB评估板
The Teridian™ 71M6533-DB Demo Board is a demonstration board for evaluating the 71M6533 device for 3-phase electronic power metering applications. It incorporates a 71M6533 integrated circuit, peripheral circuitry such as a serial EEPROM, emulator port, and on-board power supply as well as a USB-to-serial adapter that allows a connection to a PC through the USB port. The demo board allows the evaluation of the 71M6533 energy meter chip for measurement accuracy and overall system use.
The board is pre-programmed with a demo program in the flash memory of the 71M6533 IC. This embedded application is developed to exercise all low-level function calls to directly manage the peripherals, flash programming, and CPU (clock, timing, power savings, etc.).
The 71M6533 IC on the demo board is pre-programmed with default calibration factors. Since current sensors are not part of the Demo Kit, the demo board is tested but not calibrated at the factory.
Teridian 71M6533-DB评估板包括:
71M6533-DB Demo Board with 71M6533F IC and Pre-Loaded Demo Program
USB-to-Serial Adapter
5VDC/1000mA Universal Wall Transformer with 2.5mm Plug (Switchcraft 712A Compatible)
USB Cable

图3.Teridian 71M6533-DB评估板和调试板框图

图4.Teridian 71M6533-DB评估板和USB-串行适配器外形图
Teridian 71M6533-DB评估板硬件指标:


图5.Teridian 71M6533-DB评估板电路图(1)

图6.Teridian 71M6533-DB评估板电路图(2)

图7.Teridian 71M6533-DB评估板电路图(3)
Teridian 71M6533-DB评估板材料清单(BOM):


图8.Teridian 71M6533-DB评估板元件布局图(顶层)

图9.Teridian 71M6533-DB评估板元件布局图(底层)
详情请见:
71M6533-71M6534H.pdf(2.45 MB, 下载次数: 3)
和
UG5478.pdf(2.6 MB, 下载次数: 3)
来源:网络
上一篇:2510温度控制源表设置
下一篇:为什么选择7位半-数字万用表?


