- 易迪拓培训,专注于微波、射频、天线设计工程师的培养
TI AFE4110精度0.1度C数字温度计解决方案
录入:edatop.com 点击:
TI公司的AFE4110是基于超低功耗MSP430 RISC处理器,配置有两个16位计时器,48段LCD驱动器,可编程模拟池,电源监视器和基准电压源,特别适合采用单颗SR60电池的低成本数字温度计,工作电压1.1V-1.55V,3mA 1.85V内部电荷泵用于外接EEPROM和内部LCD驱动器,工作时功耗45µA/MHz (1.55V),深度睡眠功耗小于0.4µA,主要用于数字温度计,计步器,温度调节器和其它手持设备.本文介绍了AFE4110主要特性,功能框图,AFE4110温度计演示板主要特性,电路图,材料清单和PCB元件布局图.
The Texas Instruments MSP430 family of low-power mixed signal ASSPs consists of many devices featuring different sets of peripherals targeted for various consumer medical applications. The AFE4110 CPU architecture is based on the popular ultra low power Texas Instruments MSP430 RISC processor.
The AFE4110 configuration with two 16-bit timers, integrated 48-segment LCD driver, programmable Analog Pool, supply voltage monitor and internal reference voltage source is particularly well suited for implementation of low cost digital thermometers operating from a single cell SR60 battery. The capability to correct the on chip high frequency oscillator output facilitates the generation and measurement of real time intervals. For many applications, this capability allows system designers to eliminate a clock crystal from the system BOM.
AFE4110主要特性:
Ultra Low Supply-Voltage (ULV) Range
1.1V - 1.55V Unregulated Single Cell Battery Operation(CPU, System Core, and Timers)3mA 1.85V Internal Charge Pump for External EEPROM (R/W),VDDIO, and Internal LCD Controller
60µA 3.3V Regulated Charge Pump for LCD Drive Pads
Low Power Consumption
Active Mode (AM): 45µA/MHz (1.55V)
Standby Mode (LPM3, LCD): < 25µA
Deep Sleep Mode (LPM5):<0.4µA
8-Bytes Battery Backed RAM for Calibration Retention
Wakeup From Periodic Timer or External Interrupt
Wake-Up from LPM5 in 10ms, Wake-Up from LPM4 in 5µs
16-Bit RISC Architecture
Extended Instructions
125ns Instruction Cycle Time
Compact Clock System
Internal Trimmable High Frequency Clock Oscillator with
Discrete Frequency Selections Between 1MHz and 5.4MHz
20kHz Internal low Frequency Clock Oscillator
External Clock Input (Upto 8MHz)
32kHz Crystal Oscillator
Internal High Frequency Oscillator Frequency Correction
Facilitates Generation and Measurement of Real Time
Intervals Without a Clock Crystal
Utilizes Factory Calibration (E-Fuse), S/W, and a
Single External 1Mύ Resistor
Integrated LCD Controller
Drives 4-Mux, 3-Mux, 2-Mux, or Static Mode LCDs
Up to 48 (4x12) LCD Segments
Two 16-Bit Timer0_A3 with Three Capture/Compare Registers
Extended Input Multiplexer for High Accuracy RC
Discharge Measurement
ULV Analog Pool
8-Bit Analog-to-Digital Converter (ADC)
8-Bit Digital-to-Analog Converter (DAC)
Programmable Comparator (COMP)
Supply-Voltage-Monitoring (SVM)
Internal Temperature Sensor
Internal Voltage Reference
1V Regulated (LDO) Outputs
32-Bit Watch-Dog-Timer (WDT-A)
21-Configurable Analog I/O or Digital GPIO Pads,
2-Power GPIO for 10mA VDD/1.85/3.6V Buzzer Load
10-GPIO for VDDIO Operation with VDD/1.85/
3.6V Internal Level Shifting
11-GPIO for VDD Operation (1.1V – 1.55V)
4-Regulated 1V (LDO) Analog Outputs
1-250mV DAC Analog Output
6-Analog Comparator/ADC Inputs
SPI EEPROM Bootstrap Loader (AFE4110A)
Full Four Wire JTAG Debug Interface
AFE4110应用:
• For any application requiring a full analog LCDs signal chain and an LCD display driver such as digital thermometers, pedometers, thermostats, and other portable single alkaline battery devices.

图1.AFE4110功能方框图
AFE4110温度计演示板
This user’s guide provides a general description of the AFE4110 thermometer demonstration board (demo-pen). Use this document with the AFE4110 data sheet to get a broader understanding of the functions and applications of this device.
The board demonstrates an accurate, low-cost, single-chip temperature measurement solution based on the AFE4110. This device is a general-purpose, low-cost, 1.5-V microcontroller optimized for this application with features like an internal 1.85-V/3.3-V charge-pump for LCD/GPIO interface, buzzer driver, low-power sleep mode, etc.
The measurement is done using an external thermistor with a negative temperature coefficient (NTC) characteristic (resistance decreases with increasing temperature). The thermistor response has been calibrated using two temperature points (at 31°C and 43°C), for an overall typical accuracy of ± 0.1°C over that range, when measured in a calibration bath.

图2.AFE4110温度计演示板外形图:正面(底层)和背面(顶层)

图3.AFE4110温度计演示板电路图(1)

图4.AFE4110温度计演示板电路图(2)

图5.AFE4110温度计演示板电路图(3)

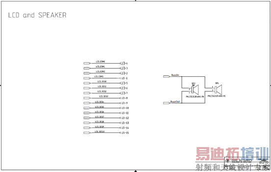
图6.AFE4110温度计演示板电路图(4)

图7.AFE4110温度计演示板电路图(5)
AFE4110温度计演示板材料清单(BOM):


图8.AFE4110温度计演示板元件布局图:顶层

图9.AFE4110温度计演示板元件布局图:底层
详情请见:
sllse48.pdf(1.69 MB, 下载次数: 1)
和
slau417.pdf(344.46 KB, 下载次数: 1)
来源:网络
The Texas Instruments MSP430 family of low-power mixed signal ASSPs consists of many devices featuring different sets of peripherals targeted for various consumer medical applications. The AFE4110 CPU architecture is based on the popular ultra low power Texas Instruments MSP430 RISC processor.
The AFE4110 configuration with two 16-bit timers, integrated 48-segment LCD driver, programmable Analog Pool, supply voltage monitor and internal reference voltage source is particularly well suited for implementation of low cost digital thermometers operating from a single cell SR60 battery. The capability to correct the on chip high frequency oscillator output facilitates the generation and measurement of real time intervals. For many applications, this capability allows system designers to eliminate a clock crystal from the system BOM.
AFE4110主要特性:
Ultra Low Supply-Voltage (ULV) Range
1.1V - 1.55V Unregulated Single Cell Battery Operation(CPU, System Core, and Timers)3mA 1.85V Internal Charge Pump for External EEPROM (R/W),VDDIO, and Internal LCD Controller
60µA 3.3V Regulated Charge Pump for LCD Drive Pads
Low Power Consumption
Active Mode (AM): 45µA/MHz (1.55V)
Standby Mode (LPM3, LCD): < 25µA
Deep Sleep Mode (LPM5):<0.4µA
8-Bytes Battery Backed RAM for Calibration Retention
Wakeup From Periodic Timer or External Interrupt
Wake-Up from LPM5 in 10ms, Wake-Up from LPM4 in 5µs
16-Bit RISC Architecture
Extended Instructions
125ns Instruction Cycle Time
Compact Clock System
Internal Trimmable High Frequency Clock Oscillator with
Discrete Frequency Selections Between 1MHz and 5.4MHz
20kHz Internal low Frequency Clock Oscillator
External Clock Input (Upto 8MHz)
32kHz Crystal Oscillator
Internal High Frequency Oscillator Frequency Correction
Facilitates Generation and Measurement of Real Time
Intervals Without a Clock Crystal
Utilizes Factory Calibration (E-Fuse), S/W, and a
Single External 1Mύ Resistor
Integrated LCD Controller
Drives 4-Mux, 3-Mux, 2-Mux, or Static Mode LCDs
Up to 48 (4x12) LCD Segments
Two 16-Bit Timer0_A3 with Three Capture/Compare Registers
Extended Input Multiplexer for High Accuracy RC
Discharge Measurement
ULV Analog Pool
8-Bit Analog-to-Digital Converter (ADC)
8-Bit Digital-to-Analog Converter (DAC)
Programmable Comparator (COMP)
Supply-Voltage-Monitoring (SVM)
Internal Temperature Sensor
Internal Voltage Reference
1V Regulated (LDO) Outputs
32-Bit Watch-Dog-Timer (WDT-A)
21-Configurable Analog I/O or Digital GPIO Pads,
2-Power GPIO for 10mA VDD/1.85/3.6V Buzzer Load
10-GPIO for VDDIO Operation with VDD/1.85/
3.6V Internal Level Shifting
11-GPIO for VDD Operation (1.1V – 1.55V)
4-Regulated 1V (LDO) Analog Outputs
1-250mV DAC Analog Output
6-Analog Comparator/ADC Inputs
SPI EEPROM Bootstrap Loader (AFE4110A)
Full Four Wire JTAG Debug Interface
AFE4110应用:
• For any application requiring a full analog LCDs signal chain and an LCD display driver such as digital thermometers, pedometers, thermostats, and other portable single alkaline battery devices.

图1.AFE4110功能方框图
AFE4110温度计演示板
This user’s guide provides a general description of the AFE4110 thermometer demonstration board (demo-pen). Use this document with the AFE4110 data sheet to get a broader understanding of the functions and applications of this device.
The board demonstrates an accurate, low-cost, single-chip temperature measurement solution based on the AFE4110. This device is a general-purpose, low-cost, 1.5-V microcontroller optimized for this application with features like an internal 1.85-V/3.3-V charge-pump for LCD/GPIO interface, buzzer driver, low-power sleep mode, etc.
The measurement is done using an external thermistor with a negative temperature coefficient (NTC) characteristic (resistance decreases with increasing temperature). The thermistor response has been calibrated using two temperature points (at 31°C and 43°C), for an overall typical accuracy of ± 0.1°C over that range, when measured in a calibration bath.

图2.AFE4110温度计演示板外形图:正面(底层)和背面(顶层)

图3.AFE4110温度计演示板电路图(1)

图4.AFE4110温度计演示板电路图(2)

图5.AFE4110温度计演示板电路图(3)

图6.AFE4110温度计演示板电路图(4)

图7.AFE4110温度计演示板电路图(5)
AFE4110温度计演示板材料清单(BOM):


图8.AFE4110温度计演示板元件布局图:顶层

图9.AFE4110温度计演示板元件布局图:底层
详情请见:
sllse48.pdf(1.69 MB, 下载次数: 1)
和
slau417.pdf(344.46 KB, 下载次数: 1)
来源:网络
上一篇:Powerint
PFS708EG
150W
PFC
LED街灯照明解决方案
下一篇:分立电阻器检定测试系统的常见误差来源——热电动势及漏电流


