- 易迪拓培训,专注于微波、射频、天线设计工程师的培养
Cypress CY8CKIT-025分辨率0.1度C温度测量解决方案
录入:edatop.com 点击:
Cypress公司的CY8CKIT-025 PSoC® 精密模拟温度传感器扩展板套件(EBK)包括5个温度传感器,能方便快速测量和控制温度,温度测量分辨率达到0.1度C.CY8CKIT-025 EBK设计和CY8CKIT-030 PSoC 3开发板或CY8CKIT-001 PSoC开发板 一起使用,提供完整的单片温度检测和控制解决方案.本文介绍了PSoC®5: CY8C52系列产品主要特性,功能框图,ARM Cortex-M3框图以及CY8CKIT-025 PSoC® 精密模拟温度传感器扩展板套件(EBK)主要特性,电路图,材料清单和PCB元件布局图.
With its unique array of configurable blocks, PSoC® 5 is a true system-level solution providing microcontroller unit (MCU), memory, analog, and digital peripheral functions in a single chip. The CY8C52 family offers a modern method of signal acquisition, signal processing, and control with high accuracy, high bandwidth, and high flexibility. Analog capability spans the range from thermocouples (near DC voltages) to ultrasonic signals. The CY8C52 family can handle dozens of data acquisition channels and analog inputs on every GPIO pin. The CY8C52 family is also a high-performance configurable digital system with some part numbers including interfaces such as USB and multimaster I2C. In addition to communication interfaces, the CY8C52 family has an easy to configure logic array, flexible routing to all I/O pins, and a high-performance 32-bit ARM® Cortex™-M3 microprocessor core. Designers can easily create system level designs using a rich library of prebuilt components and boolean primitives using PSoC Creator™, a hierarchical schematic design entry tool. The CY8C52 family provides unparalleled opportunities for analog and digital bill of materials integration while easily accommodating last minute design changes through simple firmware updates.
CY8C52主要特性:
32-bit ARM Cortex-M3 CPU core
DC to 40 MHz operation
Flash program memory, up to 256 KB, 100,000 write cycles, 20-year retention and multiple security features
Up to 64 KB SRAM memory
128 bytes of cache memory
2-KB electrically erasable programmable read-only memory (EEPROM) memory, 1 million cycles, and 20 years retention
24-channel direct memory access (DMA) with multilayer AMBA high-performance bus (AHB) bus access
• Programmable chained descriptors and priorities
• High bandwidth 32-bit transfer support
Low voltage, ultra low power
Operating voltage range: 2.7 V to 5.5 V
6 mA at 6 MHz
Low power modes including:
• 2-μA sleep mode
• 300-nA hibernate mode with RAM retention
Versatile I/O system
46 to 70 I/Os (60 GPIOs, 8 SIOs, 2 USBIOs))
Any GPIO to any digital or analog peripheral routability
LCD direct drive from any GPIO, up to 46 × 16 segments
CapSense® support from any GPIO
1.2 V to 5.5 V I/O interface voltages, up to four domains
Maskable, independent IRQ on any pin or port
Schmitt trigger transistor-transistor logic (TTL) inputs
All GPIOs configurable as open drain high/low, pull up/down, High-Z, or strong output
25 mA sink on SIO
Digital peripherals
20 to 24 programmable logic device (PLD) based universal digital blocks (UDBs)
Full-Speed (FS) USB 2.0 12 Mbps using a 24 MHz external oscillator
Four 16-bit configurable timer, counter, and PWM blocks
Library of standard peripherals
• 8-, 16-, 24-, and 32-bit timers, counters, and PWMs
• SPI, UART, and I2C
• Many others available in catalog
Library of advanced peripherals
• Cyclic redundancy check (CRC)
• Pseudo random sequence (PRS) generator
• Local interconnect network (LIN) bus 2.0
• Quadrature decoder
Analog peripherals (2.7 V VDDA 5.5 V)
1.024 V ±1% internal voltage reference
Successive approximation register (SAR) analog-to-digital converter (ADC), 12-bit at 700 ksps
One 8-bit, 5.5-Msps current DAC (IDAC) or 1-Msps voltage DAC (VDAC)
Two comparators with 95-ns response time
CapSense support
Programming, debug, and trace
Serial wire debug (SWD) and single-wire viewer (SWV) interfaces
Cortex-M3 flash patch and breakpoint (FPB) block
Cortex-M3 data watchpoint and trace (DWT) generates data trace information
Cortex-M3 Instrumentation Trace Macrocell (ITM) can be used for printf-style debugging
DWT and ITM blocks communicate with off-chip debug and trace systems via the SWV interface
Bootloader programming supportable through I2C, SPI, UART, USB, and other interfaces
Precision, programmable clocking
3 to 24 MHz internal oscillator over full temperature and voltage range
4 to 25 MHz crystal oscillator for crystal PPM accuracy
Internal PLL clock generation up to 40 MHz
32.768 kHz watch crystal oscillator
Low power internal oscillator at 1, 33, and 100 kHz
Temperature and packaging
–40℃ to +85℃ degrees industrial temperature
68-pin QFN and 100-pin TQFP package options

图1.CY8C52简化方框图:包括
ARM Cortex-M3 CPU subsystem
Nonvolatile subsystem
Programming, debug, and test subsystem
Inputs and outputs
Clocking
Power
Digital subsystem
Analog subsystem

图2.CY8C52中ARM Cortex-M3框图
CY8CKIT-025 PSoC® 精密模拟温度传感器扩展板套件(EBK)
The CY8CKIT-025 PSoC® Precision Analog Temperature Sensor Expansion Board Kit (EBK) includes 5 temperature sensors and examples projects to make temperature sensing and control design quick and easy. This kit enables the designer to measure temperature accurately to a resolution of 0.1℃.
The CY8CKIT-025 EBK is designed for use with the CY8CKIT-030 PSoC 3 Development Kit and the CY8CKIT-001 PSoC Development Kit (all sold separately). Combining CY8CKIT-025 EBK with a development kit provides a complete single chip temperature sensing and control solution.
CY8CKIT-025 EBK包括:
PT100 Class B Resistive Temperature Detector (RTD)
Type K Thermocouple
NTC Thermistor
2 Temperature Diodes (2N3904 transistors)
DS600 IC temperature sensor
Examples projects for temperature sensing measurement, combined temperature and voltage measurement and fan control
Includes a bonus CY8CKIT-012 PSoC Prototyping and Development Expansion Board
Quick Start Guide
Resource CD
温度传感器性能比较表:


图3.CY8CKIT-025 PSoC精密模拟温度传感器EBK外形图

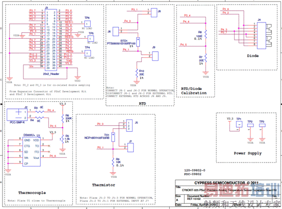
图4.CY8CKIT-025 PSoC精密模拟温度传感器EBK电路图
CY8CKIT-025 PSoC精密模拟温度传感器EBK材料清单:


图5.CY8CKIT-025 PSoC精密模拟温度传感器EBK PCB元件布局图
详情请见:
http://www.cypress.com/ rID=39976
和
CY8CKIT-025_PSoC Precision Analog EBK_Guide1[1].pdf(5.57 MB, 下载次数: 0)
PSoC 3 CY8C32 Family Datasheet (Ch)[1].pdf(4.89 MB, 下载次数: 0)
CY8C32xxx[1].pdf(3.64 MB, 下载次数: 0)
来源:网络
With its unique array of configurable blocks, PSoC® 5 is a true system-level solution providing microcontroller unit (MCU), memory, analog, and digital peripheral functions in a single chip. The CY8C52 family offers a modern method of signal acquisition, signal processing, and control with high accuracy, high bandwidth, and high flexibility. Analog capability spans the range from thermocouples (near DC voltages) to ultrasonic signals. The CY8C52 family can handle dozens of data acquisition channels and analog inputs on every GPIO pin. The CY8C52 family is also a high-performance configurable digital system with some part numbers including interfaces such as USB and multimaster I2C. In addition to communication interfaces, the CY8C52 family has an easy to configure logic array, flexible routing to all I/O pins, and a high-performance 32-bit ARM® Cortex™-M3 microprocessor core. Designers can easily create system level designs using a rich library of prebuilt components and boolean primitives using PSoC Creator™, a hierarchical schematic design entry tool. The CY8C52 family provides unparalleled opportunities for analog and digital bill of materials integration while easily accommodating last minute design changes through simple firmware updates.
CY8C52主要特性:
32-bit ARM Cortex-M3 CPU core
DC to 40 MHz operation
Flash program memory, up to 256 KB, 100,000 write cycles, 20-year retention and multiple security features
Up to 64 KB SRAM memory
128 bytes of cache memory
2-KB electrically erasable programmable read-only memory (EEPROM) memory, 1 million cycles, and 20 years retention
24-channel direct memory access (DMA) with multilayer AMBA high-performance bus (AHB) bus access
• Programmable chained descriptors and priorities
• High bandwidth 32-bit transfer support
Low voltage, ultra low power
Operating voltage range: 2.7 V to 5.5 V
6 mA at 6 MHz
Low power modes including:
• 2-μA sleep mode
• 300-nA hibernate mode with RAM retention
Versatile I/O system
46 to 70 I/Os (60 GPIOs, 8 SIOs, 2 USBIOs))
Any GPIO to any digital or analog peripheral routability
LCD direct drive from any GPIO, up to 46 × 16 segments
CapSense® support from any GPIO
1.2 V to 5.5 V I/O interface voltages, up to four domains
Maskable, independent IRQ on any pin or port
Schmitt trigger transistor-transistor logic (TTL) inputs
All GPIOs configurable as open drain high/low, pull up/down, High-Z, or strong output
25 mA sink on SIO
Digital peripherals
20 to 24 programmable logic device (PLD) based universal digital blocks (UDBs)
Full-Speed (FS) USB 2.0 12 Mbps using a 24 MHz external oscillator
Four 16-bit configurable timer, counter, and PWM blocks
Library of standard peripherals
• 8-, 16-, 24-, and 32-bit timers, counters, and PWMs
• SPI, UART, and I2C
• Many others available in catalog
Library of advanced peripherals
• Cyclic redundancy check (CRC)
• Pseudo random sequence (PRS) generator
• Local interconnect network (LIN) bus 2.0
• Quadrature decoder
Analog peripherals (2.7 V VDDA 5.5 V)
1.024 V ±1% internal voltage reference
Successive approximation register (SAR) analog-to-digital converter (ADC), 12-bit at 700 ksps
One 8-bit, 5.5-Msps current DAC (IDAC) or 1-Msps voltage DAC (VDAC)
Two comparators with 95-ns response time
CapSense support
Programming, debug, and trace
Serial wire debug (SWD) and single-wire viewer (SWV) interfaces
Cortex-M3 flash patch and breakpoint (FPB) block
Cortex-M3 data watchpoint and trace (DWT) generates data trace information
Cortex-M3 Instrumentation Trace Macrocell (ITM) can be used for printf-style debugging
DWT and ITM blocks communicate with off-chip debug and trace systems via the SWV interface
Bootloader programming supportable through I2C, SPI, UART, USB, and other interfaces
Precision, programmable clocking
3 to 24 MHz internal oscillator over full temperature and voltage range
4 to 25 MHz crystal oscillator for crystal PPM accuracy
Internal PLL clock generation up to 40 MHz
32.768 kHz watch crystal oscillator
Low power internal oscillator at 1, 33, and 100 kHz
Temperature and packaging
–40℃ to +85℃ degrees industrial temperature
68-pin QFN and 100-pin TQFP package options

图1.CY8C52简化方框图:包括
ARM Cortex-M3 CPU subsystem
Nonvolatile subsystem
Programming, debug, and test subsystem
Inputs and outputs
Clocking
Power
Digital subsystem
Analog subsystem

图2.CY8C52中ARM Cortex-M3框图
CY8CKIT-025 PSoC® 精密模拟温度传感器扩展板套件(EBK)
The CY8CKIT-025 PSoC® Precision Analog Temperature Sensor Expansion Board Kit (EBK) includes 5 temperature sensors and examples projects to make temperature sensing and control design quick and easy. This kit enables the designer to measure temperature accurately to a resolution of 0.1℃.
The CY8CKIT-025 EBK is designed for use with the CY8CKIT-030 PSoC 3 Development Kit and the CY8CKIT-001 PSoC Development Kit (all sold separately). Combining CY8CKIT-025 EBK with a development kit provides a complete single chip temperature sensing and control solution.
CY8CKIT-025 EBK包括:
PT100 Class B Resistive Temperature Detector (RTD)
Type K Thermocouple
NTC Thermistor
2 Temperature Diodes (2N3904 transistors)
DS600 IC temperature sensor
Examples projects for temperature sensing measurement, combined temperature and voltage measurement and fan control
Includes a bonus CY8CKIT-012 PSoC Prototyping and Development Expansion Board
Quick Start Guide
Resource CD
温度传感器性能比较表:


图3.CY8CKIT-025 PSoC精密模拟温度传感器EBK外形图

图4.CY8CKIT-025 PSoC精密模拟温度传感器EBK电路图
CY8CKIT-025 PSoC精密模拟温度传感器EBK材料清单:


图5.CY8CKIT-025 PSoC精密模拟温度传感器EBK PCB元件布局图
详情请见:
http://www.cypress.com/ rID=39976
和
CY8CKIT-025_PSoC Precision Analog EBK_Guide1[1].pdf(5.57 MB, 下载次数: 0)
PSoC 3 CY8C32 Family Datasheet (Ch)[1].pdf(4.89 MB, 下载次数: 0)
CY8C32xxx[1].pdf(3.64 MB, 下载次数: 0)
来源:网络


