- 易迪拓培训,专注于微波、射频、天线设计工程师的培养
Cirrus CS5480三相电能测量解决方案
录入:edatop.com 点击:
Cirrus公司的CS5480是高精度三相电能测量模拟前端,每路集成了单独的4阶Delta-Sigma模数转换器(ADC),基准电路和已验证的EXL信号处理核,提供有功,无功和表观能量测量.4000:1动态范围的能量测量精度为0.1%,1000:1动态范围的电流RMS测量精度为0.1%,电源电压3.3V.本文介绍了CS5480主要特性,方框图, 单相三线和两线连接框图, 并联传感器, 电流变压器和Rogowski线圈电表连接图, 以及CDB5480U评估板主要特性,框图,电路图,材料清单和PCB布局图.
The CS5480 incorporates independent, 4th order, Delta-Sigma analog-to-digital converters for every channel, reference circuitry, and the proven EXL signal processing core to provide active, reactive, and apparent energy measurement. In addition, RMS and power factor calculations are available.
Calculations are output via configurable energy pulse, or direct UART/SPI™ serial access to on-chip registers.
Instantaneous current, voltage, and power measurements are also available over the serial port. Multiple serial options are offered to allow customer flexibility. The SPI provides higher speed, and the 2-wire UART minimizes the cost of isolation where required.
Three configurable digital outputs provide energy pulses, zerocrossing, energy direction, and interrupt functions. Interrupts can be generated for a variety of conditions including voltage sag or swell, overcurrent, and more. On-chip register integrity is assured via checksum and write protection. The CS5480 is designed to interface to a variety of voltage and current sensors including shunt resistors, current transformers, and Rogowski coils.
On-chip functionality makes digital calibration simple and ultra- fast, minimizing the time required at the end of the customer production line. Performance across temperature is ensured with an on-chip voltage reference with very low drift.
A single 3.3V power supply is required, and power consumption is very low at <13mW. To minimize space requirements, the CS5480 is offered in a low-cost, 4mm x 4mm 24-pin QFN package.
CS5480主要特性:
Des cription
• Superior Analog Performance with Ultra-low Noise Level & High SNR
• Energy Measurement Accuracy of 0.1% over 4000:1 Dynamic Range
• Current RMS Measurement Accuracy of 0.1% over 1000:1 Dynamic Range
• 3 Independent 24-bit, 4th-order, Delta-Sigma Modulators for Voltage and Current Measurements
• 3 Configurable Digital Outputs for Energy Pulses, Zero-crossing, or Energy Direction
• Supports Shunt Resistor, CT, & Rogowski Coil Current Sensors
• On-chip Measurements & Calculations:
- Active, Reactive, and Apparent Power
- RMS Voltage and Current
- Power Factor and Line Frequency
- Instantaneous Voltage, Current, and Power
• Overcurrent, Voltage Sag, and Voltage Swell Detection
• Ultra-fast On-chip Digital Calibration
• Internal Register Protection via Checksum and Write Protection
• UART/SPI™ Serial Interface
• On-chip Temperature Sensor
• On-chip Voltage Reference (25ppm /℃ Typ.)
• Single 3.3V Power Supply
• Ultra-fine Phase Compensation
• Low Power Consumption: <13mW
• Power Supply Configurations GNDA = GNDD = 0V, VDDA = +3.3V
• 4mm x 4mm, 24-pin QFN Package

图1. CS5480方框图

图2. CS5480单相三线连接框图

图3. CS5480单相两线连接框图
CDB5480U评估板
The CDB5480U is an extensive tool designed to evaluate the functionality and performance of the Cirrus Logic CS5480 power/energy measurement device.
Multiple analog input connection options, configuration input filters, direct and isolated digital interfaces, multiple power supply options, an onboard programmable micro-controller, and visual LEDs with an LCD panel make the board a flexible and powerful customer development tool for various power/energy measurement applications.
The GUI software provides easy and complete access to the onboard CS5480 device. In addition, it includes the function of raw ADC data collection with time domain, frequency domain, and histogram analysis.
CDB5480U评估板主要特性:
• Standalone Power Meter Application
• Voltage and Current Interfaces
• Low- and High-voltage Sensor Connections
• Adaptable Sensor Filters Onboard
• USB Communication with PC
• UART/SPI Optically Isolated Communication
• Onboard C8051F342 Microcontroller
• Single Supply Operation USB or 5V
• Onboard DC-DC Converter and Regulator
• LCD Power Monitor Display
• LabWindows®/CVI® GUI Software
– Full Register Setup & Chip Control
– Simplified Register Access
– Quick Calibration Control
FFT Analysis
– Time Domain Analysis
– Noise Histogram Analysis
• Voltage Reference Access
CDB5484/80/90 Evaluation Boards

图4. CDB5484/80/90评估板外形图
The CDB5484/80/90U boards are designed to evaluate the functionality and performance of the CS5484/80/90 energy measurement IC family. Shunt resistors, current transformers or Rogowski coils can be connected to the analog inputs. Intuitive GUI software provides easy and full access to the on-board CS5484/80/90 device and MCU. On-board LEDs and LCD displays enable stand alone operation for extended testing. These CDBs enable fast and easy preliminary evaluation of Cirrus Logic’s AFE products

图5. CDB5484/80/90评估板方框图

图6. CS5480并联传感器电表连接图

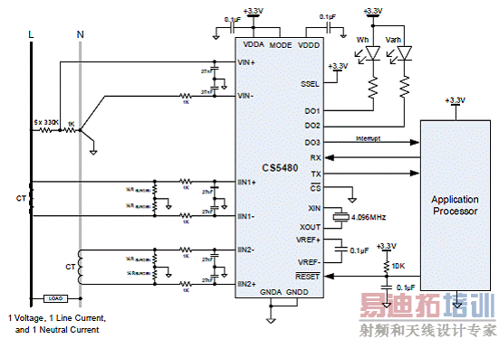
图7. CS5480电流变压器电表连接图

图8. CS5480 Rogowski线圈电表连接图

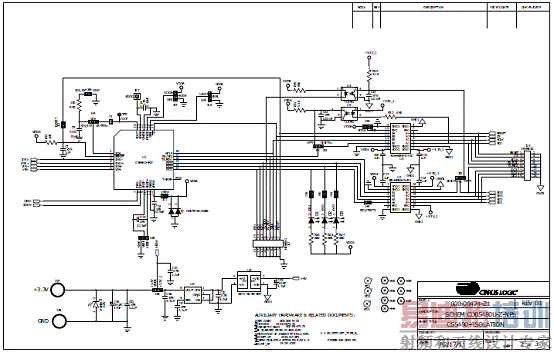
图9. CS5480评估板电路图:模拟输入

图10. CS5480评估板电路图:CS5480和插座

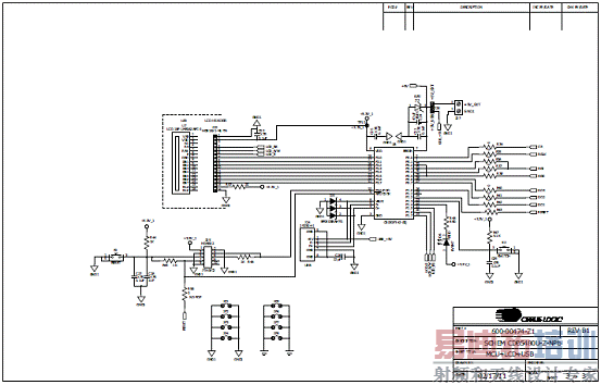
图11. CS5480评估板电路图:MCU和USB接口
CS5480评估板材料清单(BOM):



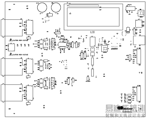
图12. CS5480评估板元件布局图:顶层

图13. CS5480评估板PCB布局图:顶层

图14. CS5480评估板PCB布局图:底层
详情请见:
http://www.cirrus.com/en/pubs/proDatasheet/CS5480_F1_v2.pdf
和
http://www.cirrus.com/en/pubs/rdDatasheet/CDB5480U_DB3.pdf
The CS5480 incorporates independent, 4th order, Delta-Sigma analog-to-digital converters for every channel, reference circuitry, and the proven EXL signal processing core to provide active, reactive, and apparent energy measurement. In addition, RMS and power factor calculations are available.
Calculations are output via configurable energy pulse, or direct UART/SPI™ serial access to on-chip registers.
Instantaneous current, voltage, and power measurements are also available over the serial port. Multiple serial options are offered to allow customer flexibility. The SPI provides higher speed, and the 2-wire UART minimizes the cost of isolation where required.
Three configurable digital outputs provide energy pulses, zerocrossing, energy direction, and interrupt functions. Interrupts can be generated for a variety of conditions including voltage sag or swell, overcurrent, and more. On-chip register integrity is assured via checksum and write protection. The CS5480 is designed to interface to a variety of voltage and current sensors including shunt resistors, current transformers, and Rogowski coils.
On-chip functionality makes digital calibration simple and ultra- fast, minimizing the time required at the end of the customer production line. Performance across temperature is ensured with an on-chip voltage reference with very low drift.
A single 3.3V power supply is required, and power consumption is very low at <13mW. To minimize space requirements, the CS5480 is offered in a low-cost, 4mm x 4mm 24-pin QFN package.
CS5480主要特性:
Des cription
• Superior Analog Performance with Ultra-low Noise Level & High SNR
• Energy Measurement Accuracy of 0.1% over 4000:1 Dynamic Range
• Current RMS Measurement Accuracy of 0.1% over 1000:1 Dynamic Range
• 3 Independent 24-bit, 4th-order, Delta-Sigma Modulators for Voltage and Current Measurements
• 3 Configurable Digital Outputs for Energy Pulses, Zero-crossing, or Energy Direction
• Supports Shunt Resistor, CT, & Rogowski Coil Current Sensors
• On-chip Measurements & Calculations:
- Active, Reactive, and Apparent Power
- RMS Voltage and Current
- Power Factor and Line Frequency
- Instantaneous Voltage, Current, and Power
• Overcurrent, Voltage Sag, and Voltage Swell Detection
• Ultra-fast On-chip Digital Calibration
• Internal Register Protection via Checksum and Write Protection
• UART/SPI™ Serial Interface
• On-chip Temperature Sensor
• On-chip Voltage Reference (25ppm /℃ Typ.)
• Single 3.3V Power Supply
• Ultra-fine Phase Compensation
• Low Power Consumption: <13mW
• Power Supply Configurations GNDA = GNDD = 0V, VDDA = +3.3V
• 4mm x 4mm, 24-pin QFN Package

图1. CS5480方框图

图2. CS5480单相三线连接框图

图3. CS5480单相两线连接框图
CDB5480U评估板
The CDB5480U is an extensive tool designed to evaluate the functionality and performance of the Cirrus Logic CS5480 power/energy measurement device.
Multiple analog input connection options, configuration input filters, direct and isolated digital interfaces, multiple power supply options, an onboard programmable micro-controller, and visual LEDs with an LCD panel make the board a flexible and powerful customer development tool for various power/energy measurement applications.
The GUI software provides easy and complete access to the onboard CS5480 device. In addition, it includes the function of raw ADC data collection with time domain, frequency domain, and histogram analysis.
CDB5480U评估板主要特性:
• Standalone Power Meter Application
• Voltage and Current Interfaces
• Low- and High-voltage Sensor Connections
• Adaptable Sensor Filters Onboard
• USB Communication with PC
• UART/SPI Optically Isolated Communication
• Onboard C8051F342 Microcontroller
• Single Supply Operation USB or 5V
• Onboard DC-DC Converter and Regulator
• LCD Power Monitor Display
• LabWindows®/CVI® GUI Software
– Full Register Setup & Chip Control
– Simplified Register Access
– Quick Calibration Control
FFT Analysis
– Time Domain Analysis
– Noise Histogram Analysis
• Voltage Reference Access
CDB5484/80/90 Evaluation Boards

图4. CDB5484/80/90评估板外形图
The CDB5484/80/90U boards are designed to evaluate the functionality and performance of the CS5484/80/90 energy measurement IC family. Shunt resistors, current transformers or Rogowski coils can be connected to the analog inputs. Intuitive GUI software provides easy and full access to the on-board CS5484/80/90 device and MCU. On-board LEDs and LCD displays enable stand alone operation for extended testing. These CDBs enable fast and easy preliminary evaluation of Cirrus Logic’s AFE products

图5. CDB5484/80/90评估板方框图

图6. CS5480并联传感器电表连接图

图7. CS5480电流变压器电表连接图

图8. CS5480 Rogowski线圈电表连接图

图9. CS5480评估板电路图:模拟输入

图10. CS5480评估板电路图:CS5480和插座

图11. CS5480评估板电路图:MCU和USB接口
CS5480评估板材料清单(BOM):



图12. CS5480评估板元件布局图:顶层

图13. CS5480评估板PCB布局图:顶层

图14. CS5480评估板PCB布局图:底层
详情请见:
http://www.cirrus.com/en/pubs/proDatasheet/CS5480_F1_v2.pdf
和
http://www.cirrus.com/en/pubs/rdDatasheet/CDB5480U_DB3.pdf


