- 易迪拓培训,专注于微波、射频、天线设计工程师的培养
电机位置检测和转速测量研究
在电机的闭环控制系统中,由于需要实时获得电机的位置和转速信息,高速、高精度的传感器以及相应的处理电路是必不可少的。光电编码器输出数字信号,容易实现高分辨率、高精度的检测,在现代电机检测技术中得到了广泛的应用。TI公司2000系列的DSP是目前控制领域最先进的处理器之一,其最新产品的工作频率高达150MHz,大大提高了控制系统的控制精度和实时处理信息的能力,其特有的QEP电路和光电编码器的配合使用为电机位置和转速测量提供了完美的解决方案。
1.DSP/QEP电路简介
以TI公司控制领域最新产品TMS320F2812为例,它的正交编码脉冲(QEP)电路和捕获单元共用输入引脚,分别为CAPl/QEPl、CAP2/QEP2、CAP3/QEPIl(对于EVA),CAP4/QEP4、CAP5/QEP5、CAP6/QEPI2(对于EVB),可以通过设置相应的捕获单元控制寄存器使能QEP电路而禁止其捕获功能。QEP电路可以对固定在电机轴上的光电编码器产生的正交编码脉冲A、B路信号进行解码和计数,从而获得电机的位置和速率等信息。
光电编码器的正交编码脉冲输入到DSP的CAPl/QEPl、CAP2/QEP2脚,通常选择通用定时器T2(EVA)对输入的正交脉冲进行解码和计数。要使QEP电路正常工作,必须使T2工作在定向增/减模式,在此模式下,QEP电路不仅为定时器T2提供计数脉冲,而且还决定了它的计数方向。QEP电路对输入的正交编码脉冲的上升沿和下降沿都进行计数,因此对输入的正交编码脉冲进行4倍频后作为T2的计数脉冲,并通过QEP电路的方向检测逻辑确定哪个脉冲序列相位超前,然后产生一个方向信号作为T2的方向输入,当电机正转时,T2增计数,当电机反转时,T2减计数。正交编码脉冲、定时器计数脉冲及计数方向时序逻辑如图1所示。

在QEP模式下,T2CNT计数到边沿时将自动翻转,当增计数到ffffh时将返回0重新开始增计数,当减到O时,翻转到ffffh重新开始减计数,由于在采样时间内计数脉冲的数目远小于T2CNT的周期数ffffh,所以在增/减计数过程中至多有一次翻转.,图2和图3分别描述了电机正转和反转时T2CNT的计数情况。

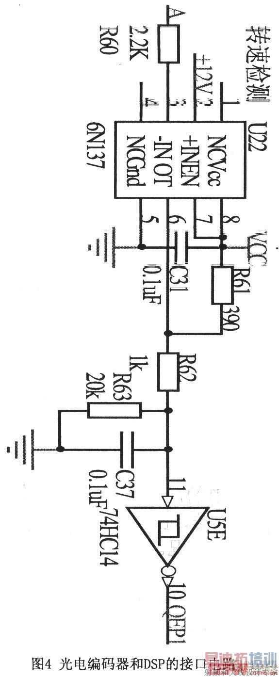
2.光电编码器和DSP的接口电路
光电编码器可以输出3路信号,其中A路和B路信号相位相差90°,光电编码器的输出的脉冲信号经过光电隔离、滤波整形后直接送到DSP的相应引脚,其接口电路如图4所示。其中6N137是高速光耦,实现模拟信号和数字信号的隔离,74Hel4是CMOS反相器,实现对信号的整形。


3.电机位置测量
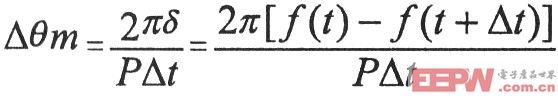
DSP/QEP电路将编码器送过来的脉冲数转换为绝对的转子轴机械位置,绝对的转子轴机械位置将存放在变量θm中。通过每一次采样周期△t内T2的计数脉冲的改变量δ,可以得到相应的位置增量△θm。如上图所示:f(t)和f(t+△t)分别表示两次相邻采样时刻的值,那么在△t时间内电机转子旋转的机械角度为:

其中:P为电机旋转一尉T2CNT的脉冲计数值
如图2所示:当T2增计数无翻转时,δ=f(t+△t)一f(t)当T2增计数有翻转时,δ=f(t+△t)-f(t)65536,此时θm=θm+△θm
如图3所示:当T2减计数无翻转时,δ=-[f(t+△t)一f(t,)]当T2减计数有翻转时,δ=-[f(t)一f(t+△t)+65536],此时θm=θm-△θm
4.电机转速测量
常见的电机测速方法主要有三种:M法、T法、和M/T法,由于M法比较适合高速的场合,而T法适合低速的场合,为了在整个调速范围内都得到较好的准确性,在这里我们选择M/T法,其原理如图5所示。

M1为测速脉冲计数值(对应前面的δ),M2为高频时钟脉冲计数值,△t为采样周期,虽然在M1个计数脉冲内,M2存在多一个少一个的误差,但由于时钟脉冲的频率远高于计数脉冲频率,引起的误差可以忽略,所以转速的计算公式为:
![]()
其中F为时钟脉冲的频率
5. 结束语
本文利用光电编码器和DSP/QEP电路实现了电机闭环控制系统转子位置及转速的测量,并在电机的仿真试验中得了较好的效果。实践证明,光电编码器和DSP/QEP的配合使用有利于提高伺服系统的控制精度,并为不同控制领域提供了高性能的数字解决方案。
上一篇:矩阵键盘原理与结构
下一篇:高频窄脉冲信号幅值测量系统的设计


