- 易迪拓培训,专注于微波、射频、天线设计工程师的培养
物品离身(遗失)报警器
将报警器放置在携带的物品中.当忘记物品的放置地点、或因物品被盗而离开自己一定距离时.报警器就会发出警报声。
报警器分两部分.一部分是UHF发射器,另一部分是AM超再生接收器。
1.发射器电路
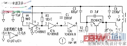
UHF发射器电路如图1,晶体管Tr1及周边元件组成变形的科尔皮兹LC振荡电路,产生314MHz载波。线圈L1兼作发射天线,其尺寸如图2,用单股铜线制成;如是批量生产.可在印板上刻蚀铜箔制成。Tr1选用ft=600MHz以上的晶体管。Ct1为陶瓷半可变电容器,用于调整振荡频率。调整时需用非金属“一”字形螺丝刀。可用竹筷削成。为防止杂散电容的影响,C1的值只要能保证顺利起搌即可.在图1中,C1与杂散电容的和约为5pF。
CMOS反相电路IC1a、1b组成RC振荡器产生2kHz调制波,其输出经IC1c缓冲、D1整流后加到Tr1的基极形成偏置电压。调制波形从变成“H”到振荡开始的时间约268ns。调制波的频率不能超过3.7MHz。
因电路频率较高,注意振荡电路中各元件均按最短距离安装。
2.接收器电路
接收器采用超再生电路,如图3.晶体管Tr2及周边元件组成超再生解调电路.L1及C5为振荡元件,断续振荡频率约1.7MHz;L2及Ct1为调谐元件。线圈L2的尺寸如图4。
反相器IC2a、b接成线性放大器,将检波输出(约100mV)放大到逻辑电平(3v),使解调波形的上升沿十分陡峭。二极管D3、D4作峰值检波,利用IC2c的阈值来判别信号的有无。
IC2e、2f接成RC振荡器.振荡频率与压电蜂鸣器的谐振频率相同.由R2、C1决定;当IC2c输出为“H”时.振荡输出经IC2d驱动压电蜂鸣器。发出警报声。
3.使用方法
当用于防止物品丢失或防盗时.将发射器放在物品中,并使开关“ON”,接收器随身携带。当离开物品一定距离后.接收器因收不到电波而开始报警。
当用于搜寻物品时,将接收器放置在物品中,发射器随身携带。若忘记物品放置地点,只要关断发射器电源。物品中的接收器就会发出报警声。
发射器和接收器的互动距离约15m。

上一篇:三坐标测量仪介绍
下一篇:基于嵌入式的裂纹实时测量系统的设计


