- 易迪拓培训,专注于微波、射频、天线设计工程师的培养
飞机电源参数测试设备设计
当前,飞机上电力电子设备日益多样化、复杂化,飞机电源系统的品质直接影响飞行安全。因此在进行飞行时,需要对飞机提供的直流电源、交流电源进行工作特性测量,并给出其参数的基本特性和动态特性。
对于电源瞬态特性参数,目前没有相应的测量设备,从而需研制专用的瞬态电源动态特性参数测量设备对其进行测试,以满足民机适航性试飞要求。
本设备是一种专用测试设备,主要用于飞机交、直流电网参数采集测试,捕获飞机电源系统的负荷突变、电压突变,然后提供给地面数据卸载及预处理系统,以评估被测飞机电网络供电特性是否满足相关国军标或设计规范的要求。
一、飞机电源特性参数
飞机电源系统是飞机上电能产生、调节、控制和电能变换部分的总称。飞机电源系统由交流电源系统和直流电源系统组成,交流电源系统向机上交流电网提供115/200V,400Hz三相交流电。直流电源系统向机上直流网路提供27V 低压直流电。
根据飞行科目要求,设备需测量飞机交流电源系统、直流电源系统的稳态参数和瞬态参数,包括稳态交流电压、瞬态交流电压、稳态交流电流、瞬态交流电流、稳态频率、瞬态频率、电压相位差、畸变频谱幅值、直流畸变等46 种参数。
电源参数的测试准确度遵照GJB5189-2003 的规定:稳态交、直流电压测量在电压为额定值时相对误差在0.2%范围内,瞬态交、直流电压测量在电压为最大极限时相对误差在0.5%范围内,交、直流电流测量在电流为额定值时相对误差在0.8%范围内。
二、总体设计
飞机电源瞬态特性参数测试设备主要由嵌入式CPCIE/CPCI 计算机、4 块12 通道数据采集卡、IRIG-B 时码卡、 ARINC429 总线板卡、以及前端电压、电流测量传感器组成一个集成化、标准化的飞行电源动态特性参数测量设备。
该设备面向试飞工程师、数据处理工程师以及其它相关人员,为他们提供电源动态特性参数测试数据。
2.1 总体结构
电源瞬态特性参数测试设备包括传感器、信号调理设备、信号采集记录器、编程加载装置等。其中信号采集记录器由采集机箱、控制器板卡、ARINC429 总线板卡、时码板卡、高速数据采集板卡、可拆卸固态记录器、显示器及键盘等组成,如图1 所示:

图1 电源瞬态特性参数测试设备结构图
本设备的输入信号包括:电压、电流信号,IRIG-B 时码信号和429 总线信号。其中,机载电源的电压、电流信号,通过传感器、信号调理设备将实际的电压电流信号转成适合板卡的电压信号。整套设备与机载电源隔离,不会对飞机干扰飞机正常工作。
2.2 硬件组成
传感器主要用于交直流电流的变换,本测试设备的被测试信号包括电压信号和电流信号,电压信号直接分压后进入测试设备,以增加系统的带宽,改善系统的动态性能;电流信号由电流传感器变换后进入测试设备。
为了提高抗干扰性能和动态性能,选用霍尔电流传感器,将交直流电流转换成200mA 以下的交直流小电流输入到信号调理设备。
信号调理设备完成信号的调理,主要包括电压信号的衰减、电流-电压信号的转换、交、直流电压畸变信号和交流电压直流分量的调理等功能。调理后的模拟信号送入数据采集设备进行采样。
采集器为3U CPCIE 机载计算机,主要包括CPU 卡、电源数据采集卡、IRIG-B 时码卡、429 总线卡、以及SATA 扩展口,其组成如图2 所示:

图2 采集器组成结构图。 [p]
本采集设备主要用于捕获飞机电源系统的负荷突变、电压突变,属于偶发现象,电源突变频谱成分高,需要非常高的采样率。
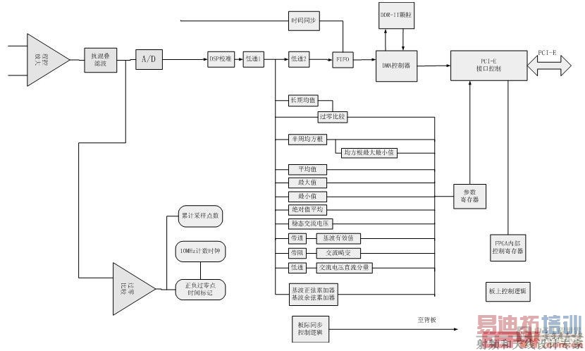
CPCI 电源数据采集卡是本设备的核心关键部分。选用16位高精度数据采集卡,板卡有12 个同步采样通道,每个通道有独立8 档程控增益放大器、抗混迭滤波器、过零比较器、16 位A/D 转换器和12 通道共享的内置192 核DSP 的FPGA 芯片组成。有效提高了带宽,满足板上所有通道同步采集的数据传输的需求。主要功能框图如图3 所示:

图3 CPCI 电源数据采集卡功能框图。
信号经过滤波放大之后,通过A/D 采集;采集结果进入FPGA,FPGA 完成大部分的数据处理,将半成品数据的结果通过高速接口PCIE 总线上传给上位机,上位机完成最后的数据处理。FPGA 的主要功能包括:光纤通道(FC)数据接收、时统功能、背板ASB 总线提供100MHz 的时间标记、数据分析处理(过零点发现、数字滤波、数字信号处理)、PCI-E 接口控制。
系统采用IRIG-B 时码同步机制,通过以太网或PCM 数据将电源数据、异常事件信息发送到测试以太网上供地面数据预处理系统使用。
3.传感器设计
交流、直流电压测量传感器设计成统一通用的传感器。
传感器输入采样两个4 芯航空插头,每个航空插头可接一组三相交流电压或三路直流电压。传感器采用28V 直流供电。
传感器信号输出采用光纤与采集器连接。光纤为2.5G 高速光纤2 根。1 根用于采集器向传感器发送同步信号,另一根用于传感器向采集器发送数据。传感器通过3 个按钮开关进行设置,开关带锁住功能,防止误动作。传感器的设置状态随测试数据一起发送给采集器,连接图如图4 所示:

图4 传感器与采集器连接图。
三、结束语
飞机电源瞬态特性参数测试设备是对飞机供电系统性能参数测试的主要手段,是保证飞机电气系统正常运行的重要环节。本测试设备不仅实现了测量GJB5189-2003 中规定的一些需采用特殊数据采集和分析方法才能测量的参数,还可以实时纪录多个通道的信号波形,在飞机供电特性测试时可以代替示波器、万用表和频谱分析仪等仪器、仪表的功能,形成了具有自动化、开放、灵活的综合检测试验设备。
上一篇:用于无线数据测量的SAW滤波器
下一篇:采用虚拟仪表实现液压装置的动特性测试和仿真


