- 易迪拓培训,专注于微波、射频、天线设计工程师的培养
齿轮流量计在机床液压系统中的应用
录入:edatop.com 点击:
机床液压系统作为辅助动力源,是机床不可或缺的一部分,如主轴松卡刀、重力平衡、功能部件卡紧松开、刀库驱动等都离不开液压驱动。为确保机床可靠运行,每执行一个动作命令,在动作完成后必须检测到可靠的动作完成信号,才能执行下一步动作,以防止错误信号引起机床误动作,导致安全事故的发生。因而机床液压系统执行元件到位信号检测非常重要。
流量计作为检测元件广泛应用于煤炭、石化行业,作为流量检测控制元件,高精度流量计在航空航天液压伺服控制系统中有一定的应用,但较少在常规的机床液压系统中应用。文中基于流量计发出的脉冲数可真实反映油缸行程的原理,将齿轮流量计应用在机床液压系统中,解决了以往系统设计上的不足,取得了不错的效果。
1 齿轮流量计简介
流量计种类较多,功能原理大不相同,应用领域也有所不同。齿轮流量计是根据齿轮马达原理,两圆柱齿轮在测量腔内由液流驱动无接触运行;齿轮的运动由位于盖板内的两个无接触的传感器检测,在传感器室和计量环室之间,装有一非磁性抗压隔板;当计量机构转动一个齿时,传感器发出一脉冲信号,对应一个齿的油量ΔV通过流量计,通过前置放大器,把信号转换为一方波信号;两通道检测,可有更高的分辨率,并确认流量方向。
齿轮流量计,精度较高,黏温特性好,工作压力高,价格相对较低,适合在机床液压系统中应用。其结构如图1所示。
2.1 卡紧松开到位检测应用
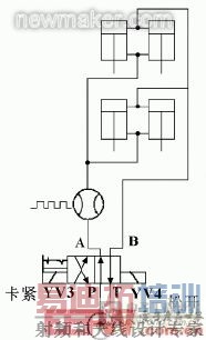
机床上液压卡紧松开辅助动作很多,如:主轴松卡刀,伺服轴抱闸松卡,交换托盘时拖盘的松卡,交换双摆头时双摆头的松卡等。而执行卡紧松开动作的油缸多植入在各功能部件内部,由于机械结构紧凑,很难在内部直接安装接近开关或位移传感器以获取位置进行到位信号。有些功能部件在结构允许的情况下,将活塞位移动作传递到功能部件外部再进行检测,如主轴松卡刀、转台松卡等。但旋转轴环形抱闸、托盘卡紧拉钉、双摆头交换拉钉等,使用时需将卡紧机构插装在机械体内部,由于结构所限就无法直接测得位移信号。通常做法是采用压力信号来代替位移信号,即松卡压力达到设定值不变标志着活塞运动停止,从而间接判断松卡动作已完成,原理图如图2所示。但如果由于某些原因导致油缸在中间位置卡死时,就会发出错误信号,造成机床误动作,导致安全事故的发生。
具有托盘交换功能的机床,托盘交换器升降多采用液压驱动,为了避免托盘交换器、托盘及转台之间的冲击,需要在其相互接触之前切换为低速,接触之后高速运行。通常做法是在油缸行程过程中设置行程开关或接近开关,发出速度切换信号,原理图如图4所示。此方案的缺点是:(1)设置行程开关或接近开关需要一定的空间;(2)设定点调整不便,且设定点个数受空间所限;(3)易受环境干扰,发出错误信号。
为解决上述问题,该公司采用在高速立式加工中心托盘交换器液压回路上配置齿轮流量计的方法,提升油缸位移测量,在油缸行程中间位置设定相应的速度切换点,从而实现托盘交换器速度控制,原理图如图5所示。
lset为设定发讯点位置;
l0为油缸总行程;
D为油缸直径;
ΔV为流量计几何容积。
3 结语
基于发出的脉冲数可真实反映油缸行程的原理,齿轮流量计可应用于液压系统中进行位置监控与检测。齿轮流量计具有不占用机械设计空间、位置检测设定点灵活、不易受环境干扰等优点,在机床液压系统中有着比较广阔的应用前景。
流量计作为检测元件广泛应用于煤炭、石化行业,作为流量检测控制元件,高精度流量计在航空航天液压伺服控制系统中有一定的应用,但较少在常规的机床液压系统中应用。文中基于流量计发出的脉冲数可真实反映油缸行程的原理,将齿轮流量计应用在机床液压系统中,解决了以往系统设计上的不足,取得了不错的效果。
1 齿轮流量计简介
流量计种类较多,功能原理大不相同,应用领域也有所不同。齿轮流量计是根据齿轮马达原理,两圆柱齿轮在测量腔内由液流驱动无接触运行;齿轮的运动由位于盖板内的两个无接触的传感器检测,在传感器室和计量环室之间,装有一非磁性抗压隔板;当计量机构转动一个齿时,传感器发出一脉冲信号,对应一个齿的油量ΔV通过流量计,通过前置放大器,把信号转换为一方波信号;两通道检测,可有更高的分辨率,并确认流量方向。
齿轮流量计,精度较高,黏温特性好,工作压力高,价格相对较低,适合在机床液压系统中应用。其结构如图1所示。
图1 齿轮流量计结构示意图
2.1 卡紧松开到位检测应用
机床上液压卡紧松开辅助动作很多,如:主轴松卡刀,伺服轴抱闸松卡,交换托盘时拖盘的松卡,交换双摆头时双摆头的松卡等。而执行卡紧松开动作的油缸多植入在各功能部件内部,由于机械结构紧凑,很难在内部直接安装接近开关或位移传感器以获取位置进行到位信号。有些功能部件在结构允许的情况下,将活塞位移动作传递到功能部件外部再进行检测,如主轴松卡刀、转台松卡等。但旋转轴环形抱闸、托盘卡紧拉钉、双摆头交换拉钉等,使用时需将卡紧机构插装在机械体内部,由于结构所限就无法直接测得位移信号。通常做法是采用压力信号来代替位移信号,即松卡压力达到设定值不变标志着活塞运动停止,从而间接判断松卡动作已完成,原理图如图2所示。但如果由于某些原因导致油缸在中间位置卡死时,就会发出错误信号,造成机床误动作,导致安全事故的发生。
图2 压力开关检测松卡到位信号原理图
图3 流量计检测松卡到位信号原理图

表1 检测脉冲数与拉钉状态对应关系 
具有托盘交换功能的机床,托盘交换器升降多采用液压驱动,为了避免托盘交换器、托盘及转台之间的冲击,需要在其相互接触之前切换为低速,接触之后高速运行。通常做法是在油缸行程过程中设置行程开关或接近开关,发出速度切换信号,原理图如图4所示。此方案的缺点是:(1)设置行程开关或接近开关需要一定的空间;(2)设定点调整不便,且设定点个数受空间所限;(3)易受环境干扰,发出错误信号。
为解决上述问题,该公司采用在高速立式加工中心托盘交换器液压回路上配置齿轮流量计的方法,提升油缸位移测量,在油缸行程中间位置设定相应的速度切换点,从而实现托盘交换器速度控制,原理图如图5所示。


lset为设定发讯点位置;
l0为油缸总行程;
D为油缸直径;
ΔV为流量计几何容积。
3 结语
基于发出的脉冲数可真实反映油缸行程的原理,齿轮流量计可应用于液压系统中进行位置监控与检测。齿轮流量计具有不占用机械设计空间、位置检测设定点灵活、不易受环境干扰等优点,在机床液压系统中有着比较广阔的应用前景。
上一篇:电磁流量计在固含量高的矿浆液中的应用
下一篇:简述孔板流量计测量产生误差的原因


