- 易迪拓培训,专注于微波、射频、天线设计工程师的培养
热力驱动式无线蒸汽涡街流量计的设计
录入:edatop.com 点击:
温差发电是利用热电转换材料将热能转化为电能的全静态发电方式,具有无噪音、无污染、无磨损、寿命长、体积小等优点,但其输出电压波动大、输出功率小,适用于微小功率的设备使用。
温差发电有完善的物理理论基础和成熟的温差发电片制造技术的支持,从20世纪60年代开始,陆续有一批温差发电机成功用于航天飞机和军事领域。近几年随着温差发电片生产成本的降低与转换效率的不断提高,温差发电技术在工业和民用方面表现出了良好的应用前景。
德国Micropelt公司用MEMS薄膜热电技术,在1mm2的面积内布置了100多个热电偶。该公司的温差发电片MPG-D651,面积仅为8.4mm2,每10℃的温差能产生1.4V电压。该公司与施耐德公司合作生产的用于安装在电力母线上的温度 传感器 具有无需更换电池的特点。美国Hi-Z公司为车辆余热转换研制的一种热电模块,由71对碲化铋热电偶连接起来,模块在温差200℃时,输出电压为2.38V,功率为19W。日本精工仪器公司研制出一种利用人的体温发电的手表用电池,是使用Bi-Te材料制成的温差发电部件,电池尺寸为2mm×2mm×1.3mm,由50个热电偶串联组成,1℃的温差可产生20mV的电压,输出功率为1μW。
温差发电的基本原理是塞贝克效应。当温差发电片热端置于高温环境(TH)中、冷端置于低温环境(TL)(相对于热端)中时,就会产生电势差VOC。
如图1所示,温差发电片的基本单元是热电偶,它由P型、N型半导体通过金属导流片连接在一起,当给热端施加热源时,N型半导体中带负电的自由电子会向冷端扩散,P型半导体中带正电的空穴向冷端扩散,这样形成了由N向P的电流,在冷端形成电势差。如图2所示,一个成型的温差发电片是由若干个这样的热电偶对串联而成。
低功耗仪表的设计技术其电路采用低功耗器件、低电压、较低的工作频率以及部件可睡眠的工作方式。图3是本文研制的低功耗蒸汽涡街流量计的组成框图,从功能看相当于把温度传感器、压力传感器、涡街流量变送器、流量积算仪集成在一起的可电池供电的自动化仪表。
微控制器(MCU)的选择是智能仪器设计的关键之一。本文采用TI公司的16bit超低功耗微处理器MSP430-F5438A,它具有集成度高、性价比好等优点。
涡街流量计测量流体的流量为体积流量,而在蒸汽贸易结算时采用质量流量,因此需要根据蒸汽的温度和压力求取蒸汽的密度。温度传感器采用PT1000,压力传感器采用扩散硅压阻式传感器MB18,传感信号调理电路采用MAXIM公司的18bitA/D转换器MAX1403。MAX1403包含恒流激励源、程控放大器、多个差分输入通道等资源,工作电流约为250μA,在低功耗模式下仅为2μA。为了降低整个系统的功耗,A/D采样的时间间隔是可以设定的,不采样时关断MAX1403。
无线数据通信简化了布线问题。CC1101是TI公司的低成本单片UHF收发器,具有功耗低、使用简单等特点;支持多种调制格式,载波频率可在300~348MHz、400~464MHz和800~928MHz等范围内选择;数据传输率最高可达500Kb/s。本文采用433MHz载波,用SPI接口与CC1101连接。应用CC1101的Wake-On-Radio(WOR)功能,即在无需MCU干预下周期性地从睡眠模式醒来侦听数据包。一旦侦听到有效数据,向MCU产生中断,MCU可及时接收数据,数据处理完毕后进入CC1101的发送模式,数据发送完毕,再进入侦听模式,以降低功耗。通信协议的应用层采用MODBUS协议。
为保证低功耗和宽温的性能,流量计需要根据显示内容而定制LCD,因此采用集成串行接口的LCD驱动芯片HT1621;4个按键分别为功能键、移位键、数字键和退出键,用于参数设置;被设置的参数以及记录的数据存放在I2C接口、容量为128KB的E2PROM芯片FM25V10中。
2 温差发电片的选择和安装
常用蒸汽的温度在400℃以下。本设计所选用的中国纳米克公司的温差发电片(TEG),型号为TEP1-1263-3.4,尺寸为3cm×3cm×0.4cm,基片采用耐高温热电Bi-Te合成材料,热面可以在高达380℃的高温环境下连续工作,冷面则可以在高达180℃的环境下工作;由126个热电偶组成,最大能产生5W左右的功率,有充足的余量满足流量计的需要。
温差发电片安装示意图如图4所示。为避开太阳光的直射而升高冷面温度,取热位置选在涡街流量计的下方。由于TEG不能弯曲,而管道是圆柱形,为保证发电片充分受热和均匀受热,设计了一个导热性能好的铜质弧形导热体,该弧形导热体的弧面与管道通过纳米克公司的耐高温导热硅脂无缝连接,上平面则与温差发电片的热面贴在一起。为得到较大的温差,需要在TEG冷面采用导热性能好的散热片,且散热面积尽可能大。用保温材料包牢弧形导热体,以减少热量的散失。 [p]
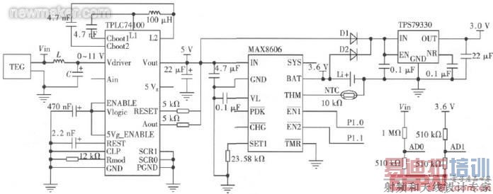
电能管理包括TEG的电能收集、锂电池充放电、TEG输出电压、锂电池状态检测和异常报警以及流量计各部件的工作状态控制等功能。如图5所示,电能管理电路由TEG、DC/DC、锂电池充电芯片、锂电池和稳压芯片组成。
3.1 TEG的电能采集
TEG的开路电压与温差的关系如图6所示,输出电压具有较宽的范围。为充分利用热能,本文选取TI公司的升/降压型DC/DC电源芯片TPIC74100-Q1采集TEG产生的电能。该芯片的输入电压范围从1.5V~40V,提供5V恒定输出电压;升/降压模式能自动切换,当输入电压低于5.8V时,进入升压模式;当输入电压超出5.8V时,进入降压模式。TPIC74100-Q1静态工作电流为10μA,可通过时钟调制器及可调节压摆率,减小系统中的电磁干扰(EMI)。
3.2 锂电池充电电路
当蒸汽管道中没有蒸汽流过以及蒸汽刚开始流过时,在TEG上不能形成较大的温差,不能产生电能。为避免流量计因工作不稳定而产生计量误差,需要用后备电池。所选用的锂电池是UltraFire16340(3.7V,880mAH),其有效充放电次数为1000次左右。
锂电池的充电过程是一个复杂的电化学过程,过度充电和深度放电,都会使电池容量衰减较快,电池寿命缩短。因此需要监测电池的电压,在电池电压达到额定值时停止充电。在进行大电流充电时需要用热敏电阻监测电池的温度,以调节充电电流,防止因电池内部过热而爆炸。为保证锂电池的充电效率、使用寿命及安全性,常采取先恒流后恒压的两段式充电方式对锂电池进行充电。本设计选用MAX8606来管理锂电池的充电过程。
3.3 电压监测和异常判断
为保证系统的可靠运行,图5中,AD0、AD1与MCU的12bitA/D输入端连接,分别监测TEG和锂电池的输出电压。当AD0偏低且有流量信号时,表明TEG部分故障;当通过AD1转换值估算的锂电池输出电压小于3.2V时,表明锂电池输出电压不足,锂电池有可能得不到及时地充电或内部损坏。在这些异常情况下,MCU产生并发送报警信息,以便工作人员及时处理。
4 实验
实验时,涡街流量计在3.6V锂电池供电的情况下进行功耗测试,其结果如表1所示。由表可知,整机的最大工作电流接近30mA,即需要电源能输出的功率为0.108W,其中无线通信电路连续运行时大约占用了92.7%的整机功耗。
热端温度从室温开始上升至135℃,此时冷端温度约为30℃,流量计开始正常工作;当锂电池输出电压为3.6V(电量充满)时,测试TEG输出端的电压为2.37V,整个系统电流消耗最大为30.72mA;没有无线通信和采样时,电流消耗为0.95mA。
当在有蒸汽流过管道、温差发电片两端的温差至少在105℃时,能给系统提供持续、稳定的电源;当温差至少在155℃时能给欠压的锂电池充电。
温差发电和无线通信技术的应用,摒弃了传统自动化仪表布线繁锁的缺点,实现了无电源线和数据线的新型蒸汽涡轮流量计,该流量计具有较好的实用价值。(end)
温差发电有完善的物理理论基础和成熟的温差发电片制造技术的支持,从20世纪60年代开始,陆续有一批温差发电机成功用于航天飞机和军事领域。近几年随着温差发电片生产成本的降低与转换效率的不断提高,温差发电技术在工业和民用方面表现出了良好的应用前景。
德国Micropelt公司用MEMS薄膜热电技术,在1mm2的面积内布置了100多个热电偶。该公司的温差发电片MPG-D651,面积仅为8.4mm2,每10℃的温差能产生1.4V电压。该公司与施耐德公司合作生产的用于安装在电力母线上的温度 传感器 具有无需更换电池的特点。美国Hi-Z公司为车辆余热转换研制的一种热电模块,由71对碲化铋热电偶连接起来,模块在温差200℃时,输出电压为2.38V,功率为19W。日本精工仪器公司研制出一种利用人的体温发电的手表用电池,是使用Bi-Te材料制成的温差发电部件,电池尺寸为2mm×2mm×1.3mm,由50个热电偶串联组成,1℃的温差可产生20mV的电压,输出功率为1μW。
温差发电的基本原理是塞贝克效应。当温差发电片热端置于高温环境(TH)中、冷端置于低温环境(TL)(相对于热端)中时,就会产生电势差VOC。

如图1所示,温差发电片的基本单元是热电偶,它由P型、N型半导体通过金属导流片连接在一起,当给热端施加热源时,N型半导体中带负电的自由电子会向冷端扩散,P型半导体中带正电的空穴向冷端扩散,这样形成了由N向P的电流,在冷端形成电势差。如图2所示,一个成型的温差发电片是由若干个这样的热电偶对串联而成。

低功耗仪表的设计技术其电路采用低功耗器件、低电压、较低的工作频率以及部件可睡眠的工作方式。图3是本文研制的低功耗蒸汽涡街流量计的组成框图,从功能看相当于把温度传感器、压力传感器、涡街流量变送器、流量积算仪集成在一起的可电池供电的自动化仪表。
图3 无线涡街流量计框图
微控制器(MCU)的选择是智能仪器设计的关键之一。本文采用TI公司的16bit超低功耗微处理器MSP430-F5438A,它具有集成度高、性价比好等优点。
涡街流量计测量流体的流量为体积流量,而在蒸汽贸易结算时采用质量流量,因此需要根据蒸汽的温度和压力求取蒸汽的密度。温度传感器采用PT1000,压力传感器采用扩散硅压阻式传感器MB18,传感信号调理电路采用MAXIM公司的18bitA/D转换器MAX1403。MAX1403包含恒流激励源、程控放大器、多个差分输入通道等资源,工作电流约为250μA,在低功耗模式下仅为2μA。为了降低整个系统的功耗,A/D采样的时间间隔是可以设定的,不采样时关断MAX1403。
无线数据通信简化了布线问题。CC1101是TI公司的低成本单片UHF收发器,具有功耗低、使用简单等特点;支持多种调制格式,载波频率可在300~348MHz、400~464MHz和800~928MHz等范围内选择;数据传输率最高可达500Kb/s。本文采用433MHz载波,用SPI接口与CC1101连接。应用CC1101的Wake-On-Radio(WOR)功能,即在无需MCU干预下周期性地从睡眠模式醒来侦听数据包。一旦侦听到有效数据,向MCU产生中断,MCU可及时接收数据,数据处理完毕后进入CC1101的发送模式,数据发送完毕,再进入侦听模式,以降低功耗。通信协议的应用层采用MODBUS协议。
为保证低功耗和宽温的性能,流量计需要根据显示内容而定制LCD,因此采用集成串行接口的LCD驱动芯片HT1621;4个按键分别为功能键、移位键、数字键和退出键,用于参数设置;被设置的参数以及记录的数据存放在I2C接口、容量为128KB的E2PROM芯片FM25V10中。
2 温差发电片的选择和安装
常用蒸汽的温度在400℃以下。本设计所选用的中国纳米克公司的温差发电片(TEG),型号为TEP1-1263-3.4,尺寸为3cm×3cm×0.4cm,基片采用耐高温热电Bi-Te合成材料,热面可以在高达380℃的高温环境下连续工作,冷面则可以在高达180℃的环境下工作;由126个热电偶组成,最大能产生5W左右的功率,有充足的余量满足流量计的需要。
温差发电片安装示意图如图4所示。为避开太阳光的直射而升高冷面温度,取热位置选在涡街流量计的下方。由于TEG不能弯曲,而管道是圆柱形,为保证发电片充分受热和均匀受热,设计了一个导热性能好的铜质弧形导热体,该弧形导热体的弧面与管道通过纳米克公司的耐高温导热硅脂无缝连接,上平面则与温差发电片的热面贴在一起。为得到较大的温差,需要在TEG冷面采用导热性能好的散热片,且散热面积尽可能大。用保温材料包牢弧形导热体,以减少热量的散失。 [p]
图4 安装示意图
电能管理包括TEG的电能收集、锂电池充放电、TEG输出电压、锂电池状态检测和异常报警以及流量计各部件的工作状态控制等功能。如图5所示,电能管理电路由TEG、DC/DC、锂电池充电芯片、锂电池和稳压芯片组成。
图5 电源管理电路图
图6 冷端温度30℃时,开路电压与热端温度的关系
3.1 TEG的电能采集
TEG的开路电压与温差的关系如图6所示,输出电压具有较宽的范围。为充分利用热能,本文选取TI公司的升/降压型DC/DC电源芯片TPIC74100-Q1采集TEG产生的电能。该芯片的输入电压范围从1.5V~40V,提供5V恒定输出电压;升/降压模式能自动切换,当输入电压低于5.8V时,进入升压模式;当输入电压超出5.8V时,进入降压模式。TPIC74100-Q1静态工作电流为10μA,可通过时钟调制器及可调节压摆率,减小系统中的电磁干扰(EMI)。
3.2 锂电池充电电路
当蒸汽管道中没有蒸汽流过以及蒸汽刚开始流过时,在TEG上不能形成较大的温差,不能产生电能。为避免流量计因工作不稳定而产生计量误差,需要用后备电池。所选用的锂电池是UltraFire16340(3.7V,880mAH),其有效充放电次数为1000次左右。
锂电池的充电过程是一个复杂的电化学过程,过度充电和深度放电,都会使电池容量衰减较快,电池寿命缩短。因此需要监测电池的电压,在电池电压达到额定值时停止充电。在进行大电流充电时需要用热敏电阻监测电池的温度,以调节充电电流,防止因电池内部过热而爆炸。为保证锂电池的充电效率、使用寿命及安全性,常采取先恒流后恒压的两段式充电方式对锂电池进行充电。本设计选用MAX8606来管理锂电池的充电过程。
3.3 电压监测和异常判断
为保证系统的可靠运行,图5中,AD0、AD1与MCU的12bitA/D输入端连接,分别监测TEG和锂电池的输出电压。当AD0偏低且有流量信号时,表明TEG部分故障;当通过AD1转换值估算的锂电池输出电压小于3.2V时,表明锂电池输出电压不足,锂电池有可能得不到及时地充电或内部损坏。在这些异常情况下,MCU产生并发送报警信息,以便工作人员及时处理。
4 实验
实验时,涡街流量计在3.6V锂电池供电的情况下进行功耗测试,其结果如表1所示。由表可知,整机的最大工作电流接近30mA,即需要电源能输出的功率为0.108W,其中无线通信电路连续运行时大约占用了92.7%的整机功耗。
热端温度从室温开始上升至135℃,此时冷端温度约为30℃,流量计开始正常工作;当锂电池输出电压为3.6V(电量充满)时,测试TEG输出端的电压为2.37V,整个系统电流消耗最大为30.72mA;没有无线通信和采样时,电流消耗为0.95mA。
表1 流量计在不同状态下的功耗测试表
当在有蒸汽流过管道、温差发电片两端的温差至少在105℃时,能给系统提供持续、稳定的电源;当温差至少在155℃时能给欠压的锂电池充电。
温差发电和无线通信技术的应用,摒弃了传统自动化仪表布线繁锁的缺点,实现了无电源线和数据线的新型蒸汽涡轮流量计,该流量计具有较好的实用价值。(end)
上一篇:涡街流量计的工作原理和特点
下一篇:体积管检定流量计运行状态监控系统的研制


