- 易迪拓培训,专注于微波、射频、天线设计工程师的培养
使用PXI模块化仪器测试电源管理芯片
标准的DC-DC转换器测试序列可测量电压准确度、效率、线性/负载调整率和瞬态响应等性能标准。 本文探讨了NI系统SMU所具有的功能、精度和速度如何完成许多过去使用电源、数字万用表、示波器进行的测试。
1. 测试元件示例

为了讨论典型低功率DC-DC转换器的系统设置和测试步骤,我们以TI的TPS54360为例。 如图1所示,TPS54360是用于汽车和通信系统的降压转换器。 它可以接受4.5~60 V的输入电压,并将这个电压范围下变频为0.8~58.8V的输出。 它的最大输出电流为3.5 A。
通过查看TPS54360 DC-DC转换器规范的每个参数,我们就可以确定验证这些值所需的硬件。
2. 电流消耗
当输出一个作为输入电池反馈电压的电压时,许多工程师会关注DC-DC转换器消耗的电流。 两个有用的电流参数是器件的关断电流和静态电流。
关断电流:如果要运行MAX8640Y DC-DC转换器,电压必须连接到SHDN引脚。 将SHDN引脚连接至GND或逻辑低电平会将芯片置于关断模式。 制造商通常感兴趣的是转换器在该状态下消耗的电源电流,该电流称为关断电流。
静态电流:静态电流指DC-DC转换器的另一端不施加任何负载时消耗的电源电流。 为了分析这个特性,测试工程师可以监测以100μV增量扫描电源电压时输入引脚所消耗的功率。 得到的可能是类似于图2所示的曲线图。


从表1可知,TPS54360的典型关断电流为2.25μA,典型静态电流为146μA。
构建您自己的测试系统
测试电流消耗的一个理想选择是NI PXIe-4139精确源测量单元(SMU),如图3所示。该模块连接芯片后不仅能够为芯片提供输入电压,而且可以测量芯片消耗的电流。 PXI-4139在1 μA范围内的电流测量分辨率100 fA,这个分辨率对于分析静态和关断电流以及毫微安范围的泄漏电流特性来说绰绰有余。 您可以在DC-DC转换器测试系统中使用这个精确电源来执行编程输出和扫描以及高准确度测量。

在接下来的部分中,我们将学习如何通过添加一个PXIe-4139和扩展功能来创建这个PXI系统。 阅读本文后,您将会了解如何使用所有必需的硬件来构建一个完整的PXI系统,以进行DC-DC转换器测试。
3. 施加负载
DC-DC转换器是专为负载这一个器件供电而设计的。 在DC-DC转换器应用中,负载电流是指在指定的功率电平下电路下游从DC-DC转换器吸收的电流。 如果在转换器的输出端施加一个负载,就可以分析许多常见工业参数的特性,包括效率与负荷的曲线、直流线性调整率、DC负载调整率和电流极限测试。
直流线性和负载调整率:当DC-DC转换器的电源电压从额定最大值扫描到额定最小值,同时芯片的输出保持在满电流负载状态时,输出电压会发生变化。 直流线性调整率是指输出电压的变化百分比,单位为mV/V或百分比。 同样地,DC负载调整率是指当电源电压保持稳定且输出负载从规定的最小额定电流变化到最大额定电流或者说满负载时的输出电压变化,用mV/A或百分比表示。 负载调整率通常在电源电压维持在额定输入电压时进行测量。 SMU可提供不同的负载,帮助您绘制类似于图4的曲线图来分析这一参数特性。

效率与负载曲线:效率是消耗功率与输入功率之比,通常以百分比表示([Vout * Iout] / [Vin * Iin] * 100)。 因此,效率与负载的曲线可以显示DC-DC转换器的效率随负载的增加而变化的情况。 我们可能希望显示不同输入电压下的效率与负载曲线,包括最小输入电压、额定输入电压和最大输入电压。 图5显示了TPS54360在各种电源电压下的效率-负载曲线。

电流极限测试:峰值输出电流限制可确保在过载和/或短路情况下输出电流被限制在预设定的最大值内,从而保护DC-DC转换器不被损坏,您可以在测试过程中模拟这两种情况。
构建您自己的测试系统
所有这些测试都应使用SMU来为DC-DC转换器提供不同的电流负载。 PXI-4139的四象限运行功能意味着您可以使用第二个PXI-4139 SMU来为DC-DC转换器提供负载,如图6所示。PXI-4139可连续吸收高达12 W的电能,同时测量转换器的输出电压。

借助SMU的硬件序列引擎和PXI机箱的内置触发功能,您可以同步两个SMU的输出和测量操作。 这可帮助您快速测试不同输入电压和输出电流下的DC转换器,如下图所示,并使用硬件定时的输出执行大型序列。

4. 直流范围和准确度测试
构建测试系统需要考虑的另一个性能标准是DC-DC转换器的电压准确度测量。 由于电路由转换器的输出供电,因而非常灵敏,所以我们需要保证这些下游组件的电压读数尽可能准确。
DC范围测试:输出电压范围是指DC-DC转换器在满负载的条件下可提供的电压范围。 如先前所讨论的,输出电压会随着所提供的输入功率和负载的变化而变化。 因此,分析这一范围参数的特性时,我们可以测量负载处于稳定状态时的转换器输出电压,然后在不损坏器件的前提下从最大输入电压扫描到最小输入电压。 TPS54360作为降压型电源转换器,可接受4.5~60 V的电压范围,并输出0.8 ~ 58.8 V的电压范围,如表2所示。
DC准确度测试:DC-DC转换器的输出电压准确度是指DC-DC转换器在用户指定的条件下运行时输出电压的最大变化量。 准确度会随着温度的变化和时间的推移而变化,它通常用一个预期或标称值的百分比来表示。 例如,TPS54360的内部参考电压准确度规定是-40 150℃温度范围内±1%。

构建您自己的测试系统
PXI系统使用一个PXI-4139提供输入电压,并使用另一个PXI-4139充当可编程负载。 因此,如果要分析之前所说的DC准确度特性,唯一需要的测量是转换器的输入电压。 第二个SMU负责测量该电压,目的是防止在向DC-DC转换器灌入电流时由于电压过大而损坏硬件。 我们只需从硬件上读取这个值即可。
在设计此测试系统时,请注意,电压测量应该在DC-DC转换器没有任何负载电流的输出端上进行。 如果负载电流流经测量输出端导线,可能会导致测量结果偏差数毫伏。 测量设备准确度时要记住的另一点是,测试设备的准确度应至少比待测设备高10倍。 若非如此,则我们测量的是测试设备的不准确度,而不是设备的准确度。
使用PXI-4139的远程感应功能即可同时解决这两个问题。 远程感应是指直接测量UUT电压的能力,这样可避免导线电阻引起电压降而导致测量误差。 由于SMU远程感应端具有高输入阻抗,流经这些导线的电流可忽略不计,这样可减少导线电阻的影响,从而准确地监测负载电压。
PXIe-4139能够以高准确度和高精度测量电压,只需使用一个SMU模块即可进行测量,而以前则需要一个额外的DMM才能实现。

注意: 如需详细了解如何确定特定设备在一定范围内的分辨率和准确度,请参考ni.com上该设备的参数规格页面。
5. 瞬变和噪音
瞬态响应是系统对平衡发生变化的响应。 制造商可以使用这些图表来分析DC-DC转换器在启动时的电压和电流响应及其 如何响应线路和负载的变化,从而获得DC-DC转换器的过冲/下冲响应和稳定时间。
线性瞬态响应:线性瞬态响应表示的是DC-DC转换器输出引脚的电压和电流如何响应输入电压的变化。 通过先递增再递减输入电压,我们可以监测电压的变化,获得类似于图7右上角所示的曲线图。
负载瞬态响应:相反地,如图7左上方所示,负载瞬态响应表示的是输出电流负载变化后输出电压达到规定的准确度所需的时间。 我们可以通过测试不同的幅值步长来充分理解负载瞬态响应,这对于手机和数码消费类产品测试非常重要。
启动波形:通过PXIe-4139 1.8 MS/s的最高采样率,我们可以测量DC-DC转换器的最小接通时间。 该时间就是建立时间,或者输出处于满负载时输出电压达到指定准确度所需的时间。 例如,当输入电压从零增大至标称电压时,输出达到稳定状态所需的时间就是最小接通时间。 TPS54360最小接通时间可在启用EN引脚且Vin不为零时测量,如图7右下图所示。
噪声和纹波:噪声和纹波是DC-DC转换器输出端的交流测量参数,单位为mV RMS或mVp-p。 输出纹波电压是一系列包含高频分量的小脉冲,因此通常以mVp-p表示。 DC-DC转换器输出端的纹波和噪声主要有两个来源:转换器生成的开关噪声和线性电源纹波。 对于线性波纹,DC-DC转换器电源提供了某种程度的纹波抑制;通过转换器的残余纹波会出现在负载上。 滤掉输出纹波的最常用方法是在转换器的输出端串联添加电感和并联添加电容,这通常称为“LC网络”。 由于噪声和纹波中包含高频分量,因此应该使用具有高带宽的数字化仪进行测量,使波纹尖峰中的所有主要谐波都包含在内。

构建您自己的测试系统
传统的瞬态和噪声测试方法需要使用示波器,通过探针来测量DC-DC转换器的输入和输出线。 然而,PXIe-4139 SMU的1.8 MS/s采样率足以分析线性和负载瞬态响应特性,而且可以避免增加另一个仪器导致的复杂性和成本。 图8显示的PXIe-4139 SMU正在测量TPS54360的负载和线性瞬态行为。 在这些测试中,SMU分别充当了精确直流电源、外部负载和示波器。 外部负载在500 μs的脉冲内从最大电流的25%增加到75%,SMU负责测量DC转换器的电流消耗和电压输出。
注意: NI SourceAdapt技术能够以快速上升时间实现500 μs脉冲且不出现过冲或振荡,它是一种数字控制循环技术,可允许您控制SMU的瞬态行为。

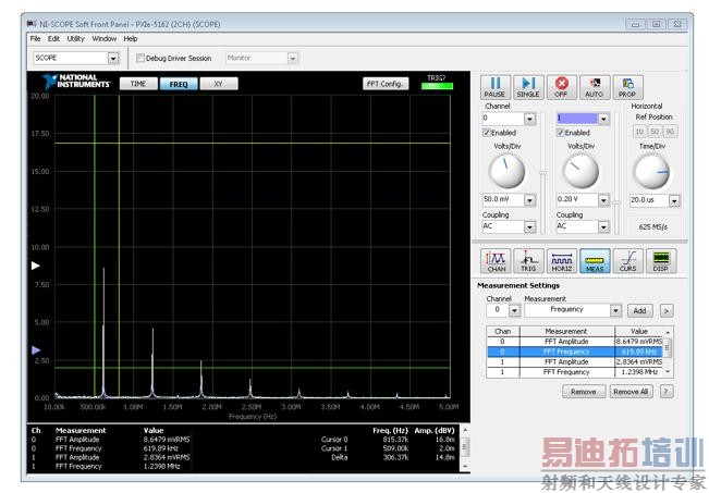
对于更高速的采集或频谱分析,您可以轻松地将高速示波器添加到系统中,只需将板卡插入到PXI机箱的外设插槽即可。 NI提供了多种PXI示波器,可让您在一个PXI插槽中实现高达24位垂直分辨率或5 GS/s采样率的高分辨率或高速测量。 例如,使用PXIe-5162 4通道5 GS/s 10位示波器探测DC-DC转换器的输入和输出,您就可以通过软件前面板来查看噪声的频率分量。 在本例中,您可以看到600 kHz附近的开关噪声为数毫伏。

6. 测试系统扩展和自动化
PXI架构使得扩展测试系统的功能变得非常简单。 您可以将任意数量的附加PXI模块插入PXI机箱的其余插槽中。 测试DC-DC转换器通常需要的一些硬件包括具有RF和混合信号测量功能能的PXI模块、用于时序分析和连接的高速数字I/O,以及用于闭环控制和协议感知测试的基于FPGA的I/O。
通过NI软硬件的紧密集成,您可以实现PXI测试系统自动化,通过准确、可重复的定时来获得一致的数据。 您可以使用NI LabVIEW软件等开发环境来轻松编写测试序列,然后借助现成可用的强大测试管理软件NI TestStand来实现序列自动化,完成上面所说的所有参数测试。
图11显示了一个扩展机箱示例。

7. 推荐的硬件
PXI系统需要一个PXI机箱和一个集成控制器。
上一篇:湿度测量中传感器选用注意事项
下一篇:以旋转变压器为测量元件的7M
CNC伺服系统


