- 易迪拓培训,专注于微波、射频、天线设计工程师的培养
断点检测器
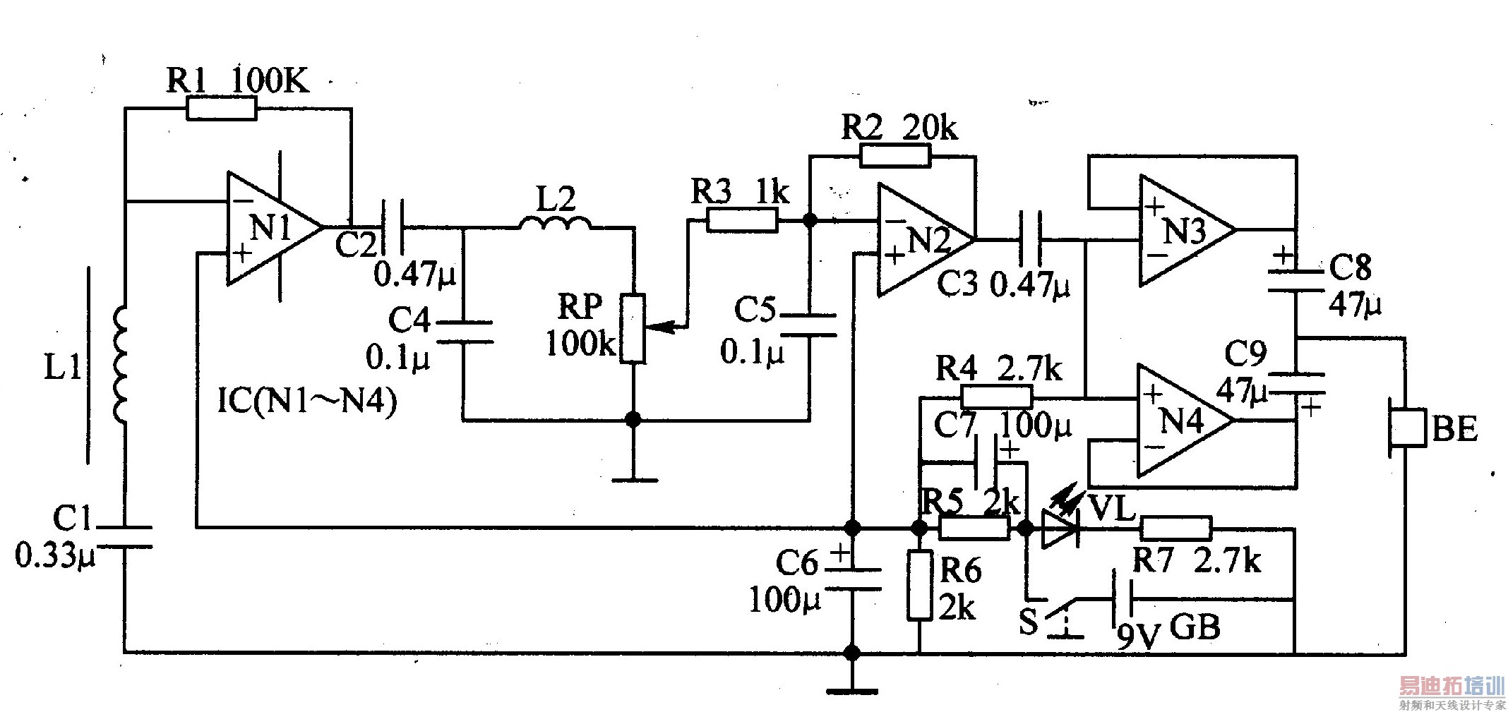
电路工作原理
该断点检测器电路由检测放大器、低通滤波放大器、前置放大器、功率输出电路、偏压电路和电源电路等组成,如图2-75所示。

检测放大器电路由电感线圈Ll、电容器Cl、电阻器Rl和四运算放大器IC(Nl-N4)内部的Nl组成。
低通滤波放大器由电容器C2-C5、电感器L2、音量电位器RP、电阻器R2、R3和lC内部的N2组成。
功率输出电路由电容器C3、C8、C9、电阻器R4和IC内部的N3、N4组成。
偏压电路由电阻器R5、R6和电容器C6、C7组成。
电源电路由电源开关S、电池GB、限流电阻器R7和电源指示发光二极管VL组成。
在电器通电的情况下,机件随着我们翻动、触碰断点,会因时断时续的连接而产生一些电磁波,断点检测器会接收到该电磁波并发出"喀喀"声,检测时,戴上耳机BE,接通S,轻轻敲击印制线路板、电器部件等被检测电路,逐渐移动电感线圈Ll(探头),使 "喀喀"声在最清晰、最大的位置停住,然后在Ll的下方仔细检查,即可快速查找出断点部位。
元器件选择
Rl-R7选用1/4W金属膜电阻器或碳膜电阻器。
Cl-C5选用独石电容器或涤纶电容器;C6-C9均选用耐压值为16V的铝电解电容器。
Ll使用φO.27-φ0.36mm的高强度漆包线在罐形磁心上绕100匝左右;L2选用TDK色码电感器。
VL选用φ3mm的红色发光二极管。
IC选用LM324型四运放集成电路。
BE使用两只8Ω耳机串联。
S选用微型单极拨动式开关。
GB使用9V叠层电池。
上一篇:物位计测量技术的研究方案
下一篇:Verigy
93000中直流参数的并行测试方法


