- 易迪拓培训,专注于微波、射频、天线设计工程师的培养
感应式测电笔(四)
录入:edatop.com 点击:
本例介绍的感应式测电笔,使用时将其检测探头靠近交流电源的导线 (3Ocm范围内),即可检测出被测导线是否有电,而不用直接接触相线。该测电笔还能快速查出导线断点的位置。
电路工作原理
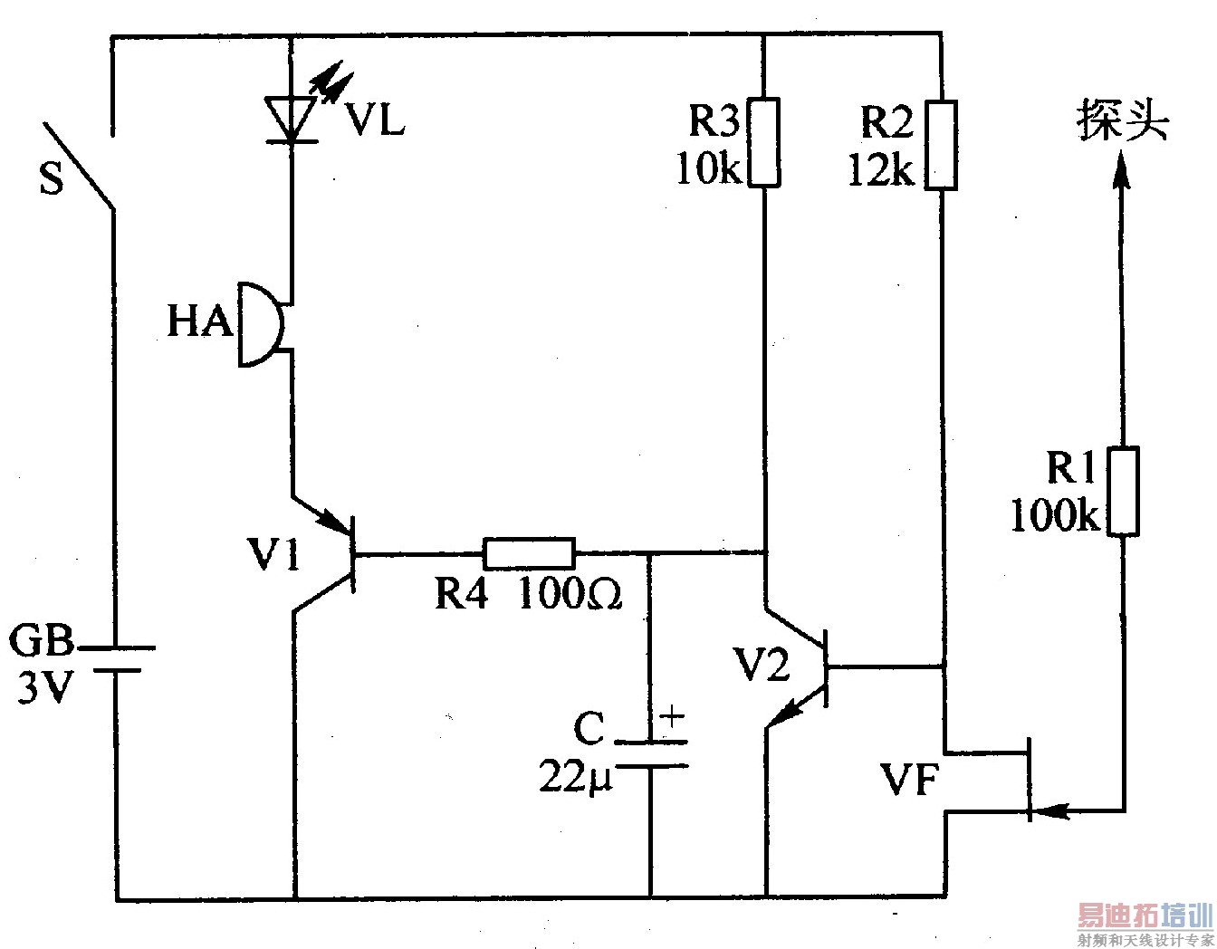
该感应式测电笔电路由结型场效应晶体管VF、晶体管V1、V2、电阻器Rl-R4、电容器C、发光二极管VL、蜂鸣器HA、电源开关S、电池GB和检测探头组成,如图2-93所示。

接通电源开关S后,电路进人待机状态。则检测探头检测不到5OHz交流电源信号,VF处于导通状态,V2和Vl均截止,HA不发声,VL不发光。若被测导线为相线时,则检测探头将会检测到5OHz交流电源信号,在交流电的负半周时VF截止,Vl和V2导通,HA发出蜂鸣声,VL闪烁发光。
元器件选择
Rl-R4均选用1/8W碳膜电阻器或金属膜电阻器。
C选用耐压值为lOV的超小型铝电解电容器。
VL选用φ3mm的红色高亮度发光二极管。
Vl选用C8550或BC558型硅PNP晶体管;V2选用S9013或BC549型硅NPN晶体管。
VF选用3DJ6或BFWll型N沟道结型场效应晶体管。
HA选用内置振荡器的3V直流电磁蜂鸣器。
S选用微型单极拨动式开关或动合按钮。
上一篇:一种新型的磁悬浮轴承磁场均匀性测试仪
下一篇:数字电压表简易检修程序方案


