- 易迪拓培训,专注于微波、射频、天线设计工程师的培养
数字万用表的基本测量原理
同其他数字万用表一样,DT830型数字万用表的核心也是直流数字电压表DVM(基本表)。它主要由外围电路、双积分A/D转换器及显示器组成。其中,A/D转换、计数、译码等电路都是由大规模集成电路芯片ICL7106构成的。
(1)直流电压测量电路 图1为数字万用表直流电压测量电路原理图,该电路是由电阻分压器所组成的外围电路和基本表构成。把基本量程为200mV的量程扩展为五量程的直流电压挡。图中斜线区是导电橡胶,起连接作用。

图1 数字万用表直流电压测量电路原理图
(2)直流电流测量电路 图2为数字万用表直流电流测量电路原理图,图中VD1、VD2为保护二极管,当基本表IN+、IN一两端电压大于ZOOmV时,VD1导通,当被测量电位端接入IN一时,VD2导通,从而保护了基本表的正常工作,起到“守门”的作用。R2~R5、RC.分别为各挡的取样电阻,它们共同组成了电流-电压转换器(I/U),即测量时,被测电流△在取样电阻上产生电压,该电压输人至IN+、IN—两端,从而得到了被测电流的量值。若合理地选配各电流量程的取样电阻,就能使基本表直接显示被测电流量的大小。

图2 数字万用表直流电流测量电路原理图
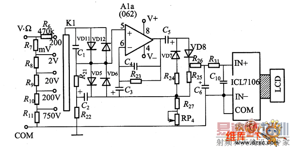
(3)交流电压测量电路 图3为数字万用表交流电压测量电路原理图。由图可见,它主要由输入通道、降压电阻、量程选择开关、耦合电路、放大器输入保护电路、运算放大器输人保护电路、运算放大器、交-直流(AC/DC)转换电路、环形滤波电路及ICL7l06芯片组成。
图中,C1为输入电容。VD11、VD12是C)的阻尼二极管,它可以防止C1两端出现过电压而影响放大器的输入端。R21是为防止放大器输入端出现直流分量而设计的直流通道。VD5、VD6互为反向连接,称为钳位二极管,起“守门”作用,防止输入至运算放大器062的信号超过规定值。运算放大器062完成对交流信号的放大,放大后的信号经C5加到二极管VD7、VD8上,信号的负半周通过VD7,正半周通过VD8,完成对交流信号进行全波整流。经整流后的脉动直流电压经电阻R26、R31和电容C6、C10组成的滤波电路滤波后,在R27、RP4上提取部分信号输人至基本表的输人端IN+。同时输入至基本表的部分信号经C3反馈到运算放大器062的反相输人端,以改善检波器的整流特性。电容器CZ经R22接地,C2、C3的电容量及质量直接影响着放大器的频率响应。C2对高频部分影响较大,C3对低频部分影响较大。C4、R23承担抑制或消除电路自励的任务。若使基本表所获得的直流电压与交流输入电压的平均值成比例变化,可通过RP4进行调节。R6~R10为分压电阻,与直流电压挡的分压电阻共用。
(4)交流电流测量电路 交流电流测量电路与图3所示出的交流电压测量电路基本相同。只需将图中的分压器改成图2中的分流器即可。故其分流电阻与直流电流挡共用,耦合电路及其后的电路与交流电压测量电路共用。

图3 数字万用表交流电压测量电路原理图
(5)直流电阻测量电路 图4(a)为数字万用表直流电阻测量原理图,图中标准电阻Ro与待测电阻Rx串联后接在基本表的V十和COM之间。V+和vREF+、vREF和IN+、IN一和COM两两接通,用基本表的2.8V基准电压向Ro和Rx供电。其中UR。为基准电压,URx为输入电压。根据设计,当Rx=R0时显示读数为1000,当Rx=2R0时溢出显示[因为2000> 1999(最大显示数)]。一般情况下有

图4 数字万用表直流电阻测量电路
因此,只要固定若干个标准电阻Ro,就可实现多量程电阻测量。图4(b)为实际电阻测量电路。其中,R7~R12均为标准电阻,且与交流电压挡分压电阻共用。
上一篇:指针式万用表的使用
下一篇:万用表的主要性能及量程要求


