- 易迪拓培训,专注于微波、射频、天线设计工程师的培养
分析极端条件下的六种电流测量方法
录入:edatop.com 点击:
电流检测被用来执行两个基本的电路功能。首先,是测量“多大”电流在电路中流动,第二个功能是当电流“过大”或出现故障时,做出判断。如果电流超过了安全限值,满足软件或硬件互锁条件,就会发出一个信号,把设备关掉。因此有必要选择一种能承受故障过程中极端条件的鲁棒性设计的技术。
电流检测被用来执行两个基本的电路功能。首先,是测量“多大”电流在电路中流动,这个信息可以用于DC/DC电源中的电源管理,来判定基本的外围负载,来实现节能。第二个功能是当电流“过大”或出现故障时,做出判断。如果电流超过了安全限值,满足软件或硬件互锁条件,就会发出一个信号,把设备关掉,比如电机堵转或电池中发生短路的情况。因此有必要选择一种能承受故障过程中极端条件的鲁棒性设计的技术。采用适当的元器件来执行测量功能,不但能获得准确的电压信号,还能防止损坏印制电路板。 测量方法 有各种不同的测量方法能产生提示“多大”或“过大”的信号,如下: 电阻式(直接):检流电阻 磁(间接):电流互感器、罗氏线圈、霍尔效应器件 晶体管(直接):RDS(ON)、比率式 每种方法都有其优点,是有效的或可接受的电流测量方法,但也各有利弊,这一点对应用的可靠性至关重要。这些测量方法可分为两类:直接的,或间接的。直接方法的意思是直接连到被测电路里,测量元件会受到线电压的影响,间接方法的测量元件与线电压是隔离的,在产品的安全性有要求时有必要采用间接方法。 电阻式 检流电阻 用电阻测量电流是一种直接方法,优点是简单,线性度好。检流电阻与被测电流放在一个电路里,流经电阻的电流会使一小部分电能转化为热。这个能量转换过程产生了电压信号。除了简单易用和线性度好的特点,检流电阻的性价比也很好,温度系数(TCR)稳定,可以达到100 ppm/℃以下或0.01%/℃,不会受潜在的雪崩倍增或热失控的影响。还有,低阻(小于1mΩ)的金属合金检流电阻的抗浪涌能力非常好,在出现短路和过流情况时,能实现可靠的保护。 磁 电流互感器电流互感器(图1)有三个突出优点:与线电压隔离,无损测量电流,大信号电压能很好地抵御噪声。这种间接测量电流的方法要求用到变化的电流,例如交流电,瞬变电流或开关式直流电,来产生一个磁耦合到次级绕组里的变化磁场。次级测量电压可以根据在初级和次级绕组间的匝数比实现缩放。这种测量方法被认为是“无损的”,因为电路电流通过铜绕组时的电阻损耗非常小。但是,如图2所示,由于负载电阻、芯损,以及初级和次级直流电阻的存在,互感器的损耗会导致失去一小部分能量。
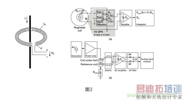
罗氏线圈 罗氏线圈(图3)类似于电流互感器,会在次级线圈内会感应产生一个电压,电压大小与流经隔离电感器的电流程正比。特殊之处在于,罗氏线圈采用的是气芯设计,这一点与依赖层压钢等高磁导率铁芯和次级绕组磁耦合的电流互感器完全不同。气芯设计的电感较小,有更快的信号响应和非常线性的信号电压。由于采用了这种设计,罗氏线圈经常被用在像手持电表这样的已有接线上,临时性地测量电流,可以认为是电流互感器的低成本替代方案。
霍尔效应 当一个带电流的导体被放进磁场里时(图4),在垂直于磁场和电流流动方向上会产生电位差。这个电位与电流大小成正比。在没有磁场和电流流过时,就没有电位差。但如图5所示,当有磁场和电流流过时,电荷与磁场相互作用,引起电流分布发生变化,这样就产生了霍尔电压。 霍尔效应元件的优点是能测量大电流,而且功率耗散小。然而,这种方法也有不少缺点,限制其使用,例如要对非线性的温度漂移进行补偿;带宽有限;对小量程的电流进行测量时,要求使用大偏置电压,这会引起误差;易受外部磁场的影响;对ESD敏感;成本高。
晶体管 RDS(ON) -漏极到源极的导通电阻 由于晶体管对电路设计来说是标准的控制器件,不需要电阻或消耗能量的器件来提供控制信号,因此晶体管被认为是没有能量损失的过流探测方法。晶体管数据表给出了漏极到源极的导通电阻(RDS(ON)),功率MOSFET的典型电阻一般在毫欧范围内。这个电阻由几部分组成,首先是连到半导体裸晶的引线(图6),这部分电阻影响了很多沟道特性。基于这个资料,流经MOSFET的电流可以用公式 ILoad = VRDS(ON) / RDS(ON)计算得出。 由于界面区域电阻的微小变化和TCR效应,RDS(ON)的每个组成部分都会造成测量误差。通过测量温度,及用由温度引起的电阻预期变化来修正被测电压,可以对TCR效应部分地加以补偿。很多时候,MOSFET的TCR会高达4000ppm/℃,相当于温度上升100℃,电阻的变化达到40%。通常来说,这种测量方法的信号精度大约为10%~20%。从应用对精度的要求来看,对于提供过压保护来说,这个精度范围是可以接受的。
比率式 - 电流检测MOSFET MOSFET由成千上万个能降低导通电阻的并联的晶体管元胞构成。检流MOSFET使用一少部分并联元胞,连到共栅极和漏极,但源极是分开的(图7)。这样就产生了第2个隔离的晶体管,即“检测”晶体管。当晶体管导通时,流经检测晶体管的电流与流经其他元胞的主电流成一定比例。 精度公差的范围取决于具体的晶体管产品,低的达到5%,高的可以达到15%到20%。这种方法通常不适合一般要求测量精度达到1%的电流控制应用,但适合过流和短路保护。
从上面的总结表可以看出,探测电路中电流的方法有很多种,要根据应用特定的需求来选择合适的方法。每种方法均有其优点和短板,这些因素都要在设计中加以仔细考量。
电流检测被用来执行两个基本的电路功能。首先,是测量“多大”电流在电路中流动,这个信息可以用于DC/DC电源中的电源管理,来判定基本的外围负载,来实现节能。第二个功能是当电流“过大”或出现故障时,做出判断。如果电流超过了安全限值,满足软件或硬件互锁条件,就会发出一个信号,把设备关掉,比如电机堵转或电池中发生短路的情况。因此有必要选择一种能承受故障过程中极端条件的鲁棒性设计的技术。采用适当的元器件来执行测量功能,不但能获得准确的电压信号,还能防止损坏印制电路板。 测量方法 有各种不同的测量方法能产生提示“多大”或“过大”的信号,如下: 电阻式(直接):检流电阻 磁(间接):电流互感器、罗氏线圈、霍尔效应器件 晶体管(直接):RDS(ON)、比率式 每种方法都有其优点,是有效的或可接受的电流测量方法,但也各有利弊,这一点对应用的可靠性至关重要。这些测量方法可分为两类:直接的,或间接的。直接方法的意思是直接连到被测电路里,测量元件会受到线电压的影响,间接方法的测量元件与线电压是隔离的,在产品的安全性有要求时有必要采用间接方法。 电阻式 检流电阻 用电阻测量电流是一种直接方法,优点是简单,线性度好。检流电阻与被测电流放在一个电路里,流经电阻的电流会使一小部分电能转化为热。这个能量转换过程产生了电压信号。除了简单易用和线性度好的特点,检流电阻的性价比也很好,温度系数(TCR)稳定,可以达到100 ppm/℃以下或0.01%/℃,不会受潜在的雪崩倍增或热失控的影响。还有,低阻(小于1mΩ)的金属合金检流电阻的抗浪涌能力非常好,在出现短路和过流情况时,能实现可靠的保护。 磁 电流互感器电流互感器(图1)有三个突出优点:与线电压隔离,无损测量电流,大信号电压能很好地抵御噪声。这种间接测量电流的方法要求用到变化的电流,例如交流电,瞬变电流或开关式直流电,来产生一个磁耦合到次级绕组里的变化磁场。次级测量电压可以根据在初级和次级绕组间的匝数比实现缩放。这种测量方法被认为是“无损的”,因为电路电流通过铜绕组时的电阻损耗非常小。但是,如图2所示,由于负载电阻、芯损,以及初级和次级直流电阻的存在,互感器的损耗会导致失去一小部分能量。
罗氏线圈 罗氏线圈(图3)类似于电流互感器,会在次级线圈内会感应产生一个电压,电压大小与流经隔离电感器的电流程正比。特殊之处在于,罗氏线圈采用的是气芯设计,这一点与依赖层压钢等高磁导率铁芯和次级绕组磁耦合的电流互感器完全不同。气芯设计的电感较小,有更快的信号响应和非常线性的信号电压。由于采用了这种设计,罗氏线圈经常被用在像手持电表这样的已有接线上,临时性地测量电流,可以认为是电流互感器的低成本替代方案。
霍尔效应 当一个带电流的导体被放进磁场里时(图4),在垂直于磁场和电流流动方向上会产生电位差。这个电位与电流大小成正比。在没有磁场和电流流过时,就没有电位差。但如图5所示,当有磁场和电流流过时,电荷与磁场相互作用,引起电流分布发生变化,这样就产生了霍尔电压。 霍尔效应元件的优点是能测量大电流,而且功率耗散小。然而,这种方法也有不少缺点,限制其使用,例如要对非线性的温度漂移进行补偿;带宽有限;对小量程的电流进行测量时,要求使用大偏置电压,这会引起误差;易受外部磁场的影响;对ESD敏感;成本高。
晶体管 RDS(ON) -漏极到源极的导通电阻 由于晶体管对电路设计来说是标准的控制器件,不需要电阻或消耗能量的器件来提供控制信号,因此晶体管被认为是没有能量损失的过流探测方法。晶体管数据表给出了漏极到源极的导通电阻(RDS(ON)),功率MOSFET的典型电阻一般在毫欧范围内。这个电阻由几部分组成,首先是连到半导体裸晶的引线(图6),这部分电阻影响了很多沟道特性。基于这个资料,流经MOSFET的电流可以用公式 ILoad = VRDS(ON) / RDS(ON)计算得出。 由于界面区域电阻的微小变化和TCR效应,RDS(ON)的每个组成部分都会造成测量误差。通过测量温度,及用由温度引起的电阻预期变化来修正被测电压,可以对TCR效应部分地加以补偿。很多时候,MOSFET的TCR会高达4000ppm/℃,相当于温度上升100℃,电阻的变化达到40%。通常来说,这种测量方法的信号精度大约为10%~20%。从应用对精度的要求来看,对于提供过压保护来说,这个精度范围是可以接受的。
比率式 - 电流检测MOSFET MOSFET由成千上万个能降低导通电阻的并联的晶体管元胞构成。检流MOSFET使用一少部分并联元胞,连到共栅极和漏极,但源极是分开的(图7)。这样就产生了第2个隔离的晶体管,即“检测”晶体管。当晶体管导通时,流经检测晶体管的电流与流经其他元胞的主电流成一定比例。 精度公差的范围取决于具体的晶体管产品,低的达到5%,高的可以达到15%到20%。这种方法通常不适合一般要求测量精度达到1%的电流控制应用,但适合过流和短路保护。
从上面的总结表可以看出,探测电路中电流的方法有很多种,要根据应用特定的需求来选择合适的方法。每种方法均有其优点和短板,这些因素都要在设计中加以仔细考量。
上一篇:VI设计时要遵循的3个原则
下一篇:深度剖析激光切割中焦点位置的检测方法


