- 易迪拓培训,专注于微波、射频、天线设计工程师的培养
LabVIEW中的错误处理
录入:edatop.com 点击:
LabVIEW做为一个编程开发平台,和其它的文本编程环境一样,当我们编写的程序变得很大时,为了能在调试的时候快速的定位问题,也为了能在最终用户使用时,对于突发的错误或者可预知的错误能够通过一定的处理进行纠正或关闭应用程序,避免错误的进一步发生。这就需要LabVIEW开发人员在开发应用程序时,能够合理的使用一种错误处理策略。这篇文章中,我们将会给大家介绍一些LabVIEW中的基本的和高阶的错误处理技巧,提高应用程序鲁棒性。










默认的,LabVIEW是会进行自动错误处理的。这表现在当程序执行过程中出现错误时(如加载文件失败),程序会挂起,LabVIEW会自动弹出错误对话框,并高亮导致错误产生的子VI或函数模块。在LabVIEW中可以通过:1)工具>>选项>>程序框图>>错误处理:该分支下有两个选项可以决定是否使能自动错误处理;2)对于单个VI,文件>>VI属性>>执行:该分支下可以选择是否对当前VI关闭自动错误处理。
如果希望程序在执行过程中出现错误时能给出更有意义的提示信息,我们可以使用自定义错误处理。首先评估一下该应用中,有可能会出现哪些错误,并给这个错误赋特定的错误代码(error code)和描述信息(description)。LabVIEW预留了以下错误代码供用户自定义错误使用:-8999到-8000,5000到9999,500000到599999。比如:在一个数据采集应用中,需要监测外部信号的幅值,当幅值大于8V时,我们可以定义该错误码为6000,并通过General Error Handler函数弹出相应对话框。(参考basic error handling.vi)

图1.通用错误处理
上述这种方式,如果程序很大时,为了不遗漏掉各部分可能产生的错误,我们需要不断的放置General Error Handler函数,并给它不断的配置“用户自定义代码”和“用户自定义描述信息”,时间长了,就难于维护,而且很难面面俱到,而且增大代码的体积和占用配图的空间。有没有一种全局的方式呢?答案是肯定的,在LabVIEW中通过:工具>>高级>>编辑错误代码,弹出错误代码编辑对话窗口,可以新建或修改现有的文件。在错误编辑窗口中可以添加自定义错误代码和相应的文本描述信息。如果是新建的文件,点击Save按钮时会弹出对话框提示保存,文件名称必须是xxx-errors.txt,xxx是用户可以自由命名部分。xxx-errors.txt文件的存放目录必须在:盘符:Program FilesNational InstrumentsLabVIEW 2011user.liberrors目录下(这里以LabVIEW 2011为例,其中盘符为LabVIEW所在的安装目录),如果没有errors目录,可以手动创建。xxx-errors.txt文件在LabVIEW关闭并重启后才生效。

图2. 错误代码编辑对话窗口
到这里的时候,如果只是一个人在孤独的写程序,那么通过xxx-errors.txt文件对自定义错误代码进行管理就基本上能满足一个LabVIEW开发者在同一台计算机上的要求了。但是在很多情况下,我们开发的应用程序最终可能会在其它计算机上部署或运行,或者要共享给其他开发人员,那怎么使得xxx-errors.txt得以复用。
如果是把源代码共享给另一个开发人员,只需要从原来的计算机上将xxx-errors.txt文档拷贝到对方计算机上的相应目录:盘符:Program FilesNational InstrumentsLabVIEW 2011user.liberrors下即可。如果是生成Executable文件,那么在Executable的属性配置窗口的高级页面中,勾选上“拷贝错误代码文件”,这样在生成Executable时,会自动将”盘符:Program FilesNational InstrumentsLabVIEW 2011user.liberrors”下所有的xxx-errors.txt复制到”C:Program FilesNational InstrumentsSharedLabVIEW Run-Time2011errors”目录下(这里以LabVIEW 2011为例,该路径为LabVIEW Run-Time的目录)。

图3. Executable的属性配置窗口
但这只是在原来的计算机上做了一次复制,要在目标计算机上运行,除了拷贝Executable文件,必须将xxx-errors.txt文件手动拷贝到目标计算机的LabVIEW Run-time目录下。大家可能会有疑问,要是这样的话,那图3中的勾选项还有什么用!确实,如果只是在目标机上运行Executable,是否勾选上都无所谓。但是当我们勾选上之后,进一步生成安装文件时,在安装文件的属性配置窗口的附加安装页面中,勾选上LabVIEW Run-time Engine,这样安装文件中将会包含LabVIEW Run-time Engine,而xxx-errors.txt在之前生成Executable时已经拷贝到LabVIEW Run-time Engine目录下了,也将包含在Installer中,所以在目标计算机上安装Installer时,就不再需要手动拷贝xxx-errors.txt文件了。
好了,到这里为止。基础知识我们介绍完了,接下来我们介绍对于可预见的错误,是否可以选择直接忽略,或者前几次尝试忽略直到该特定错误出现很多次后才通知用户需要纠正该错误了;是否可以对重要的错误进行存档;当主VI中多个线程时,如果某一个线程出错,如何保证其它线程进行适当的收尾后同样优雅的退出,避免一错再错。这里我编写了一个参考VI,我们将详细介绍:

图4.项目文件概览
打开Error Handling in LabVIEW.vi的程序框图,其包含三个循环,分别是Producer loop,Consumer loop,Display Loop。Producer loop用于响应用户事件,并通过队列通知Consumer loop执行相应的操作;Display loop用于对前面板显示控件进行更新。

图5.项目原理图
Error Handling in LabVIEW.vi中关于错误处理部分最核心的VI是Error Module.vi。它其实是一个功能全局变量,包含Initialize,Handle Errors和Report Errors三个分支。Initialize分支中定义好哪些错误代码是直接被忽略的,哪些错误代码是允许出现若干次,并且为了实现在主VI Error Handling in LabVIEW.vi的任何一个循环出现错误时,所有的其它循环也能够退出,在Initialize分支中将分别获取三个循环中的相应队列引用或用户事件引用。

图6.Error Module模块

图7. Initialize分支
先介绍一下Error Handling Info簇控件,它包含两个数组。数组Ignore中定义的Error Code即我们希望Error Module.vi直接忽略的;Retry是簇数组,每个簇中包含三个元素:Code即我们希望出错后重试的代码,Retry times为允许出错的次数,Current Iteration记录了该特定错误已经发生的次数(在主VI中不要设置,让它为0)。我们希望当Current Iteration < Retry times时,如果该错误出现,我们可以忽略该错误,但是Current Iteration值加1。对于本次测试,主VI给Error Module.vi的传递的参数如下,我们将在后面看到,5556的错误将被直接忽略,而5557的错误第三次出现时程序将弹出对话框提示出错。

图8. Error Handling Info簇控件信息
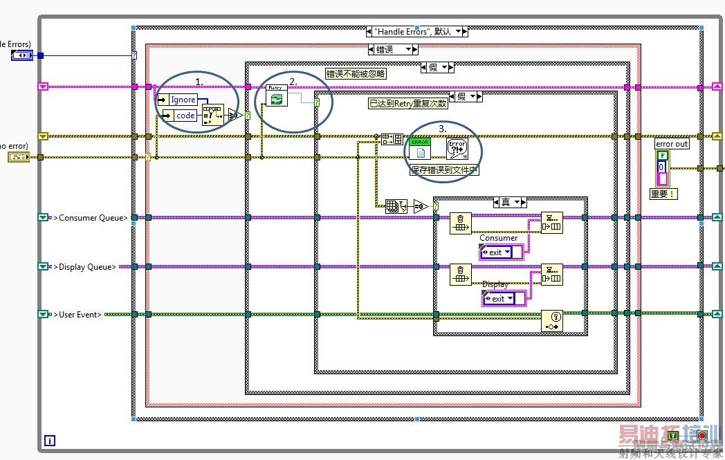
Error Module.vi中最重要的是Handle Errors分支,简单的说,它其实是包含两层条件结构嵌套,三种处理情况。1)错误直接被忽略;2)错误符号Retry的条件;3)错误不能被预处理,将错误存档。

图9. Handle Errors分支
当错误不能被预处理时,将错误存档后,我们调用General Error Handler函数,这样就会弹出错误对话框,对话框中包含xxx-errors.txt文件中定义好的描述信息。除了将错误存档,在程序中同时通过元素入队列、产生用户事件使得主VI中的Consumer loop,Display loop和Producer loop都能够优雅的退出。
接下来我们来看一下程序的测试:

图10.主VI前面板
1.点击Acquire按钮,将获取波形;
2.点击Generate error for consumer,将使得Consumer loop产生error 5555,由于5555不包含在预处理的情况中,Error Module.vi的Handle Errors分支将该错误存档并弹出错误对话框,同时其它循环通过元素入队列,产生用户事件而退出,整个程序停止运行;
3.重新运行程序,点击Generate error for Ignore按钮,可以看到,程序将继续正常运行,完全忽略该错误;
4.点击Generate error for Retry按钮,当点击第三次时,才弹出错误对话框,程序停止运行。如下图所示:

图11. 错误代码5557重复出现3次
上一篇:labview中应用的一些小操作
下一篇:Labview操作基础小结


