- 易迪拓培训,专注于微波、射频、天线设计工程师的培养
电路设计秘籍:信号发生器的脉冲信号发生器电路
录入:edatop.com 点击:
在信号发生器、示波器等等有关仪器仪表的设计时,工程师们都会有一个设计思路和一个电路图的制作,凡是产生测试信号的仪器,统称为信号源,信号发生器的振荡电路也称为信号发生器,它用于产生被测电路所需特定参数的电测试信号。在测试、研究或调整电子电路及设备时,为测定电路的一些电参量,如测量频率响应、噪声系数,为电压表定度等,都要求提供符合所定技术条件的电信号,以模拟在实际工作中使用的待测设备的激励信号。当要求进行系统的稳态特性测量时,需使用振幅、频率已知的正弦信号源。当测试系统的瞬态特性时,又需使用前沿时间、脉冲宽度和重复周期已知的矩形脉冲源。并且要求信号源输出信号的参数,如频率、波形、输出电压或功率等,能在一定范围内进行精确调整,有很好的稳定性,有输出指示。
在信号发生器的电路中工程师设计电路时会涉及到脉冲信号发生器,脉冲信号发生器是信号发生器的一种。信号发生器按信号源有很多种分类方法,其中一种方法可分为混和信号源和逻辑信号源两种。其中混和信号源主要输出模拟波形;逻辑信号源输出数字码形。混和信号源又可分为函数信号发生器和任意波形/函数发生器,其中函数信号发生器输出标准波形,如正弦波、方波等,任意波/函数发生器输出用户自定义的任意波形;逻辑信号发生器又可分为脉冲信号发生器和码型发生器,其中脉冲信号发生器驱动较小个数的的方波或脉冲波输出,码型发生器生成许多通道的数字码型。
为了能更好的认识脉冲信号发生器电路,我们来设计一款简单脉冲信号发生器。
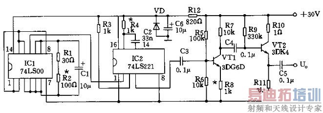
脉冲信号发生器电路
在很多设备的检测中,需脉冲信号源,但标准的脉冲信号源电路较为复杂,价格较高,电子爱好者不易办到。
本信号发生器主要采用两块TTL集成电路(74LS00和74LS221),由于TTL中的晶体管工作于饱和区域,因此电路工作稳定,输入输出阻抗比较低,不易受到周围杂散电磁场的干扰,开关速度快,功耗低,使电路的抗干扰度得到提高。74LS00由四个与非门组成,其中三个构成方波振荡电路,由最后一个与非门的输出反馈到第一个与非门的输入,因此经过了奇数次的反相,使信号相位相反,激起电路来回振荡,接入电阻和电容就可以得到频率可调的振荡电路。

在实际应用中我们使用到到的信号发生器有韩国masterMSPG-7800S、泰克AFG2000任意函数发生器等等
上一篇:信号发生器设计之正弦信号产生电路
下一篇:红外热像在
LED
研发中的应用


