- 易迪拓培训,专注于微波、射频、天线设计工程师的培养
Labview实现字符串加密
录入:edatop.com 点击:
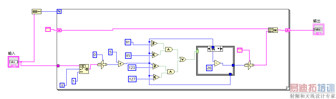
对字符串进行加密,规则是每个字母后移5 位
例如A 变为F,b 变为g,x 变为c,y 变为d…
实现效果


后端实现



