- 易迪拓培训,专注于微波、射频、天线设计工程师的培养
导通测试仪工作原理
录入:edatop.com 点击:
导通测试仪面板结构

图一

工作原理
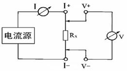
DIDT-10A接地引下线导通测试仪采用电流电压法测试原理,也称四线法测试技术,原理方框图见图二。
图二 测试原理图
由电流源经“I+、I-两端口(也称I型口),供给被测电阻Rx电流,电流的大小有电流表I读出,Rx两端的电压降“V+、V-”两端口(也称V型口)取出,由电压表V读出。通过对I、V的测量,就可以算出被测电阻的阻值。
由上图可看出,仪器采用的是四端子法测量,因此可消除导线电阻和接触电阻带来的误差。
上一篇:高压开关动特性测试仪常见技术问题答疑
下一篇:导通测试仪维护与注意事项


