- 易迪拓培训,专注于微波、射频、天线设计工程师的培养
基于MSP430F2012和IA4420的主动式RFID标签设计
射频识别(RFID) 是近年来成长最快的无线技术之一,它将条形码及无线技术的优势带入资产管理、产品跟踪、海运及运输识别、库存控制和定位检测中。大多数RFID系统采用通过RF从阅读器获取电源的被动式标签。这样有利于减小标签尺寸和降低成本,但是会限制读取范围和数据存储能力。带电池的主动式标签可以提供较大范围的读取能力和更强的可靠性,不过其尺寸较大,也更贵一些。采用最新的低功耗单片机和无线数传芯片,设计一种不仅读取距离远、可靠度高,而且成本更低、寿命更长的主动式RFID标签是本设计研究的目的。
设计方案分析
本设计完成的主动式RFID应具有:低成本、低功耗、阅读距离长及距离可调、电池供电等特性。分析主动式RFID的这些特性要求,形成设计方案如下:
低成本:以通常的基于RFID的电子识别系统来讲,用于标示物体的RFID标签总是有较大的使用量。标签的单价直接影响到系统整体造价的高
低。虽然主动式RFID相比被动式RFID具有:识别距离远、识别速度快、防冲突性能好等优势,但如果价格差别较大,也会成为应用推广中的障碍。所以,应尽可能降低标签成本。
从器件选型入手,选用集成度高的MCU和无线数传芯片,尽量减少外围器件的数量,不仅可以降低硬件成本,还避免了生产过程中的统调工作,降低了生产成本。本设计选用MSP430F2012单片机,内部PLL电路可以节省一般单片机必需的外部晶振;内建电源电压监测/欠压复位模块(BOR)省去了外部复位电路;选用IA4420无线数传芯片,是目前同类无线数传芯片中外围元件最少的一种(仅需一个10MHz晶振);差分天线接口可直连设计在PCB 上的微带天线。这些都使得本设计的硬件成本降到了最低。
低功耗:由于主动式RFID标签为电池供电,为了延长电池使用寿命,系统对低功耗性能要求严格。MSP430单片机拥有0.5mA的保持模式待机电流和 250mA/MIPS的运行功耗,是目前业界公认的低功耗单片机;IA4420的低功耗待机模式电流消耗低至0.3mA。为本设计的低功耗性能提供了基础保证。低功耗设计,一方面从元器件的选择入手,另一方面要设计优化合理的运行时序,在完成标签功能的前提下,使电路在大多数时间处于待机状态。
长距离及距离可调:无线信号在自由空间中的视距传输距离,与系统总增益的log对数成正比,在不增加发射信号强度的情况下,选择高接收灵敏度无线数传芯片可以达到增加传输距离的效果。
IA4420具有-109dBm的接收灵敏度和最大8dBm射频信号输出功率,室外开阔地实测传输距离达200米以上。按“6dB”法则,在无线系统中,总增益每增加或减少 6dB ,传输距离延长或缩短一倍。IA4420的信号输出功率具有0,-3dBm,-6 dBm,-9 dBm,-12 dBm,-15 dBm,-18 dBm,-21 dBm共8级可调,配合0、-6、-14、-20可调的接收端LAN增益,实现了标签阅读距离的大范围多级可调。
电池供电:本设计选用单节CR2032纽扣式锂锰电池,该电池公称电压3V,容量200mAh,建议间歇放电电流《15mA。 CR2032具有每年低于1%的内在超低漏电以及极其平坦的放电曲线(这两种特性是延长电池使用寿命的理想选择)。本设计省去电池到器件之间的稳压电路,直接由电池给系统供电。也节省了稳压电路所带来的静态电流消耗,使电池寿命进一步延长。为防止发射状态较大的电流造成电池电压瞬态降低,使用较大容量电容与电池并联。
直接用电池为单片机供电,一个值得注意的问题是:更换电池时电池导线的机械接触会产生电源噪声,使单片机复位不完全而产生随机错误操作。 MSP430F2012内部集成零功耗欠压复位 (BOR) 保护功能,可以在电压低于安全操作范围时执行完全复位,很好地解决了这一问题。
硬件电路设计
MSP430F2011
MSP430是TI公司的一个超低功耗单片机系列,
完美地整合了低功耗、速度和片上外围器件:CPU采用16位精简指令集,集成了16个通用寄存器和常数发生器,极大提高了代码的执行效率;该系列单片机还将大量的外围模块整合到片内,适合构成较完整的片上系统;提供了5种低功耗模式,主要面向电池供电的应用。本设计选用的MSP430系列中更低成本,更高性能的新型单片机—MSP430F2012。
IA4420
IA4420是Integration公司推出的一体化无线数传芯片,RF功能全内置,外部只要一个10MHz晶振即可工作。
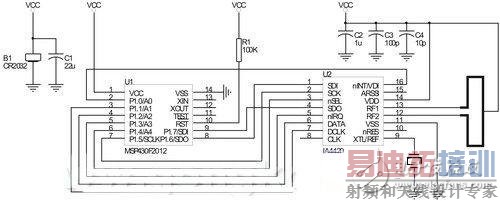
主动式RFID标签的电路图见图1。

图1 主动式RFID标签电路图
通讯协议
所有的标签和阅读器的无线数据传输均工作在同一个无线电频率。在标签阅读器的读取范围(无线信号覆盖范围)内只有一个标签的情况下,标签与阅读器进行点对点无线通讯,无线电信号不会产生冲突。但如果阅读器的读取范围有多个标签存在,则需要考虑多个标签同时
发送数据(多路存取)时产生的无线电信号冲
突,并制定相应的防冲突机
制加以解决。
本设计遵从ISO/IEC 18000-7《433 MHz有源RFID空中接口通信参数》中关于主动式RFID标签通讯协议的物理层、数据链路层的所有约定。
结语
本设计通过合理选择元件,围绕低成本、低功耗、长距离、电池供电等特性要求优化电路以及在设计中遵从ISO/IEC标准通讯协议,设计完成的主动式RFID标签在性能指标、稳定性、兼容国际标准和低硬件成本方面具有非常大优势。
以本设计完成的RFID标签,与配套的阅读器可以组成人员或物品电子识别/定位系统,广泛应用于采矿、工业生产、道路交通、物流运输、医疗、医药、国防安全等众多领域。
上一篇:CEVA与卓胜微电子合作提供完整多领域Wi-Fi和蓝牙解决方案
下一篇:利用μC/OS-II的嵌入式激光测距系统


