- 易迪拓培训,专注于微波、射频、天线设计工程师的培养
用数字万用表精确测量小电阻
录入:edatop.com 点击:
1 引言
数字万用表测量电阻是通过测量恒流源电流I流过被测电阻RX所产生的电压Vx实现的。通过对Vx数字化及小数点移位便可得到Rx的数字化值。原理框图如图1:

测试时,恒流源电流I通过Hi-Lo端和测量线馈送至被测电阻Rx,电压测量端S1、S2通过短路线接至Hi-Lo端。数字万用表实际测量到的电阻值包括被测电阻Rx及馈线电阻RL1和RL2。当测量的电阻阻值较小时,馈线电阻产生的误差就不容忽视。如何用现有的数字万用表精确测量阻值很小的电阻是工程技术人员经常遇到的问题。
2 四线测量
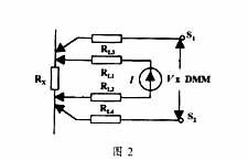
四线测量是将恒流源电流流入被测电阻R的两根电流线和数字万用表电压测量端的两根电压线分离开,使得数字万用表测量端的电压不再是恒流源两端的直接电压,如图2所示。

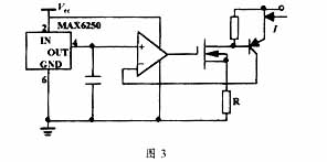
从图中可以看出,四线测量法比通常的测量法多了两根馈线,断开了电压测量端与恒流源两端连线。由于电压测量端与恒流源端断开,恒流源与被测电阻Rx、馈线RL1、RL2构成一个回路。送至电压测量端的电压只有Rx两端的电压,馈线RL1、RL2电压没有送至电压测量端。因此,馈线电阻RL1和RL2对测量结果没有影响。馈线电阻RL3和RL4对测量有影响,但影响很小,由于数字万用表的输入阻抗(MΩ级)远大于馈线电阻(Ω级),所以,四线测量法测量小电阻的准确度很高。不过,四线测量中的恒流源电流的精确度非常关键。建议采用外加的更稳定的恒流源电流;应注意的是,外加的恒流源电流的大小要与数字万用表恒流源电流的大小相等。我们采用的外加的恒流源电流由高精密基准电压源MAX6250、运放及扩流复合管组成,如图3所示。电压源MAX6250的温漂≤2ppm/℃,时漂ΔVout/t=20ppm/1000h。

I取800μA~1mA,R是极低温漂线绕电阻(若取I=1mA,R=5kΩ),这时I的温漂和时漂相当于MAX6250的水平。
3 馈线电阻补偿
馈线电阻补偿法通常采用三线制接法,被测电阻与接地的线相接。原理如图4所示。
I取800μA~1mA,R是极低温漂线绕电阻(若取I=1mA,R=5kΩ),这时I的温漂和时漂相当于MAX6250的水平。
3 馈线电阻补偿
馈线电阻补偿法通常采用三线制接法,被测电阻与接地的线相接。原理如图4所示。

恒流源电流I通过馈线2流入被测电阻,馈线1接地,馈线2和3分别接运放A1和A2的输入端。若两运放的增益都为1,其输出电压V1和V2为:

从上式可知,馈线电阻上的附加电压加到A3的输入端,通过求差而消除,输出电压仅与被测电阻有关,且成线性关系。不管被测电阻大小如何,误差都能完全补偿。
在这种馈线电阻补偿法测量小电阻电路中,测量精确度主要取决于恒流源电流I的精确度和馈线电阻RL的大小是否相等。电路中的运放可选用四通用单电源运放(LM324)。当用此法测量阻值小于0.5Ω的电阻时,应确保RL完全相等(注意馈线材料,长短及焊点的大小)。
4 实验比较
比较分四组进行:①用普通数字万用表测量;②用四线测量(借助于数字万用表本身的恒流源电流);③用四线测量(用外加的恒流源电流);④馈线补偿测量。
对测量结果的比较可以看出,对于100Ω的电阻,普通数字万用表的测量相对误差在2%左右,随着电阻值变小,未经过改进的数字万用表的测量误差越来越大,原因主要是馈线电阻的影响;经过处理的数字表,测量5Ω电阻的相对误差在2%以下,但受恒流源电流本身稳定度的影响,②、③测量结果的准确度也不一样;而馈线补偿法测量误差最小,不管馈线电阻大小如何,其测量0.1Ω的相对误差都低于10%。
数字万用表测量电阻是通过测量恒流源电流I流过被测电阻RX所产生的电压Vx实现的。通过对Vx数字化及小数点移位便可得到Rx的数字化值。原理框图如图1:

测试时,恒流源电流I通过Hi-Lo端和测量线馈送至被测电阻Rx,电压测量端S1、S2通过短路线接至Hi-Lo端。数字万用表实际测量到的电阻值包括被测电阻Rx及馈线电阻RL1和RL2。当测量的电阻阻值较小时,馈线电阻产生的误差就不容忽视。如何用现有的数字万用表精确测量阻值很小的电阻是工程技术人员经常遇到的问题。
2 四线测量
四线测量是将恒流源电流流入被测电阻R的两根电流线和数字万用表电压测量端的两根电压线分离开,使得数字万用表测量端的电压不再是恒流源两端的直接电压,如图2所示。

从图中可以看出,四线测量法比通常的测量法多了两根馈线,断开了电压测量端与恒流源两端连线。由于电压测量端与恒流源端断开,恒流源与被测电阻Rx、馈线RL1、RL2构成一个回路。送至电压测量端的电压只有Rx两端的电压,馈线RL1、RL2电压没有送至电压测量端。因此,馈线电阻RL1和RL2对测量结果没有影响。馈线电阻RL3和RL4对测量有影响,但影响很小,由于数字万用表的输入阻抗(MΩ级)远大于馈线电阻(Ω级),所以,四线测量法测量小电阻的准确度很高。不过,四线测量中的恒流源电流的精确度非常关键。建议采用外加的更稳定的恒流源电流;应注意的是,外加的恒流源电流的大小要与数字万用表恒流源电流的大小相等。我们采用的外加的恒流源电流由高精密基准电压源MAX6250、运放及扩流复合管组成,如图3所示。电压源MAX6250的温漂≤2ppm/℃,时漂ΔVout/t=20ppm/1000h。

I取800μA~1mA,R是极低温漂线绕电阻(若取I=1mA,R=5kΩ),这时I的温漂和时漂相当于MAX6250的水平。
3 馈线电阻补偿
馈线电阻补偿法通常采用三线制接法,被测电阻与接地的线相接。原理如图4所示。
I取800μA~1mA,R是极低温漂线绕电阻(若取I=1mA,R=5kΩ),这时I的温漂和时漂相当于MAX6250的水平。
3 馈线电阻补偿
馈线电阻补偿法通常采用三线制接法,被测电阻与接地的线相接。原理如图4所示。

恒流源电流I通过馈线2流入被测电阻,馈线1接地,馈线2和3分别接运放A1和A2的输入端。若两运放的增益都为1,其输出电压V1和V2为:

从上式可知,馈线电阻上的附加电压加到A3的输入端,通过求差而消除,输出电压仅与被测电阻有关,且成线性关系。不管被测电阻大小如何,误差都能完全补偿。
在这种馈线电阻补偿法测量小电阻电路中,测量精确度主要取决于恒流源电流I的精确度和馈线电阻RL的大小是否相等。电路中的运放可选用四通用单电源运放(LM324)。当用此法测量阻值小于0.5Ω的电阻时,应确保RL完全相等(注意馈线材料,长短及焊点的大小)。
4 实验比较
比较分四组进行:①用普通数字万用表测量;②用四线测量(借助于数字万用表本身的恒流源电流);③用四线测量(用外加的恒流源电流);④馈线补偿测量。
对测量结果的比较可以看出,对于100Ω的电阻,普通数字万用表的测量相对误差在2%左右,随着电阻值变小,未经过改进的数字万用表的测量误差越来越大,原因主要是馈线电阻的影响;经过处理的数字表,测量5Ω电阻的相对误差在2%以下,但受恒流源电流本身稳定度的影响,②、③测量结果的准确度也不一样;而馈线补偿法测量误差最小,不管馈线电阻大小如何,其测量0.1Ω的相对误差都低于10%。
上一篇:如何使用激光测距仪测量距离
下一篇:里氏硬度测试技术概述


