- 易迪拓培训,专注于微波、射频、天线设计工程师的培养
LABVIEW的通讯问题
录入:edatop.com 点击:
问题: 串行通讯的基本架构是什么?
解答: 串口通讯架构
每一个异步串行系统的核心都是一个UART(通用异步接收机/发送机)。UART不仅控制传输的数据,相应的电平,同时也控制通讯的速度。UART能够存储足够的信息,所以保证了在电脑忙得时候,数据流也能连续传输。这对于同时处理大量任务的操作系统非常有帮助。下面附图是理想串行通讯的示意。我们大部分的串行卡都有一个输入输出的FIFO(查看目录了解详细信息)。FIFO的数据可以通过串行驱动获取。串行驱动会自动地把FIFO的数据传输到软件的缓存,这个缓存是可以在应用软件由用户配置的(比如,在LabVIEW您可以使用Serial Port Init VI来设置缓存去大小)。读接口的数据实际上包含从软件缓存读的过程。确认硬件操作的回路测试有三种方式确认串口的操作:LabVIEW,超级终端和LabWindows/CVI。这三种方式进行回路测试是把串口的发送和接受引脚短接。第一步描述短接引脚的过程。LabVIEW的处理写在下面,而超级终端和LabWindows/CVI的过程在本文后面的链接里。对于LabVIEW建议使用如下步骤:
a,连接一根电缆到串口。最常用的RS-232电缆是9针或者25针(DB-9或者DB-25)。在电缆端把2、3引脚短接。这会把计算机发送数据的线连接到接收数据的线。一旦短接,BD-9的上一排变成【1 2=3 4 5】。
对于RS-485端口,电压是差分的。因此,你必须短接TXD+和RXD+、TXD-和RXD-(对于DB-9电缆,连接pin4到pin8和pin5到pin9;对于模块化接口,连接pin2到pin6和pin3到pin7;对于Combicon接头,连接pin1到pin5和pin2到pin4。)确保你的软件配置为4线模式
二、使用说明
在LabVIEW环境中使用串口与在其它开发环境中开发过程类似,基本的流程框图如下。
先需要调用VISA Configure Serial Port完成串口参数的设置,包括串口资源分配、波特率、数据位、停止位、校验位和流控等等。

如果初始化没有问题,就可以使用这个串口进行数据收发。发送数据使用VISA Write,接收数据使用VISA Read。在接收数据之前需要使用VISA Bytes at Serial Port查询当前串口接收缓冲区中的数据字节数,如果VISA Read要读取的字节数大于缓冲区中的数据字节数,VISA Read操作将一直等待,直至Timeout或者缓冲区中的数据字节数达到要求的字节数。当然也可以分批读取接收缓冲区或者只从中读取一定字节的数据。
在某些特殊情况下,需要设置串口接收/发送缓冲区的大小,此时可以使用VISA Set I/O Buffer Size;而使用VISA Flush I/O Buffer则可以清空接收与发送缓冲区。在串口使用结束后,使用VISA Close结束与VISA resource name指定的串口之间的会话。

具体的例子可以参考:examplesinstrsmplserl.llb。
第二部分使用MSCOMM控件
在LabVIEW中使用MSCOMM控件,与在VC、VB中使用一样。同样可以使用中断方式进行接收。具体的例子可以发索取。


首先通过LabVIEW的工具菜单“Tools >> Advanced >> Import ActiveX Controls”将Microsoft的串口控件-“Microsoft Communications Control,version 6.0”添加到LabVIEW环境中,存放在缺省路径即可,这样在User Controls Palette里面可以找到这个控件。

图:添加ActiveX控件菜单 [p]

图:选择添加用户控件

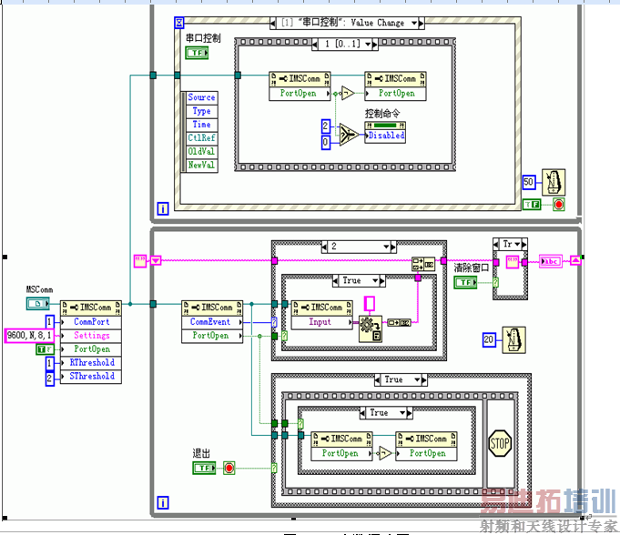
将串口控件 放置在Front Panel上,在框图程序中用控件属性对其进行编程,实现所需要的功能。
注意:一个串口资源要有一个MSCOMM控件与之相对应。
第三部分 注意事项
一、串口通讯的波特率设置要精确,比如要求9600的波特率,则晶振应选择11.0593MHz或其倍数。
二、由于通常情况下LabVIEW串口VI接收或发送的都是字符串(Normal),所以如果需要发送或接收十六进制数值(Hex),请在发送或接收之前进行必要的转换。
2.1、数值型数据的处理方法:
2.1.1、1、如果这些数据是静态的,也就说在程序设计阶段要传输的数据就已经确定了,在这种情况下,首先设置VISA Write的write buffer的显示属性为Hex Display,然后直接输入要发送的16进制字符串就可以了。串口设备的控制命令通常是由一个或多个16进制字符组成的,当我们需要对其进行控制时经常会采用这种方法发送控制命令。
2.1.2、数据是动态的;即要传输的数值型数据是动态产生和变化的,在发送之前首先要将其转换成对应的16进制字符串,才能赋给VISA Write发送。将这些数据构成一个数组,用Byte Array To String进行转换,转换的结果就是对应数组数值的字符串,可以提交VISA Write发送。或者使用Type Cast也可以实现同样的功能。

2.2、字符串型数据的处理方法:
我们在处理过程当中,传输的数据可能具有一定格式或协议,比如一个完整的数据帧包括起始段、数据段、校验段等等,而每一段往往又有几个部分组成,这几个部分的类型和长度可能又不尽相同,可能是数值型的,可能是字符型的,也可能是布尔型的,单字节或者是多字节。此时我们往往都采用统一的字符形式来处理这些数据,因此有时候我们说,字符是LabVIEW里最方便的数据类型。经过打包的字符数据要经过串口发送需要进行必要的转换,否则传输将出错。比如我们打包过后需要发送的的字符串为:34 12 56 78 94(空格为了区分),如果直接将其赋给VISA Write发送,串口上的数据将是:33 34 31 32 35 36 37 38 39 34。正确的转换程序如下。

数据接收:
从计算机串口接收到的数据是16进制的ASCII码,要转换成对应的数值型数据,可以使用String To Byte Array或者Type Cast。
三、LabVIEW串口VI不能使用中断方式传输。

解答: 串口通讯架构
每一个异步串行系统的核心都是一个UART(通用异步接收机/发送机)。UART不仅控制传输的数据,相应的电平,同时也控制通讯的速度。UART能够存储足够的信息,所以保证了在电脑忙得时候,数据流也能连续传输。这对于同时处理大量任务的操作系统非常有帮助。下面附图是理想串行通讯的示意。我们大部分的串行卡都有一个输入输出的FIFO(查看目录了解详细信息)。FIFO的数据可以通过串行驱动获取。串行驱动会自动地把FIFO的数据传输到软件的缓存,这个缓存是可以在应用软件由用户配置的(比如,在LabVIEW您可以使用Serial Port Init VI来设置缓存去大小)。读接口的数据实际上包含从软件缓存读的过程。确认硬件操作的回路测试有三种方式确认串口的操作:LabVIEW,超级终端和LabWindows/CVI。这三种方式进行回路测试是把串口的发送和接受引脚短接。第一步描述短接引脚的过程。LabVIEW的处理写在下面,而超级终端和LabWindows/CVI的过程在本文后面的链接里。对于LabVIEW建议使用如下步骤:
a,连接一根电缆到串口。最常用的RS-232电缆是9针或者25针(DB-9或者DB-25)。在电缆端把2、3引脚短接。这会把计算机发送数据的线连接到接收数据的线。一旦短接,BD-9的上一排变成【1 2=3 4 5】。
对于RS-485端口,电压是差分的。因此,你必须短接TXD+和RXD+、TXD-和RXD-(对于DB-9电缆,连接pin4到pin8和pin5到pin9;对于模块化接口,连接pin2到pin6和pin3到pin7;对于Combicon接头,连接pin1到pin5和pin2到pin4。)确保你的软件配置为4线模式
二、使用说明
在LabVIEW环境中使用串口与在其它开发环境中开发过程类似,基本的流程框图如下。

先需要调用VISA Configure Serial Port完成串口参数的设置,包括串口资源分配、波特率、数据位、停止位、校验位和流控等等。

如果初始化没有问题,就可以使用这个串口进行数据收发。发送数据使用VISA Write,接收数据使用VISA Read。在接收数据之前需要使用VISA Bytes at Serial Port查询当前串口接收缓冲区中的数据字节数,如果VISA Read要读取的字节数大于缓冲区中的数据字节数,VISA Read操作将一直等待,直至Timeout或者缓冲区中的数据字节数达到要求的字节数。当然也可以分批读取接收缓冲区或者只从中读取一定字节的数据。

在某些特殊情况下,需要设置串口接收/发送缓冲区的大小,此时可以使用VISA Set I/O Buffer Size;而使用VISA Flush I/O Buffer则可以清空接收与发送缓冲区。在串口使用结束后,使用VISA Close结束与VISA resource name指定的串口之间的会话。

具体的例子可以参考:examplesinstrsmplserl.llb。
第二部分使用MSCOMM控件
在LabVIEW中使用MSCOMM控件,与在VC、VB中使用一样。同样可以使用中断方式进行接收。具体的例子可以发索取。


首先通过LabVIEW的工具菜单“Tools >> Advanced >> Import ActiveX Controls”将Microsoft的串口控件-“Microsoft Communications Control,version 6.0”添加到LabVIEW环境中,存放在缺省路径即可,这样在User Controls Palette里面可以找到这个控件。


图:选择添加用户控件

将串口控件
注意:一个串口资源要有一个MSCOMM控件与之相对应。
第三部分 注意事项
一、串口通讯的波特率设置要精确,比如要求9600的波特率,则晶振应选择11.0593MHz或其倍数。
二、由于通常情况下LabVIEW串口VI接收或发送的都是字符串(Normal),所以如果需要发送或接收十六进制数值(Hex),请在发送或接收之前进行必要的转换。
2.1、数值型数据的处理方法:
2.1.1、1、如果这些数据是静态的,也就说在程序设计阶段要传输的数据就已经确定了,在这种情况下,首先设置VISA Write的write buffer的显示属性为Hex Display,然后直接输入要发送的16进制字符串就可以了。串口设备的控制命令通常是由一个或多个16进制字符组成的,当我们需要对其进行控制时经常会采用这种方法发送控制命令。
2.1.2、数据是动态的;即要传输的数值型数据是动态产生和变化的,在发送之前首先要将其转换成对应的16进制字符串,才能赋给VISA Write发送。将这些数据构成一个数组,用Byte Array To String进行转换,转换的结果就是对应数组数值的字符串,可以提交VISA Write发送。或者使用Type Cast也可以实现同样的功能。

2.2、字符串型数据的处理方法:

数据接收:
从计算机串口接收到的数据是16进制的ASCII码,要转换成对应的数值型数据,可以使用String To Byte Array或者Type Cast。
三、LabVIEW串口VI不能使用中断方式传输。



