- 易迪拓培训,专注于微波、射频、天线设计工程师的培养
labview中使用条件结构犯的错误
录入:edatop.com 点击:


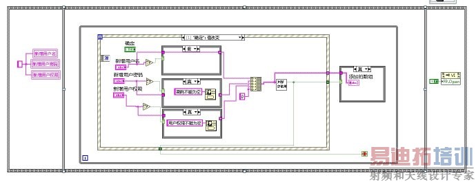
这个程序是一个登陆系统中用户管理的一部分,在实现增加用户时,判断新增加的用户输入是否为空,如果为空,则报警,并要从新输入,刚开始,我能实现报警,但是这些空的数据也会被传递到后面的程序中形成数组,并写入数据库中。经过近乎一天的寻找与实验,终于知道条件结构在判断条件后,当发现输入为空,报警,但之后还是会向后面的程序传递数值(默认值),因此在外面还是会形成数组,这样一来,达不到预期的期望。


