- 易迪拓培训,专注于微波、射频、天线设计工程师的培养
主Vi与子Vi之间的通信以及控制
二.
通过上面的概述我们认识到本文所要做的就是通过主Vi来控制子Vi的运行状态等信息,进行分析后我们总结出本文中研究的主要实现的功能如下所述:
A.
B.
C.
D.

三.
按照上面的软件流程图下面我们分部分对程序的不同部分做一详细说明。
1.
(1)主Vi界面及功能说明
主Vi通过循环产生一个循环产生随机的0-10之间的整型数据,转换成字符串,然后通过队列发送给子Vi,并可以通过前面板的两个按钮sub1和sub2的点击来控制两个子Vi的前面板的打开与关闭,同时点击停止按钮可以停止所有程序运行

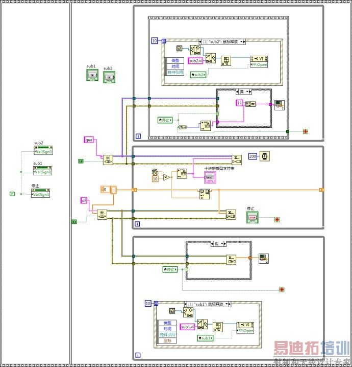
(2)主Vi后面板程序说明
主Vi的后面板全部程序如下图所示:

下面对程序中主要部分做一详细说明:
A.

B.


C.

D.
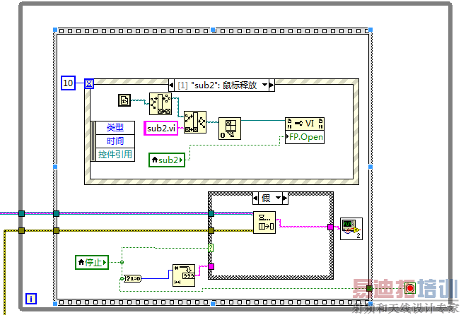
2.
(1)子Vi前面板:前面板只是一个用于显示传输过来的数据的字符串输出控件

(2)子Vi后面板程序:该部分显示子字符串,但后面板的程序主要部分是用于操作子Vi的状态,当主Vi的停止按钮按下时传来111的数值,然后在条件结构中停止运行该子Vi,并且通过内嵌的条件结构将子Vi的前面板在打开的情况下先关闭前面板再停运程序(若未打开则直接停止子Vi运行即可,因为此时添加关闭前面板的程序会出错)。

四.
运行主Vi程序,在打开一个或者两个子Vi前面板情况下或者不打开的情况下,我们都能正常关闭主Vi,并可以通过主Vi的两个按钮控制两个子Vi前面板打开与否的情况,如下图所示:

五.
对于子Vi之间数据的传递以及相互控制还可以通过全局变量,以及通过Vi引用调用属性节点的方式可以获取其他Vi的控件的值,对于这部分本人知之甚少,而且用哪一种方法更有效率更可靠也未能深入研究,希望大家能发挥自己的主观能动性尝试更多更有效率的方法,并提出更多宝贵的意见,便于编出更完美的程序。


