- 易迪拓培训,专注于微波、射频、天线设计工程师的培养
二维布尔控件的状态保持
录入:edatop.com 点击:
一. 引言
在labview编程中,我们常常需要点击某些按钮控制输出对应的值或者让主界面停留在某一个界面上,并且保持住这种状态,其中界面的保持类似于labview中常用到的选项卡控件,在这里主要用到的是事件结构和移位寄存器。下面我将设计这样一个程序来详细说明。
二.
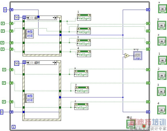
本文要设计的是通过主界面上对两组按钮的点击来输出对应的值,如下图所示。当点击上面横着的x,y,z按钮时分别输出x+y中的x的值,对应三个按钮分别为100,200,300;点击左边竖着的四个按钮时输出x+y中的y值,四个按钮分别对应于0,5,10,15.并且在下次点击某个按钮之前保持住原有的值和按钮状态不变。

三.
设计好如上面图所示的前面板,我们开始设计后面板程序,它主要可以分为三部分:初始化,事件响应,保持状态。

1.
2.
3.
四.
开始运行后程序运行很正常,证明程序保持布尔状态的效果很好。



上一篇:数据传输进程子面板
下一篇:多态VI的使用以及字符串显示多种字体


