- 易迪拓培训,专注于微波、射频、天线设计工程师的培养
超声波测距仪的制作
录入:edatop.com 点击:
这里介绍一款国外的不使用单片机的超声波测距仪。本超声波测距仪通过测量超声波发射到反射回来的时间差来测量与被测物体的距离。可以测量0.35-10m的距离。实物图如下:

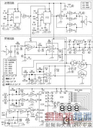
原理图如下:

一、电路原理
1 超声波发射电路
由两块555集成电路组成。IC1(555)组成超声波脉冲信号发生器,工作周期计算公式如下,实际电路中由于元器件等误差,会有一些差别。

条件: RA =9.1MΩ、 RB=150KΩ、 C=0.01μF
TL = 0.69 x RB x C
= 0.69 x 150 x 103 x 0.01 x 10-6= 1 msec
TH = 0.69 x (RA + RB) x C
= 0.69 x 9250 x 103 x 0.01 x 10-6= 64 msec
IC2组成超声波载波信号发生器。由IC1输出的脉冲信号控制,输出1ms频率40kHz,占空比50%的脉冲,停止64ms。计算公式如下:

条件: RA =1.5KΩ、 RB=15KΩ、 C=1000pF
TL = 0.69 x RB x C
= 0.69 x 15 x 103 x 1000 x 10-12= 10μsec
TH = 0.69 x (RA + RB) x C
= 0.69 x 16.5 x 103 x 1000 x 10-12= 11μsec
f = 1/(TL + TH)
= 1/((10.35 + 11.39) x 10-6)= 46.0 KHz
IC3(CD4069)组成超声波发射头驱动电路。

2 超声波接收电路

超声波接收头和IC4组成超声波信号的检测和放大。反射回来的超声波信号经IC4的2级放大1000倍(60dB),第1级放大100倍(40dB),第2级放大10倍(20dB)。 由于一般的运算放大器需要正、负对称电源,而该装置电源用的是单电源(9V)供电,为保证其可靠工作,这里用R10和R11进行分压,这时在IC4的同相端有4.5V的中点电压,这样可以保证放大的交流信号的质量,不至于产生信号失真。

C9、D1、D2、C10组成的倍压检波电路取出反射回来的检测脉冲信号送至IC5进行处理。
IC5、IC6、IC7、IC8、IC9组成信号比较、测量、计数和显示电路,即比较和测量从发出的检测脉冲和该脉冲被反射回来的时间差。它是超声波测距电路的核心,下面分析其工作原理。

由Ra、Rb、IC5组成信号比较器。其中
Vrf = (Rb x Vcc)/(Ra + Rb)= (47KΩ x 9V)/(1MΩ + 47KΩ)= 0.4V
所以当A点(IC5的反相端)过来的脉冲信号电压高于0.4V时,B点电压将由高电平"1"到低电平"0"。同时注意到在IC5的同相端接有电容C11和二极管D3,这是用来防止误检测而设置的。在实际测量时,在测距仪的周围会有部分发出的超声波直接进入接收头而形成误检测。为避免这种情况发生,这里用D3直接引入检测脉冲来适当提高IC5比较器的门限转换电压,并且这个电压由C11保持一段时间,这样在超声波发射器发出检测脉冲时,由于D3的作用使IC5的门限转换电压也随之被提高,并且由于C11的放电保持作用,可防止这时由于检测脉冲自身的干扰而形成的误检测。由以上可知,当测量距离小到一定程度时,由于D3及C11的防误检测作用,其近距离测量会受到影响。图示参数的最小测量距离在40cm左右。减小C11的容量,在环境温度为20 时可做到30cm测量最短距离。此时其放电时间为1.75ms。 [p]

原理图如下:

一、电路原理
1 超声波发射电路
由两块555集成电路组成。IC1(555)组成超声波脉冲信号发生器,工作周期计算公式如下,实际电路中由于元器件等误差,会有一些差别。

条件: RA =9.1MΩ、 RB=150KΩ、 C=0.01μF
TL = 0.69 x RB x C
= 0.69 x 150 x 103 x 0.01 x 10-6= 1 msec
TH = 0.69 x (RA + RB) x C
= 0.69 x 9250 x 103 x 0.01 x 10-6= 64 msec
IC2组成超声波载波信号发生器。由IC1输出的脉冲信号控制,输出1ms频率40kHz,占空比50%的脉冲,停止64ms。计算公式如下:

条件: RA =1.5KΩ、 RB=15KΩ、 C=1000pF
TL = 0.69 x RB x C
= 0.69 x 15 x 103 x 1000 x 10-12= 10μsec
TH = 0.69 x (RA + RB) x C
= 0.69 x 16.5 x 103 x 1000 x 10-12= 11μsec
f = 1/(TL + TH)
= 1/((10.35 + 11.39) x 10-6)= 46.0 KHz
IC3(CD4069)组成超声波发射头驱动电路。

2 超声波接收电路

超声波接收头和IC4组成超声波信号的检测和放大。反射回来的超声波信号经IC4的2级放大1000倍(60dB),第1级放大100倍(40dB),第2级放大10倍(20dB)。 由于一般的运算放大器需要正、负对称电源,而该装置电源用的是单电源(9V)供电,为保证其可靠工作,这里用R10和R11进行分压,这时在IC4的同相端有4.5V的中点电压,这样可以保证放大的交流信号的质量,不至于产生信号失真。

C9、D1、D2、C10组成的倍压检波电路取出反射回来的检测脉冲信号送至IC5进行处理。
IC5、IC6、IC7、IC8、IC9组成信号比较、测量、计数和显示电路,即比较和测量从发出的检测脉冲和该脉冲被反射回来的时间差。它是超声波测距电路的核心,下面分析其工作原理。

由Ra、Rb、IC5组成信号比较器。其中
Vrf = (Rb x Vcc)/(Ra + Rb)= (47KΩ x 9V)/(1MΩ + 47KΩ)= 0.4V
所以当A点(IC5的反相端)过来的脉冲信号电压高于0.4V时,B点电压将由高电平"1"到低电平"0"。同时注意到在IC5的同相端接有电容C11和二极管D3,这是用来防止误检测而设置的。在实际测量时,在测距仪的周围会有部分发出的超声波直接进入接收头而形成误检测。为避免这种情况发生,这里用D3直接引入检测脉冲来适当提高IC5比较器的门限转换电压,并且这个电压由C11保持一段时间,这样在超声波发射器发出检测脉冲时,由于D3的作用使IC5的门限转换电压也随之被提高,并且由于C11的放电保持作用,可防止这时由于检测脉冲自身的干扰而形成的误检测。由以上可知,当测量距离小到一定程度时,由于D3及C11的防误检测作用,其近距离测量会受到影响。图示参数的最小测量距离在40cm左右。减小C11的容量,在环境温度为20 时可做到30cm测量最短距离。此时其放电时间为1.75ms。 [p]


