- 易迪拓培训,专注于微波、射频、天线设计工程师的培养
DMM电阻测量分析笔记二~ 电流源输出保护
录入:edatop.com 点击:
由于数字万用表的电压测量端口与电阻测量端口是共用一个表笔口的,而电阻测量是通过恒流法把电阻转换成电压然后传送给AD测量。所以,面对电压测量时有可能输入的高达1000V高压,而且不能分流电流源,如何设计欧姆电流源的输出保护和隔离工作呢?

看安捷伦34401A是怎么做到的——

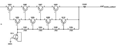
参考了网上mengxin大神的分析,得知如下:CR202是高压二极管,查阅34401A手册便知,型号为GP10Y,最高耐压1600V,电流500mA,用在这里足够了。当OHMS_CURRENT为正高压时,必定比二极管左边电压高,二极管反向截止,所以电流无法通过。当OHMS_CURRENT为负高压时,注意到最下面的NJFET其漏极和源级相连,即相当于一个正向接地的二极管,因而把三极管Q204的基极电压嵌位到-0.6V,所以,除非Q203和Q204这两个三极管的发射结正向偏置才会导通(这个依靠上面电路),否则不会把负高压传到电流源。至于为什么要用四级串联的达林顿管连接呢?因为高反压PNP管(型号MMBT6520)每只Vceo最高-350V,要达到承受1000V的指标,那么保险的做法是用四级来平摊,每级250V,余量100V,这样就安全了。
明白了这样做的原理后,我就进行了下图类似的设计:

指标要求低些,250V也足够了。所以只需要一级达林顿管的连接。
上一篇:用误码率测试仪测试驱动FEC代码
下一篇:关于红外热像仪的简单介绍


