- 易迪拓培训,专注于微波、射频、天线设计工程师的培养
开关电源的测量
录入:edatop.com 点击:
电子器件的电源测量通常情况是指开关电源的测量(当然还有线性电源)。讲述开关电源的资料非常多,本文讨论的内容为PWM开关电源,而且仅仅是作为测试经验的总结,为大家简述容易引起系统失效的一些因素。因此,在阅读本文之前,已经假定您对于开关电源有一定的了解。


1 开关电源简述
开关电源(Switching Mode Power Supply,常常简化为SMPS),是一种高频电能转换装置。其功能是将电压透过不同形式的架构转换为用户端所需求的电压或电流。
开关电源的拓扑指开关电源电路的构成形式。一般是根据输出地线与输入地线有无电气隔离,分为隔离及非隔离变换器。非隔离即输入端与输出端相通,没有隔离措施,常见的DC/DC变换器大多是这种类型。所谓隔离是指输入端与输出端在电路上不是直接联通的,使用隔离变压器通过电磁变换方式进行能量传递,输入端和输出端之间是完全电气隔离的。
对于开关变换器来说,只有三种基本拓扑形式,即:
- Buck(降压)
- Boost(升压)
- Buck-Boost(升降压)
三种基本拓扑形式,是电感的连接方式决定。若电感放置于输出端,则为Buck拓扑;电感放置于输入端,则是Boost拓扑。当电感连接到地时,就是Buck-Boost拓扑。
2 容易引发系统失效的关键参数测试
以下的测试项目除了是指在静态负载的情况下测试的结果,只有噪声(noise)测试需要用到动态负载。
2.1Phase点的jitter

图一
对于典型的PWM开关电源,如果phase点jitter太大,通常系统会不稳定(和后面提到的相位裕量相关),对于200~500K的PWM开关电源,典型的jitter值应该在1ns以下。
2.2Phase点的塌陷
有时候工程师测量到下面的波形,这是典型的电感饱和的现象。对于经验不够丰富的工程师,往往会忽略掉。电感饱和会让电感值急剧下降,类似于短路了,这样会造成电流的急剧增加,MOS管往往会因为温度的急剧增加而烧毁。这时需要更换饱和电流更大的电感。

图二
2.3Shoot through测试
测试的目的是看上MOS管导通时,有没有同时把下管打开,从而导致电源直接导通到地而引起短路。如图三所示蓝色曲线(Vgs_Lmos)就是下管在上管导通的同时,被带了起来,如果蓝色曲线的被带起来的尖峰超过了MOS管的Vth要求,同时持续时间(Duration)也超过了datasheet要求,从而就会有同时导通的风险。当然,这是大家最常见到的情况。

图三
下面这种情况有非常多的人会忽视,甚至是一些比较有经验的电源测试工程师。下面组图四是下管打开,上管关闭时候的波形(图4-1是示意图,图4-2示实际测试图)。虽然没有被同时带起的情况,但是请注意上下管有交叉的现象,而且交叉点的电平远高于MOS管规定的Vth值,这是个严重的shoot through现象。最直接的后果就是MOS管烧毁! [p]


图4-1

图4-2
组图四
2.4相位裕量和带宽 (phase margin and bandwidth)
相位裕量和带宽是很多公司都没有测试的项目(尤其是规模较小的公司受限于仪器),但是这却是个非常重要的测试项目。电源系统是否稳定,是否能长时间(3年或以上)有效工作,相位裕量和带宽可以在很大程度上说起了决定性的作用。很多公司完全依赖于电源芯片厂家给的参考设计方案里的推荐值,但是跟你的设计往往有不小的差异,这样会有很大的潜在风险。
如果系统是一个不稳定的系统,反映在一些电源测试项目里面,会看到以下几个主要问题。
- 电源的Noise测试通过,但是电源依然不稳定。表现为功能测试fail。常常有工程师在debug时说我的电源noise已经很小了,加了很多电容了,为啥还是跑不动呢?其实是他的闭环系统本来就不稳定。
- Phase点jitter过大。这是比较典型的不稳定现象。
- 瞬态响应(Transient response)太大。最笨的办法就是加很多电容,去满足瞬态响应的要求。对于低成本产品,这可是要钱的啊。
如果你没有用正确的方法测试出系统的环路增益的波特图,那么你如何下手去调试这些项目让他通过测试呢?只有来来回回不停作实验。然后来来回回跑功能测试。Oh, my god, 浩大的工作量。而且,对于一些低成本的产品,往往用到了铝电解电容,MLCC电容等低成本方案(电感,电阻值基本没有变化)。这些电容的容值会随着时间变化而减少。如MLCC,系统运行在正常温度两年~三年,容值会变到原来的一半。而这一半电容的变化,会对系统的稳定造成很大的影响,这也是为什么很多低价的产品质量不可靠的一个重要原因。那是不是说价格越高,用越多的电容就越好呢,当然不是。这就是为啥要测试phase margin的原因。你需要调试一组合理的值,能够同时覆盖全电容以及半电容的要求。这样同样能做到低价格高品质。
根据奈奎斯特定理对系统稳定性要求,规范要求一个闭环系统的相位裕量最少为60度,45~60度可以考虑为最低限额要求。对于带宽,200~500K的开关电源的要求在10%~30%的开关频率。从开关电源的稳定性看带宽越低,电源越容易稳定。从开关电源的动态指标看,带宽越高电源的动态性能越好。
下图五为典型的波特图:

图五
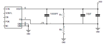
另外一点非常重要的是,除了PWM开关电源,有很多线性电源(LDO),其补偿网络在芯片外部的,也要做类似的环路增益的波特图测试,从而确保其稳定性。LDO的测试,是绝大多数厂家容易忽略掉的。比如如下图六所示这种电路,很多人会直接测量noise完事。

图六
我们有可能会看到的相位裕量不能达到要求。如下图七,只有30度左右。这个时候,只有调试不同的参数,才能得到比较好的结果。从而满足系统稳定性的要求。

图七
2.5电源纹波(ripple)和噪声(noise)
电源纹波和噪声,看起来是电源测试里面最简单的项目。但是也有可能对你的测试结果和功能有比较大的影响。
首先是纹波,我们测试的时候,只是看是不是符合规范要求,比如30mV等等。有些时候,纹波和系统的PLL是有关系的。如果你的PLL jitter不过 ,可以考虑进一步减小ripple。
噪声,有人会问,为啥我的系统noise和他的系统noise基本是一个范围,但是我的系统会跑fail呢?首先我们要排除前面讲的系统稳定性原因,然后,亲,你有没有用示波器做过FFT,看看同样noise在频域上的区别呢?


