- 易迪拓培训,专注于微波、射频、天线设计工程师的培养
[LabVIEW]关于获取Multicolumns List的数据行数
录入:edatop.com 点击:
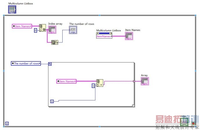
遇到这样的问题:在labview中要用for循环来读取列表中的数据,但是数据的行数需要与for循环次数相符合,那么就需要获取列表里显示的数据的行数了
,下面是方法


利用了IndexArray来读取列表中ItemNames的Index列的值并形成数组,然后ArraySize即可轻松获取列表中的数据的行数了。我是不是很聪明啊?


