- 易迪拓培训,专注于微波、射频、天线设计工程师的培养
探头讲解第一篇:高压差分探头
探头的种类很多,其中高压差分探头在开关电源应用中十分广泛,然而很多工程师对差分探头的理解不是很深刻,市场上差分探头生产厂家也不少,性能指标各不相同,甚至相差甚远,造成测出的波形也不尽相同,工程师无法看到正确波形。本文将主要讲述什么是差分信号,差分信号的测量,高压差分探头的主要指标,优缺点和相关使用技巧,以及高压差分探头在开关电源的典型应用。
2.什么是差分信号
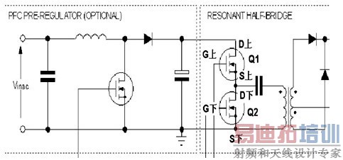
在讲解差分探头之前,先来了解差分信号。差分信号是互相参考,而不是参考接地的信号。例如,图1开关电源中半桥上下开关管(Q1,Q2管)中电压信号;图2多相电源系统中电压信号,以上信号在本质上是“漂浮”在地之上。

图1开关电源中的开关管上的差分信号

目前差分信号的常见测量方法如下:
1)使用两个探头测量,再利用示波器数学运算功能计算,如图3

图3 使用两个探头测量,再利用示波器数学运算功能计算
使用两个探头进行两项单端测量,这是一种常用方法,也是进行差分测量最不希望的方法。测量到地的信号(单端)及使用示波器的数学运算函数(通道A信号减去通道B),就可测量差分信号。在信号时低频信号,信号幅度足够大,能够超过任何担心的噪声情况下,可以采取这种方法。两个单端测量组合在一起有多个潜在问题。其中一个问题是沿着每个探头直到每条示波器通道有两条单独的长信号通路。这两条通路之间的任何延时差都会导致两个信号发生时间偏移。在高速信号上,这个偏移会导致计算的差分信号中发生明显的幅度和定时误差。另一个问题是它们不能提供足够的共模噪声抑制。实际电路中,共模噪声源很多,比如说,附近时钟线在两条信号线上导致的噪声,荧光等外部来源发出的噪声。随着频率的提高,单端测量的CMMR(共模抑制比)的性能会迅速下降。如果保留共模干扰的话,这会导致信号的噪声比实际的噪声还要大的多。
2) 示波器浮地测量
目前常见的错误浮地测量方法就是示波器浮地测量方法,是通过切断标准三头AC插座地线的方法或使用一个交流隔离变压器,切断中线与地线的连接。将示波器从保护地线浮动起来,如图4,以减小地环路的影响。这种方法其实并不可行,因为在建筑物的布线中中线也许在某处已经与地线相连,是不安全的测量方法;此外,它违反了工业健康和安全规定,且获得的测量结果也差。而且示波器在地浮动时会出现一个大的寄生电容,浮动测量将受到振荡的破坏,测量的波形失真严重,后续会有实例演示。总而言之,示波器浮地测量容易损坏被测器件;损坏示波器;给人身带来潜在危害;测量误差大。

3)差分测量
浮地测量的最佳解决办法就是使用高共模抑制比的差分探头,因为两个输入端都不存在接地的问题,两路输入信号的差分运算在探头前端放大器完成,传输到示波器通道的信号是已差分后的电压,示波器无需去掉三线插头的接地端即可实现安全的浮地测量,如图5。

4.差分探头
常见的差分探头中有一类是针对低压信号的,在高速的数字电路中这种差分信号比较常见,这一类差分探头的测量电压常见的幅值是±8V,带宽一般在1GHz以上;另一类是专门针对高压测量的,测量电压高达上KV,在开关电源测量中这种差分信号比较常见,这类差分探头叫高压差分探头,测量电压一般在KV级别,带宽在20MHz—100MHz范围内比较常见。
差分探头主要是针对浮地系统的测量。电源系统测试中经常要求测量三相供电中的火线与火线,或者火线与零(中)线的相对电压差,很多用户直接使用单端探头测量两点电压,导致探头烧毁的现象时有发生。这是因为:大多数示波器的“信号公共线”终端与保护性接地系统相连接,通常称之为“接地”。这样做的结果是:所有施加到示波器上,以及由示波器提供的信号都具有一个公共的连接点。该公用连接点通常是示波器机壳通过使用交流电源设备电源线中的第三根导线地线,将探头地线连到一个测试点上。如果这时使用单端探头测量,那么单端探头的地线与供电线直接相连,后果必然是短路。这种情况下,我们需要差分探头进行浮地测量。
差分探头3大重要指标:
带宽 (通用):所有探头都有带宽。探头的带宽是指探头响应导致输出幅度下降到70.7%
(-3 dB)的频率,如图6所示。在选择示波器和示波器探头时,要认识到带宽在许多方面影响着测量精度。在幅度测量中,随着正弦波频率接近带宽极限,正弦波的幅度会变得日益衰减。在带宽极限上,正弦波的幅度会作为实际幅度的70.7% 进行测量。因此,为实现最大的幅度测量精度,必需选择带宽比计划测量的最高频率波形高几倍的示波器和探头。这同样适用于测量波形上升时间和下降时间。波形转换沿(如脉冲和方形波边沿)是由高频成分组成的。带宽极限使这些高频成分发生衰减,导致显示的转换慢于实际转换速度。为精确地测量上升时间和下降时间,使用的测量系统必需使用拥有充足的带宽,可以保持构成波形上升时间和下降时间的高频率成份。最常见的情况下,使用测量系统的上升时间时,系统的上升时间一般应该比要测量的上升时间快4-5 倍。在开关电源领域,一般50MHz的带宽就基本够用了。

CMRR (共模抑制比):共模抑制比(CMRR)是指差分探头在差分测量中抑制两个测试点共模信号信号的能力。这是差分探头的关键指标,其公式为:CMRR = |Ad/Ac|。其中:Ad = 差分信号的电压增益。Ac = 共模信号的电压增益。在理想情况下,Ad 应该很大,而Ac 则应该等于0,因此CMRR 无穷大。在实践中,10,000:1 的CMRR 已经被看作非常好了。这意味着将抑制5 V 的共模输入信号,使其在输出上显示为0.5 毫伏。由于CMRR 随着频率提高而下降,因此指定CMRR 的频率与CMRR 值一样重要。CMRR对于测量全桥或者半桥电路的上管驱动波时,显得尤为重要,这也是高压差分探头测量这类信号时的难点。如图1中,上管GS驱动电压很小,但是共模电压很高,测量改点波形时,对差分探头的CMRR要求比较高,后续将会有实例演示分析。 [p]
畸变:畸变是输入信号预计响应或理想响应的任何幅度偏差。在实践中,在快速波形转换之间通常会立即发生畸变,其表现为所谓的“减幅振荡”。差分探头的两个差分输入线非常长,常见的有50cm左右,如果差分探头这个指标设计不好,那么测量的信号容易产生畸变。市场上不同厂家的差分探头测出的结果可能不同,有的相差甚远,这个指标就是其中原因之一。
当然差分探头还有输入阻抗,输入电容,精度,衰减系数等指标,市场上各个厂家差别不大,一般也不会出问题,所以这里就不一一介绍了。
5.高压差分探头测试实例分析
5.1差分探头测试半桥电路中MOS管的DS极间电压
以下是利用CYBERTEK公司DP6130测试半桥电路上下管DS波形实例:



5.2差分探头测试半桥电路中MOS管的GS极间驱动电压
以下是利用CYBERTEK公司DP6130测试上下管GS波形实例:



通过以上实例分析,高压差分探头也可以测量驱动波形。差分探头在测量驱动管波形时,特别是上管驱动波形,由于差分电压(驱动电压)很小,只有十几V,但是共模电压很大,通常达到几百V,这时CMRR(共模指标)就显得尤为重要,如果CMRR指标不够高,测量这类信号时,波形将会严重失真。下午将重点讨论差分探头的CMRR问题。
5.3差分探头CMRR的实例分析
如何简单测量差分探头的CMRR指标,通过下面的实例分析将使用户有个基本了解。还是以上面的测试平台为例,将差分探头的红黑夹子短接,同时勾住上管的G极,理论上差分探头的输出应该为零,而实际上不可能,原因就在于,被测点对地有很高的共模电压,接近480V,而差分探头的共模抑制能力有限,那么就会有输出,输出越大,证明差分探头的CMRR能力越差。



通过以上图片可以看出,由于差分探头的共模能力有限,共模信号的输出峰峰值有 2.64V,会影响实际的驱动波形测量,图上的尖峰影响高频部分,其它部分影响低频部分。现在我们来仔细分析驱动波形,请看下图上管驱动波形图片分析:

以上图片可以看出,DP6130测量驱动波形,波形失真还是比较小的,原因在于CMRR指标是比较高。CYBERTEKDP6130 差分探头驱动波形时,示波器是每格5V,而根据共模信号波形可知,共模信号输出的峰峰值只有2.64V,所以实测到的驱动波形几乎看不到波形的失真,基本达到应用要求。市场上各个厂家的CMRR能力不尽相同,大家可以用该种方法判断你探头的共模抑制比能力,同时让你能够准确判断你测试出的驱动波形是否接近实际值。 [p]
5.4示波器浮地测量(使用普通的探头)和差分探头对比
在差分信号的测量方法中我们提过示波器浮地测量方法,现在我们举个实例分析一下,和差分探头测量进行对比。



通过以上图16和图19分析可知,示波器浮地测量的失真比较大,且存在安全隐患,当然差分探头测量时对CMRR指标要求比较高,否则测量失真也比较严重!
6.差分探头使用技巧
6.1差分探头输入线双绞
不知你是否发现,以上图片测量时,可以看到差分输入线是双绞起来,这是有原因的。大家都知道,差分输入线很长,就像两根天线一样,会吸收各种干扰,实验证明,双绞线可以提供探头的CMRR指标,提高抗干扰能力,特别是测量小信号时非常重要,当然双绞线的使用会降低探头的带宽指标,不过影响不大。
以下图20将证明双绞线的作用:

以上图片是差分输入线未双绞时的输出,可以看到共模信号输出明显偏大,为3.02V,比双绞时输出2.64V大了不小。所以建议在测量小信号时,差分输入线双绞,提高CMRR能力。
6.2差分探头测量时避免手等接触差分输入线
下图21是用手接触差分输入线的影响

差分探头总结如下:差分探头是目前开关电源中最常用的工具之一,满足浮地测量要求和隔离的需要;测量大信号时,只要探头的畸变能力做的好,一般不会存在问题;测量小信号时,选用CMRR能力做得好的厂家,同时注意测量方法,比如双绞线方法,能够提供测量的准确性,CYBERTEK 生产的DP6000系列探头基本满足各种场合下的测量需求。
参考文献:
1.探头ABC 基础篇-泰克公司
2.示波器探头基础系列之三——关于差分探头 李海龙 美国力科公司深圳代表处
上一篇:三相电源测量知识ABC
下一篇:脉宽调制(PWM)
马达驱动器电源的测试分析(上)


