- 易迪拓培训,专注于微波、射频、天线设计工程师的培养
简易线圈匝间短路测试器
录入:edatop.com 点击:
使用555集成定时器。加少量的外围元件,可做成简单、实用的线圈匝间短路测试器。利用它能简单、准确地测定行输出变压器、开关变压器、行推动变压器和偏转组件的线圈是否存在匝间短路。
一、电路结构
555电路是一块功能强大,使用灵活,应用广泛的集成电路。采用8脚双列直插结构。在3~18V内均可正常工作。
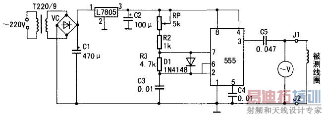
用555电路制作的线圈匝间短路测试器的电原理图如附图所示。555电路与外接元件构成多谐振荡器。方波脉中由③脚经C5耦合输出。
测试器可安装在一个体积为65×50×40mm。的直流电源塑料盒中。体积小巧。使用方便。交流电压表用电冰箱延时稳压器上常用的微形交流电压表改装而成:改装时分别刮去原字面上100、200、300三个数字最后面的一个0。将原来的整流二极管1N4007换成高频整流二极管。接入已知的30V、50Hz的交流电压。适当减小并调整原分压电阻的大小,使指针指在30V刻度线上即可。
图1中的定时电容C3和输出耦合电容C5要选用高频特性好的高频瓷片电容或薄膜电容。输出端J1、J2接两根带鳄鱼夹的软导线。

二、使用方法
测试器空载时。交流电压表的示数约为1V。用示波器测量输出端为5Vpp的方波脉冲,调节RP。方波脉冲的频率可在12.5~25kHz之间变化。
测试时,测试器的两个输出端J1、J2分别接被测电感的两端。被测线圈的电感L与输出耦合电容C5组成串联电路。调节RP,当输出方波脉冲的频率等于LC串联电路的固有频率时,电压表的示数最大。如果被测线圈的电感量较大(如彩色电视机的“FBT”初级线圈的电感为3.26mH),绕组无匝间短路时。电压表的示数可达30V。若用示波器测量线圈两端为一幅度为80Vpp。周期为80us(频率为12.5kHz)的正弦波。如果被测线圈的电感量较小(如行推动变压器的次级线圈为0.427mH),电压表的最大示数为16V。用示波器测量为35Vpp周期为30 us的正弦波。
当被测线圈存在匝间短路时,线圈的Q值大幅度下降,这时电压表的示数会大大减小。
1 行输出变压器(FBT)的检测
(1) 独立检测:将待测“FBT”从电路板上焊下来,对于彩色电视机或彩色显示器的“FBT” ,将测试器的两输端接“FBT”的初级绕组(+B端与C端)。若为黑白电视机的“FBT”接升压电容和阻尼二极管连接端,调节RP使电压表的示数UL最大。无匝间短路的“FBT”。电压表的示数一般在20V~30V之间。用导线在“FBT”的磁芯上穿绕一匝,将两端连通,做成一匝短路环,这时电压表的示数Uo下降到2V左右。
无匝间短路的“FBT”,UL/Uo>8,内部存在匝间短路的“FBT”。UL大大减小,UL/Uo6。内部存在匝间短路的开关变压器,UL的值很小,且匝间短路越严重时,UL的值越小。当穿绕一匝短路环时,电压表的示数下降得很小,UL/Uo6。匝间短路的行推动变压器,UL的值小得多,穿绕一匝短路环时,电压表的示数下降得也很小,且匝间短路越严重,UL 的值越小。
用硅钢片做磁芯的行推动变压器,其UL和Uo都很小,不能用此测试器来检测判定。
4 行偏转线圈的检测
将偏转线圈的插头从电路板上取下来,测试器的输出端接行偏转线圈的输入端,调节RP使UL最大。无匝间短路的行偏转线圈的UL一般在22V左右。如果测得的UL较小,可再将行偏转线圈的两个绕组分开,分别检测它们的UL值,无匝间短路的行偏转线圈,两个UL值近似相等,如果两者相差较大。则行偏转线圈内存在匝间短路。还可进一步将行偏转线圈从显象管上取下来,紧贴行偏转线圈做一短路环,检测Uo,无匝间短路的行偏转线圈Uo一般在16V左右。由于行偏转线圈的绕组之间采用松耦合,无匝间短路的行偏转线圈,UL/Uo>1.3,匝间存在短路的行偏转线圈UL/Uo>1.2。
三、对检测结果的说明
对于不同的电感线圈,由于L、Q及绕组之间的耦合度不同,用该线圈匝间短路测试器测得的UL和Uo离散性较大。对于行输出变压器、开关变压器和行推动变压器这类电感量较大,Q值高和线圈之间采用紧耦合的电感线圈,由于UL/Uo>6,可简单、准确地判定绕组是否存在匝间短路。对于行偏转线圈这类绕组间采用松耦合的电感线圈,无匝间短路的行偏转线圈UL/Uo
一、电路结构
555电路是一块功能强大,使用灵活,应用广泛的集成电路。采用8脚双列直插结构。在3~18V内均可正常工作。
用555电路制作的线圈匝间短路测试器的电原理图如附图所示。555电路与外接元件构成多谐振荡器。方波脉中由③脚经C5耦合输出。
测试器可安装在一个体积为65×50×40mm。的直流电源塑料盒中。体积小巧。使用方便。交流电压表用电冰箱延时稳压器上常用的微形交流电压表改装而成:改装时分别刮去原字面上100、200、300三个数字最后面的一个0。将原来的整流二极管1N4007换成高频整流二极管。接入已知的30V、50Hz的交流电压。适当减小并调整原分压电阻的大小,使指针指在30V刻度线上即可。
图1中的定时电容C3和输出耦合电容C5要选用高频特性好的高频瓷片电容或薄膜电容。输出端J1、J2接两根带鳄鱼夹的软导线。

二、使用方法
测试器空载时。交流电压表的示数约为1V。用示波器测量输出端为5Vpp的方波脉冲,调节RP。方波脉冲的频率可在12.5~25kHz之间变化。
测试时,测试器的两个输出端J1、J2分别接被测电感的两端。被测线圈的电感L与输出耦合电容C5组成串联电路。调节RP,当输出方波脉冲的频率等于LC串联电路的固有频率时,电压表的示数最大。如果被测线圈的电感量较大(如彩色电视机的“FBT”初级线圈的电感为3.26mH),绕组无匝间短路时。电压表的示数可达30V。若用示波器测量线圈两端为一幅度为80Vpp。周期为80us(频率为12.5kHz)的正弦波。如果被测线圈的电感量较小(如行推动变压器的次级线圈为0.427mH),电压表的最大示数为16V。用示波器测量为35Vpp周期为30 us的正弦波。
当被测线圈存在匝间短路时,线圈的Q值大幅度下降,这时电压表的示数会大大减小。
1 行输出变压器(FBT)的检测
(1) 独立检测:将待测“FBT”从电路板上焊下来,对于彩色电视机或彩色显示器的“FBT” ,将测试器的两输端接“FBT”的初级绕组(+B端与C端)。若为黑白电视机的“FBT”接升压电容和阻尼二极管连接端,调节RP使电压表的示数UL最大。无匝间短路的“FBT”。电压表的示数一般在20V~30V之间。用导线在“FBT”的磁芯上穿绕一匝,将两端连通,做成一匝短路环,这时电压表的示数Uo下降到2V左右。
无匝间短路的“FBT”,UL/Uo>8,内部存在匝间短路的“FBT”。UL大大减小,UL/Uo6。内部存在匝间短路的开关变压器,UL的值很小,且匝间短路越严重时,UL的值越小。当穿绕一匝短路环时,电压表的示数下降得很小,UL/Uo6。匝间短路的行推动变压器,UL的值小得多,穿绕一匝短路环时,电压表的示数下降得也很小,且匝间短路越严重,UL 的值越小。
用硅钢片做磁芯的行推动变压器,其UL和Uo都很小,不能用此测试器来检测判定。
4 行偏转线圈的检测
将偏转线圈的插头从电路板上取下来,测试器的输出端接行偏转线圈的输入端,调节RP使UL最大。无匝间短路的行偏转线圈的UL一般在22V左右。如果测得的UL较小,可再将行偏转线圈的两个绕组分开,分别检测它们的UL值,无匝间短路的行偏转线圈,两个UL值近似相等,如果两者相差较大。则行偏转线圈内存在匝间短路。还可进一步将行偏转线圈从显象管上取下来,紧贴行偏转线圈做一短路环,检测Uo,无匝间短路的行偏转线圈Uo一般在16V左右。由于行偏转线圈的绕组之间采用松耦合,无匝间短路的行偏转线圈,UL/Uo>1.3,匝间存在短路的行偏转线圈UL/Uo>1.2。
三、对检测结果的说明
对于不同的电感线圈,由于L、Q及绕组之间的耦合度不同,用该线圈匝间短路测试器测得的UL和Uo离散性较大。对于行输出变压器、开关变压器和行推动变压器这类电感量较大,Q值高和线圈之间采用紧耦合的电感线圈,由于UL/Uo>6,可简单、准确地判定绕组是否存在匝间短路。对于行偏转线圈这类绕组间采用松耦合的电感线圈,无匝间短路的行偏转线圈UL/Uo
上一篇:二极管与三极管的检测方法
下一篇:运放测试仪的制作


