- 易迪拓培训,专注于微波、射频、天线设计工程师的培养
仪表放大器设计和制作
录入:edatop.com 点击:
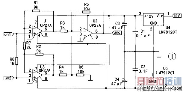
本仪表放大器是由三个OA27P集成运算放大器组成,OA27P的特点是低噪声、高速、低输入失调电压和卓越的共模抑制比。仪表放大器电路连接成比例运算电路形式,其中前两个运放组成第一级,二者都接成同相输入形式,因此具有很高的输入电阻。由于电路的结构对称,它们的漂移和失调都有互相抵消的作用。后一个运放组成差分放大器,将差分输入转换为单端输出。经计算,本设计中仪表放大器的电压放大倍数Au=R5/R3(1+2R1/R2)=100,结果将在仿真中验证。
仪表放大器的结构特点:使仪表放大器成为一种高输入电阻,高共模抑制比,具有较低的失调电压,失调电流、噪声及飘移的放大器。在使用时,在图1中R4、R5、R6、R7四个电阻要精密且匹配,否则将给放大倍数带来误差,而且将降低电路的共模抑制比。
一、仪表放大器电路图
本设计采用Prote199se电路仿真软件,绘制电原理图后可自动生成印制线路板图.还可进行电路仿真。绘制电原理图时特别要注意选择各种元件的封装形式.这也是后序能否成功自动布线的关键之一。本设计中各元件的封装形式如下:电阻(AXIAL0.3)、电解电容(RB.2/.4)、瓷介电容(RAD0.1)、集成电路(DIP-8)、三端稳压块(TO-220)。
仪表放大器的电路图如图1。图中R8是原理图电气检查时附加的,实际制作时不用安装。

二、电原理图绘制与印制板图设计
1、进入Prote199se SCH界面,绘制电原理图; 经电气检查(Tool—ERC), 无误后即可生成网络表(Design—Great Netlist)。
2、进入Prote199se PCB界面,绘制印制板图。先确定外围尺寸:长50mm、宽25mm。且要求外框接地又不能封闭如图2。接着载入网络表(Design—Load Nets),把所有的元件合理地布到印制板图上。进行自动布线参数的设置(Options—Rules)。最基本的有三点:线宽、线距和层数。本设计采用单面板。参数设置完毕。即可执行自动布线命令(Auto Routs—All)。设计结果:图2为印制板图(比例:1:1),图3为元件分布图(比例2:1)。


三仪表放大器电路原理仿真
1、仿真步骤如下:
(1)添加仿真库
(2)从仿真元件库中选取、放置所需的元件.连接好原理图.加上激励源,设置好参数.如图4。

注意:
①R8、C1、C2、C3、C4、U4、U5可不接;
② 把VCC设置成+15V.VEE设置成-15V;
③VCC、VEE 电源要单独画。
(3) 执 行Simulate—Setup命令,加入需要分析的信号input1、input2以及output,再执行Simulate—Run命令.即可看到所设置的仿真波形 图。例如图5、图6、图7。

2、仿真结果分析
(1)输出电压Voul=100(Vin1+Vin2);
(2)当输入信号频率约为50kHz时.输出信号开始失真;
(3)本仪表放大器的低频响应很好,当输入信号频率为1Hz时,输出信号仍不失真。
仪表放大器的结构特点:使仪表放大器成为一种高输入电阻,高共模抑制比,具有较低的失调电压,失调电流、噪声及飘移的放大器。在使用时,在图1中R4、R5、R6、R7四个电阻要精密且匹配,否则将给放大倍数带来误差,而且将降低电路的共模抑制比。
一、仪表放大器电路图
本设计采用Prote199se电路仿真软件,绘制电原理图后可自动生成印制线路板图.还可进行电路仿真。绘制电原理图时特别要注意选择各种元件的封装形式.这也是后序能否成功自动布线的关键之一。本设计中各元件的封装形式如下:电阻(AXIAL0.3)、电解电容(RB.2/.4)、瓷介电容(RAD0.1)、集成电路(DIP-8)、三端稳压块(TO-220)。
仪表放大器的电路图如图1。图中R8是原理图电气检查时附加的,实际制作时不用安装。

二、电原理图绘制与印制板图设计
1、进入Prote199se SCH界面,绘制电原理图; 经电气检查(Tool—ERC), 无误后即可生成网络表(Design—Great Netlist)。
2、进入Prote199se PCB界面,绘制印制板图。先确定外围尺寸:长50mm、宽25mm。且要求外框接地又不能封闭如图2。接着载入网络表(Design—Load Nets),把所有的元件合理地布到印制板图上。进行自动布线参数的设置(Options—Rules)。最基本的有三点:线宽、线距和层数。本设计采用单面板。参数设置完毕。即可执行自动布线命令(Auto Routs—All)。设计结果:图2为印制板图(比例:1:1),图3为元件分布图(比例2:1)。


三仪表放大器电路原理仿真
1、仿真步骤如下:
(1)添加仿真库
(2)从仿真元件库中选取、放置所需的元件.连接好原理图.加上激励源,设置好参数.如图4。

注意:
①R8、C1、C2、C3、C4、U4、U5可不接;
② 把VCC设置成+15V.VEE设置成-15V;
③VCC、VEE 电源要单独画。
(3) 执 行Simulate—Setup命令,加入需要分析的信号input1、input2以及output,再执行Simulate—Run命令.即可看到所设置的仿真波形 图。例如图5、图6、图7。

2、仿真结果分析
(1)输出电压Voul=100(Vin1+Vin2);
(2)当输入信号频率约为50kHz时.输出信号开始失真;
(3)本仪表放大器的低频响应很好,当输入信号频率为1Hz时,输出信号仍不失真。
上一篇:数字电压表ICL7106/7107的应用
下一篇:功率驻波表的制作


