- 易迪拓培训,专注于微波、射频、天线设计工程师的培养
石化行业电能质量分析及治理
录入:edatop.com 点击:
1.引言
随着我国建设资源节约型、环境友好型社会战略的实施,石化行业在资源保障、节能减排、安全生产等方面,面临着更加严峻的形势和任务。石化行业生产工艺技术复杂,运行条件苛刻,电能质量问题也日趋严重,电力系统稍有不慎就可能引发严重的安全事故。如何提升电能质量对保障用电设备安全稳定运行,提高行业能源综合利用效率,减少电网污染,实行安全生产至关重要。
2.衡量石化行业电能质量的指标
石化行业电能质量的指标相较于其他行业并无差异,但由于其自身电网系统的复杂性就决定了其对电能质量的要求更为苛刻,衡量石化行业电能质量的指标主要有以下几点:
石化行业生产线长、涉及面广,自动化程度高,复杂的装置间关联度。由于生产的需要,存在大量快速变化的冲击性负荷,电力负荷构成也发生了质的变化。大量非线性负载的接入不可避免地产生诸多电能问题:电压的闪变及波动、功率因数偏低、无功消耗过大、谐波干扰等。其中谐波干扰的问题是目前石化行业电能质量最为关注的问题。
在实际的供电系统中,由于有非线性负荷的存在,当电流流过与所加电压不成线性关系的负荷时,就形成非正弦波电流。电流和负荷端电压的突变都会导致谐波的产生。
主要的谐波源有:机泵的变频调速装置,不间断电源装置、电动机软启动设备、新型照明灯具(节能灯、采用电子镇流器的日光灯)。
电网中谐波危害具体表现为以下几个方面:
被谐波污染的电网,导致输配电线、电动机、变压器损耗相对增加,进而增加了能源的消耗;
电线、电缆的集肤效应变大,加速老化绝缘层,降低了线缆的利用率;
机器的铁芯磁感应环流增加,增加了设备功耗,设备的寿命相对缩短;严重情况下机械发生谐振,电机转速不稳定,电机烧毁;
电力系统继电保护误启动,误动作跳闸,拒动作和损坏,通常引起事故或扩大停电事故,威胁电力系统的安全可靠运行;
计算机、数据传送和自动控制系统数据丢失,显示画面畸变,误动作,元件损坏,系统文件处理准确性降低。
4、安科瑞电能质量治理方案
安科瑞致力于电力行业多年,始终关注石化行业电能质量问题,针对石化行业电能质量问题的现状,为石化行业提供可行性的治理方案,促进石化行业安全稳定运行。首先在公共电源点设置滤波装置,确保各级电网的公共母线谐波含量在规定范围内;其次,严密监测各级电源网络的谐波并及时汇总分析,并制定和实施治理措施,确保石化电网的运行指标符合规范标准。
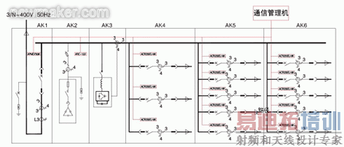
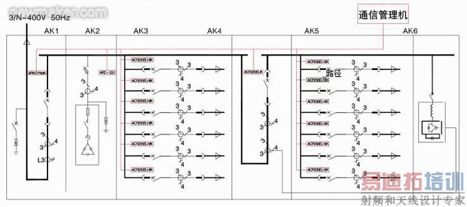
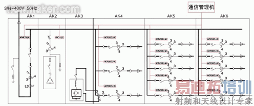
4.1 APMD网络多功能 仪表
仪表功能:
测量功能
电能质量分析功能
带有RS485通讯接口,工业以太网,Profibus等接口,用以满足通讯联网管理的需要, 将监测信息集中上传,满足实时监测的需要。
石化行业自动化设备的连续精加工生产线,对配电系统中的干扰异常敏感,几分之一秒的不正常供电就可能使生产混乱,其损失是难以估量。通过APMD网络电力仪表实现对电能质量的实时监测,发出报警或控制指令 ,防患于未然,保证石化行业电力系统安全有效的运行 ,所以电能质量的连续监测的必要性是不言而喻的。 [p]
4. 2 ANAPF有源滤波装置
ANAPF有源滤波装置的原理:以并联方式接入电网,通过实时监测负载的谐波和无功分量,采用PWM变流技术,从变流器中产生一个和当前谐波分量和无功分量对应的反向分量并实时注入电力系统,从而实现谐波治理和无功补偿。
一机多能,既可以补偿谐波,又可以补偿无功功率;
DSP+FPGA全数字控制方式,具有极快的相应时间;
具有完善的桥臂过流、保护功能;
先进的主电路拓扑和控制算法,精度高、运行稳定。
4.2.2补偿容量计算
谐波电流可由变压器容量来估算,需要考虑变压器的负载率,具体可以根据下面的公式来进行估算:
K2为谐波系数,集中补偿场合适用于整体谐波污染不高但比较分散的场合,取12%;
ST为变压器额定容量,单位kVA;
US为低压系统电压,一般取0.4。
根据上式计算,一台容量为2000kVA的变压器,出线侧谐波电流ITHD=206A,可以选择谐波补偿容量为200A的有源电力滤波柜进行补偿。
4.2.3补偿方式
在石化行业的供电系统中,ANAPF有源电力滤波装置可以采用三种滤波补偿方式。
变压器出线侧进行集中补偿
当非线性负荷数量较多,分布比较分散,而且谐波畸变率不太高的情况下,可以在变压器低压配电母线侧集中装设ANAPF有源电力滤波装置进行集中补偿,比如节能灯,气体放电灯较多的照明负载变压器。这种补偿方式可以有效的改善变压器的运行性能,提高系统整体的电能质量。
特定支路局部补偿
当非线性设备集中在某些特定支路时,可以在支路上装设ANAPF有源滤波装置进行局部补偿。
特定设备就地补偿
单台容量较大的稳定运行的非线性石化设备,频谱特征明显、自然功率因数又较低的非线性负载,以及谐波源产生的谐波比较集中于连续三种或以下(如3次、5次、7次)的谐波治理,可以对谐波源进行就地补偿,比如整流设备、变频设备、焊接设备等,这种方式能达到非常好的补偿和节能效果,不会对支路和整个系统造成影响。
本文通过对石化行业电能质量问题的分析,提出了谐波是电能质量的重要指标之一。阐述了安科瑞在石化行业电能质量的治理方案,有效解决实际电能问题,提高经济效益,为建设资源节约型社会贡献一份力。
参考文献
[1]安科瑞电气股份有限公司产品手册.2013.01.版
[2] 影响电能质量的因素及改善方法,陈磊.上海:2008.(end)
随着我国建设资源节约型、环境友好型社会战略的实施,石化行业在资源保障、节能减排、安全生产等方面,面临着更加严峻的形势和任务。石化行业生产工艺技术复杂,运行条件苛刻,电能质量问题也日趋严重,电力系统稍有不慎就可能引发严重的安全事故。如何提升电能质量对保障用电设备安全稳定运行,提高行业能源综合利用效率,减少电网污染,实行安全生产至关重要。
2.衡量石化行业电能质量的指标
石化行业电能质量的指标相较于其他行业并无差异,但由于其自身电网系统的复杂性就决定了其对电能质量的要求更为苛刻,衡量石化行业电能质量的指标主要有以下几点:

石化行业生产线长、涉及面广,自动化程度高,复杂的装置间关联度。由于生产的需要,存在大量快速变化的冲击性负荷,电力负荷构成也发生了质的变化。大量非线性负载的接入不可避免地产生诸多电能问题:电压的闪变及波动、功率因数偏低、无功消耗过大、谐波干扰等。其中谐波干扰的问题是目前石化行业电能质量最为关注的问题。
在实际的供电系统中,由于有非线性负荷的存在,当电流流过与所加电压不成线性关系的负荷时,就形成非正弦波电流。电流和负荷端电压的突变都会导致谐波的产生。
主要的谐波源有:机泵的变频调速装置,不间断电源装置、电动机软启动设备、新型照明灯具(节能灯、采用电子镇流器的日光灯)。
电网中谐波危害具体表现为以下几个方面:
被谐波污染的电网,导致输配电线、电动机、变压器损耗相对增加,进而增加了能源的消耗;
电线、电缆的集肤效应变大,加速老化绝缘层,降低了线缆的利用率;
机器的铁芯磁感应环流增加,增加了设备功耗,设备的寿命相对缩短;严重情况下机械发生谐振,电机转速不稳定,电机烧毁;
电力系统继电保护误启动,误动作跳闸,拒动作和损坏,通常引起事故或扩大停电事故,威胁电力系统的安全可靠运行;
计算机、数据传送和自动控制系统数据丢失,显示画面畸变,误动作,元件损坏,系统文件处理准确性降低。
4、安科瑞电能质量治理方案
安科瑞致力于电力行业多年,始终关注石化行业电能质量问题,针对石化行业电能质量问题的现状,为石化行业提供可行性的治理方案,促进石化行业安全稳定运行。首先在公共电源点设置滤波装置,确保各级电网的公共母线谐波含量在规定范围内;其次,严密监测各级电源网络的谐波并及时汇总分析,并制定和实施治理措施,确保石化电网的运行指标符合规范标准。
4.1 APMD网络多功能 仪表

仪表功能:
测量功能

电能质量分析功能

带有RS485通讯接口,工业以太网,Profibus等接口,用以满足通讯联网管理的需要, 将监测信息集中上传,满足实时监测的需要。
石化行业自动化设备的连续精加工生产线,对配电系统中的干扰异常敏感,几分之一秒的不正常供电就可能使生产混乱,其损失是难以估量。通过APMD网络电力仪表实现对电能质量的实时监测,发出报警或控制指令 ,防患于未然,保证石化行业电力系统安全有效的运行 ,所以电能质量的连续监测的必要性是不言而喻的。 [p]
4. 2 ANAPF有源滤波装置

ANAPF有源滤波装置的原理:以并联方式接入电网,通过实时监测负载的谐波和无功分量,采用PWM变流技术,从变流器中产生一个和当前谐波分量和无功分量对应的反向分量并实时注入电力系统,从而实现谐波治理和无功补偿。

一机多能,既可以补偿谐波,又可以补偿无功功率;
DSP+FPGA全数字控制方式,具有极快的相应时间;
具有完善的桥臂过流、保护功能;
先进的主电路拓扑和控制算法,精度高、运行稳定。
4.2.2补偿容量计算
谐波电流可由变压器容量来估算,需要考虑变压器的负载率,具体可以根据下面的公式来进行估算:

K2为谐波系数,集中补偿场合适用于整体谐波污染不高但比较分散的场合,取12%;
ST为变压器额定容量,单位kVA;
US为低压系统电压,一般取0.4。
根据上式计算,一台容量为2000kVA的变压器,出线侧谐波电流ITHD=206A,可以选择谐波补偿容量为200A的有源电力滤波柜进行补偿。
4.2.3补偿方式
在石化行业的供电系统中,ANAPF有源电力滤波装置可以采用三种滤波补偿方式。
变压器出线侧进行集中补偿
当非线性负荷数量较多,分布比较分散,而且谐波畸变率不太高的情况下,可以在变压器低压配电母线侧集中装设ANAPF有源电力滤波装置进行集中补偿,比如节能灯,气体放电灯较多的照明负载变压器。这种补偿方式可以有效的改善变压器的运行性能,提高系统整体的电能质量。
集中补偿
特定支路局部补偿
当非线性设备集中在某些特定支路时,可以在支路上装设ANAPF有源滤波装置进行局部补偿。
局部补偿
特定设备就地补偿
单台容量较大的稳定运行的非线性石化设备,频谱特征明显、自然功率因数又较低的非线性负载,以及谐波源产生的谐波比较集中于连续三种或以下(如3次、5次、7次)的谐波治理,可以对谐波源进行就地补偿,比如整流设备、变频设备、焊接设备等,这种方式能达到非常好的补偿和节能效果,不会对支路和整个系统造成影响。
就地补偿
本文通过对石化行业电能质量问题的分析,提出了谐波是电能质量的重要指标之一。阐述了安科瑞在石化行业电能质量的治理方案,有效解决实际电能问题,提高经济效益,为建设资源节约型社会贡献一份力。
参考文献
[1]安科瑞电气股份有限公司产品手册.2013.01.版
[2] 影响电能质量的因素及改善方法,陈磊.上海:2008.(end)
上一篇:质量流量计在气液两相测量中的应用分析
下一篇:分析选购涡轮流量计时应有哪些注意事项


