• 易迪拓培训,专注于微波、射频、天线设计工程师的培养
首页 > 测试测量 > 技术文章 > 555组成的近距离红外检测电路

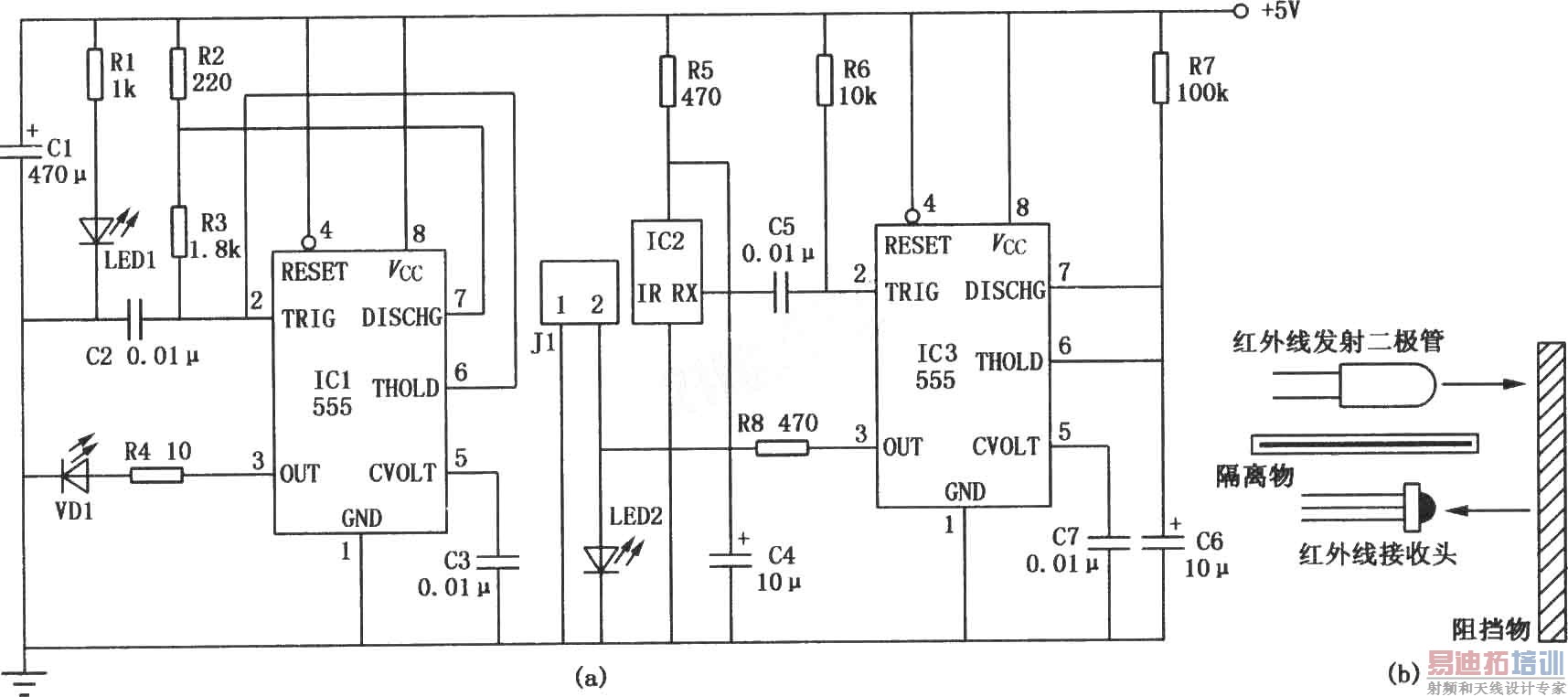
555组成的近距离红外检测电路

录入:edatop.com    点击:
近距离红外检测电路原理如图(a)所示。电路通过红外线近距离发射和接收,实现对被控对象的检测。它可用于近距离自动化实时控制,如公交汽车自动门开/关控制、洗手间干手机吹风控制等等。电路由两部分组成:红外线发射电路和红外线接收电路。

点击浏览:矢量网络分析仪、频谱仪、示波器,使用操作培训教程

上一篇:555构成的双线圈金属探测器
下一篇:信号幅度在给定时限内的检测电路(CH7555、CC4013)

微波射频测量操作培训课程详情>>
射频和天线工程师培训课程详情>>

  网站地图