- 易迪拓培训,专注于微波、射频、天线设计工程师的培养
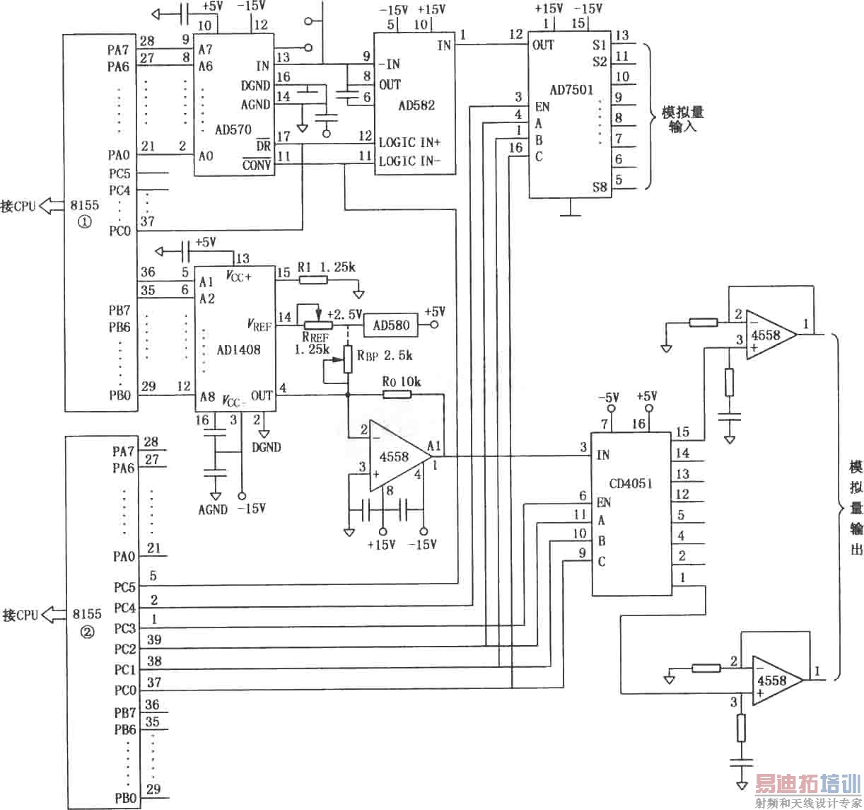
微型机数据采集系统电路(AD7501、AD582、AD1408)
录入:edatop.com 点击:
由AD570和AD1408与微处理器CPU8155等构成的微型机数据采集系统电路如图所示。该电路被测量回路有8个通道,顺序测量每一个通道,对每一通道的扫描不超过50μs,系统逻辑电平是TTL、二进制码,数据传输是并行方式。


上一篇:数字万用表电路
(DT890、DT890A)
下一篇:继电器检测电路


