- 易迪拓培训,专注于微波、射频、天线设计工程师的培养
LED数码管检测装置
录入:edatop.com 点击:
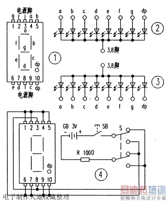
LED数码管是一种显示数字和符号的半导体发光器件,在数字化仪表仪器和电气设备中已广泛使用。 LED是由发光二极管的段码构成的,最常用的是七段LED,其内部有8个发光二极管,由7个发光二极管构成一个“8”字,各段的代号分别为a,b、c、d、e、f,g,另一个发光二极管在数字右下方为小数点.代号是dp。LED能显示0-9中的任一数字和小数点,外形见图1。这种数码管内部结构有共阴极和共阳极两种接法。 图2为共阴极接法,当某个发光管的阳极为高电平时将其点亮。图3为共阳极接法.当某个发光管的阴极为低电平时将其点亮。引脚③和⑧(在内部已连通)是电源脚,共阴极接法时需接电源“—”端,共阳极接法时需接电源“十”端。 可用一个检测装置(电路见图4),对上述的数码管进行检测,图中S为选择开关,开关向上是测量共阳极数码管用,向下是测量共阴极数码管用。R是限流电阻,作用是限制流过发光管的电流(不超过1OmA),以避免电流过大损坏数码管。 检测前,可先根据数码管的类型选定S的位置,再把数码管插入管座,管座采用IC专用插座改制,即根据数码管的形状、大小和管脚数及排列位置适当,改动而成.简便快捷。把插座焊在印刷电路板上再接线,这样数码管插入和取出电路均十分方便,然后按下按钮SB,此时完好的数码管应显示“8”,小数点同时点亮,一目了然。 根据数码管的显示情况即可判断它的好坏及不同笔画的发光强度是否一致。若数码管不能显示“8”字出现断笔(某笔画不能显示)或小数点不亮,则表明内部对应的发光管损坏,此时该数码管不能使用。


上一篇:高灵敏度场强仪
下一篇:不用表头指示的晶体三极管hFE测试器


