- 易迪拓培训,专注于微波、射频、天线设计工程师的培养
虚拟仪器技术在光模块自动测试系统中的应用
1. 虚拟仪器介绍
目前,国内企业在光通信产品的参数测试过程中主要还是使用国内外的先进测试设备,各种测试仪器之间大多是孤立的,而且主要是用手调仪器控制面板上的各种旋钮、按钮,用人眼观看仪器上的波形或数据;这样不仅测试过程操作繁杂,容易出错,而且重要的是测试效率太低。而且现在国内光通信产业不是很景气,因此提高生产率、降低成本、实现光通信模块测试自动化成为提高光电企业市场竞争力的关键之一。
本文研究利用虚拟仪器技术实现光模块各项性能参数的自动测试过程。
1.1 虚拟仪器及VISA(虚拟仪器软件体系)
虚拟仪器是传统仪器与计算机技术深层次结合的产物,它由计算机、软件包、仪器硬件组成。采用虚拟仪器软件技术,可以解决自动测试系统彼此间不兼容,达到共享硬件和软件的目的,利用通用硬件模块,可以快速、方便地组建各种自动测试系统,利用计算机的强大功能,可方便地进行信号分析、数据处理、存储、传输以及显示等。
VISA是虚拟仪器软件体系结构的简称。
VISA标准的提出统一了仪器工业的软件接口标准,使得仪器驱动程序兼容性强,二次开发变得很容易,并且可适应未来软硬件的发展需要。
2. 光模块测试系统结构与实现原理
本测试系统使用的测试仪器设备有Agilent 公司的数字通信分析仪86100B、E8403A VXI机箱、VXI 81250误码仪模块、中国电子科技集团第41研究所AV2495光功率计、AV6381可编程光衰减器等。其中86100B、AV2495光功率计、AV6381可编程光衰减器都带有GPIB接口,可通过Agilent公司的GPIB卡把这些带有GPIB接口的测试仪器连接起来整合到一套完整的系统中,使用Agilent VISA库编写测试应用程序控制仪器操作。Agilent VXI 81250误码仪模块在使用时插入Agilent E8403A VXI机箱中,计算机中需要插入美国旭电公司的PCI IEEE1394卡,VXI机箱0槽模块E8491B与计算机中的1394卡通过IEEE 1394 PC Link to VXI电缆连接。对于Agilent 81250模块,也是在Agilent VISA库的基础上编写应用程序实现对它的控制操作。
3. 光模块测试系统的构成
本测试系统主要由测试电路板部分、测试控制中心(计算机)两个部分组成。
本测试系统组成原理图如图1所示。

图1光模块通用测试系统组成原理
3.1 测试板电路部分主要实现的功能有:
a.实现高低告警信号的俘获。
b.光模块发射端、接收端工作电流的采集。
c.由Atmel公司的89C51单片机端口控制光开关、电开关切换电通路和光通路。本系统采用了中国电子科技集团第34研究所的2x2光开关。
3.2 测试控制中心(计算机)部分主要实现的功能有:
a.控制 Agilent81250 VXI模块化仪器。在实现的软件中可以设置误码仪测量二进制误码的模式(1误码/0误码/全误码)等参数。以及控制误码仪开始和停止发送电信号。最后可以显示误码率计算结果值。
b.控制AV2495光功率计、AV6381光衰减器及Agilent DCA 86100B。对这些仪器可以通过发送GPIB命令设置测量仪器的各项初始参数及读取测量结果。
c.通过计算机RS232串口,计算机与Atmel公司的AT89C51单片机通信,实现计算机采集光模块发射端与接收端的工作电流、高低告警值的测量以及计算机向单片机发送命令控制光电开关的切换。
d.将测试结果存储到数据库中,方便管理与查询。
本自动测试系统可以测试四种类型的光模块。这四种模块的参数不同。这可以在计算机软件中修改参数设置来实现测试四种类型的光模块。
4. 系统设计技术实现
4.1 误码仪程序控制
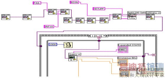
对误码仪的控制以美国国家仪器公司(National Instrument)的图形化编程软件Labview7.0为基础,根据Agilent公司提供的函数面板文件,由LabVIEW中的转换功能,将VISA库转换成LabVIEW下可以直接调用的小图标(每个小图标代表VISA库中的一个基本函数)。然后根据要实现的功能,把这些小图标用线连接起来。如图3。 [p]
4.2 光模块接收端灵敏度
接收端灵敏度定义为误码率超过所能接收规定量前接收端的最低光输入功率。测试光模块接收端灵敏度时,先在程序中设置好误码仪的各项参数值,如误码仪测量二进制误码的模式、发送/接收的数据流序列等,设置光衰减器的参数值,如要衰减的光的波长、校准因子、衰减值等,设置光功率计的各项参数,如要测量的光的波长,量程等,然后启动误码仪发送电信号,每隔一秒计算机读误码率值,连续读5次,如果误码率都为零,则由程序控制光衰减值衰减一定的数值(可以根据需要设置),再次读误码率值,如果产生误码,则控制光衰减器的值到上一次不产生误码时的状态,程序读光功率计的值,即为灵敏度值,如果不产生误码,则光衰减器继续衰减一定的数值,直到产生误码为止。
4.3 光模块高低告警
测试光模块高低告警值时,同样需要首
先设置好误码仪、光衰减器、光功率计的参数,只是不需要读误码率值,误码仪的功能仅仅是给光模块提供电信号,使光模块发出光信号。在计算机程序中控制光衰减器增加衰减,当单片机P1.0端口线采集到SD信号由高电平变为低电平时,规定单片机向计算机串口发送命令0xaa,计算机接收到此命令后读取光功率计的值,即高告警值;当SD信号由低电平变为高电平时,规定单片机向计算机串口发送命令0x05,计算机接收到命令后读取光功率计的值,即低告警值。
4.4 光模块发射接收端工作电流的采集
本系统中采用了MAXIM公司的MAX472电流检测放大器芯片来采集光模块发射端与接收端的工作电流大小。MAX472芯片可以实现电流/电压的转换,通过适当选择Rsense、RG1、RG2的电阻值,可以调整电压与电流的比值,因此就可以把光模块发射端与接收端的工作电流转换成适合于ADC0809的单端电压信号,然后把此电压信号接到ADC0809的模拟输入采集通道(如图2所示)。ADC0809将采集到的信号传给89C51单片机的P0端口,然后再由单片机通过Rx与Tx端与PC机的串行通信端口进行通信。

图2 测试板电路图
4.5 测量通路的切换
计算机需要给单片机发送命令控制单片机动作,在本系统中规定了一系列命令用于控制电开关1、电开关2以及光开关正确地切换电通路和光通路。可以由单片机端口向光开关、电开关相应引脚发送脉冲信号实现切换测量通路。

图3 用LabVIEW软件编写控制误码仪测试灵敏度的程序
5 结束语
本系统实现以后将应用于江苏奥雷光电有限公司光模块产品的参数自动测试过程中,能够加速光电企业产品上市时间,增强企业竞争力。
目前国内在光通信产品测试过程中利用虚拟仪器技术实现自动测试的应用还很少。这是虚拟仪器技术在光通信产品测试中的一个应用,相信随着国内虚拟仪器技术的发展,越来越多的国内企业将使用虚拟仪器技术开发各种测试应用系统。
参考文献
[1] 赵会兵,虚拟仪器技术规范与系统集成,清华大学出版社,2003年8月
[2] 黄艳,肖铁军,黄建文,虚拟仪器中的VISA及其实现,江苏理工大学学报,2000年01期


