- 易迪拓培训,专注于微波、射频、天线设计工程师的培养
电桥测量基础( )
电桥是精密测量电阻或其他模拟量的一种有效的方法。本文介绍了如何实现具有较大信号输出的硅应变计与模数转换器(ADC)的接口,特别是Σ-Δ ADC,当使用硅应变计时,它是一种实现压力变送器的低成本方案
硅应变计
硅应变计的优点在于高灵敏度,它通过感应由应力引发的硅材料体电阻变化来检测压力。相比于金属箔或粘贴丝式应变计,其输出通常要大一个数量级。这种 硅应变计的输出信号较大,可以与较廉价的电子器件配套使用。但是,这些小而脆器件的安装和连线非常困难,因而增加了成本,限制了它们在粘贴式应变计应用中 的使用。
不过,用MEMS工艺制作的硅压力传感器
却克服了这些弊病。这种MEMS压力传感器
采用了标准的半导体工艺和特殊的蚀刻技术。这种特殊的蚀刻技术可 选择性地从晶圆的背面除去一部分硅,从而生成由坚固的硅边框包围的、数以百计的方形薄膜。而在晶圆的正面,每一个小薄膜的每个边上都植入了一个压敏电阻, 用金属线把小薄片周边的四个电阻连接起来就形成一个惠斯登电桥。最后,使用钻石锯从晶圆上锯下各个传感器
。这时,硅传感器
已经初具形态,但还需要配备压力 端口和连接引线方可使用。这些小传感器
便宜而且相对可靠,但受温度变化影响较大,而且初始偏移和灵敏度的偏差很大。
压力传感器
实例
在此给出一个压力传感器
的实例,其所涉及的原理适用于任何使用类似电桥的传感器
。公式1给出了一个原始的压力传感器
的输出模型。其中,VOUT在给定压力P下具有很宽的变化范围,不同传感器
在同一温度下,或者同一传感器
在不同温度下,其VOUT都 有所不同。因此要提供一个一致的、有意义的输出,每个传感器
都必须进行校正,以补偿器件之间的差异和温度漂移。长期以来,校准都是通过模拟电路进行的。然 而,现代电子学的进展使得数字校准比模拟校准更具成本效益,而且其准确性也更好。此外,利用一些模拟技术“窍门”,可以在不牺牲精度的前提下简化数字校准。
VOUT=VB(PS0(1+S1(T-T0))+U0+U1(T-T0)) (1)
式中,VOUT为电桥输出,VB是电桥的激励电压,P是外加压力,T0是参考温度,S0是T0温度下的灵敏度,S1是灵敏度的温度系数(TCS),U0是在无压力情况下电桥在温度T0时的输出偏移量(或失衡),而U1则是偏移量的温度系数(OTC)。公式(1)使用一次多项公式来对传感器
进行建模,而有些应用场合可能会用到高次多项公式、分段线性技术或者分段二次逼近模型,并为其中的系数建立一个查寻表。无论使用哪种模型,数字校准时都要对VOUT、VB和T进行数字化,同时要采用某种方公式来确定全部系数并进行必要的计算。公式(2)由公式(1)变化所得,从中可清楚地看到,通过数字计算(通常由微控制器(MCU)执行)而输出精确压力值所需的信息。
P=(VOUT/VB-U0-U1(T-T0))/(S0(1+S1(T-T0)) (2)
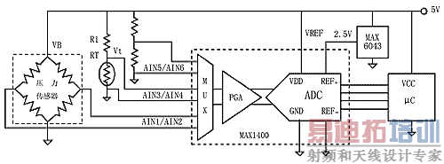
电压驱动
|
图1 该电路直接测量计算实际压力所需的变量(激励电压、温度和电桥输出) |
在图1所示的电路中,一个高精度ADC先对VOUT (AIN1/AIN2)、温度(AIN3/AIN4)和VB (AIN5/AIN6)进行数字化,这些测量值随后被传送到MCU,在那里转换成实际的压力。电桥直接由电源驱动,电源同时也为ADC、电压基准源和 MCU供电。电阻公式温度检测器Rt用来测量温度,ADC内的输入复用器同时测量电桥、RTD和电源电压。为确定校准系数,整个系统(或至少是RTD和电 桥)被放到恒温箱里,在多个不同温度下进行测量。测量数据通过测试系统进行处理,以确定校准系数,最终的系数被下载到MCU并存储到非易失性存储器中。
设计该电路时主要考虑的是动态范围和ADC的分辨率,最低要求取决于具体应用和所选的传感器
和RTD的参数。 在本例中,传感器
的具体参数如下。
系统规格
· 满量程压力:100psi
· 压力分辨率:0.05psi
· 温度范围:-40~+85℃
· 电源电压:4.75~5.25V
压力传感器
规格
· S0 (灵敏度): 150~300μV/V/psi
· S1(灵敏度的温度系数): 最大为-2500×10-6/℃
· U0 (偏移): -3~+3mV/V
· U1 (偏移的温度系数): -15~+15μV/V/℃
· RB (输入电阻): 4.5kΩ
· TCR (电阻温度系数): 1200×10-6/℃
· RTD: PT100
o α: 3850×10-6/℃
o -40℃时的阻值: 84.27Ω
o 0℃时阻值: 100Ω
o 85℃时阻值: 132.80Ω
电压分辨率
ADC能够接受的最小电压分辨率可根据传感器
能够检测到的最小压力变化所对应的VOUT得到。极端情况为使用最低灵敏度的传感器
,在最高温度和最低供电电压下进行测量。注意,公式(1)中的偏移项不影响分辨率,因为分辨率仅与压力响应有关。使用公式(1)以及上述假设可得:
VOUTmin=4.75V×(0.05psi/count×150μV/V/psi×(1+(-2500×10-6/℃)×(85℃-25℃))
≈30.3μV/count
所以,最低ADC电压分辨率为30μV/ count。
ADC的输入范围
ADC的输入范围取决于最大输入电压和最小电压。根据公式1,产生最大VOUT的条件:最大压力100psi、最低温度- 40℃、最大电源电压5.25V和3mV/V的偏移、-15μV/V/℃的偏移温度系数、-2500×10-6/℃的TCS以及 300μV/V/psi的最高灵敏度。最小信号一般都在无压力(P=0),电源电压为5.25V、-3mV/V的偏移、-40℃的温度以及OTC等于+ 15μV/V/℃的情况下出现。
再次使用公式(1)以及上述假设可得:
VOUTmax=5.25V×(100psi×300μV/V/psi×(1+(-2500×10-6/℃)× (-40℃-25℃))+3mV/V+(-0.015mV/V/℃)×(-40℃-25℃))=204mV
VOUTmin = 5.25×(-3mV/V + ( 0.015mV/V/℃×(-40℃-25℃)))=-21mV
因此,ADC的输入范围是-21~+204mV。
分辨率
适用于本应用的ADC应具有-21~+204mV 的输入范围和30μV/count的电压分辨率。该ADC的编码总数为(204mV + 21mV)/(30μV/count)=7500,动态范围稍低于13位。如果传感器
的输出范围与ADC的输入范围完全匹配,那么一个13位的转换器就可 以满足需要。由于-21~+204mV的量程与通常的ADC输入范围都不匹配,因此要么对输入信号进行电平移动和放大,要么选用更高分辨率的ADC。幸运 的是,当前Σ-Δ转换器的分辨率很高,具有双极性输入和内部放大器,使高分辨率ADC的使用变为现实。这些Σ-ΔADC提供了更为经济的方案,而不需要增 加其他元器件。这不仅减小了电路板尺寸,还避免了放大和电平移位电路所引入的漂移误差。
工作于5V电源的典型Σ-Δ转换器,采用2.5V参考电压,具有±2.5V的输入电压范围。为了满足我们对于压力传感器
分辨率的要求,这种ADC的 动态范围应当是:(2.5V - (- 2.5V)) /(30μV/count)=166 667,这相当于17.35位的分辨率,很多ADC都能满足该要求,例如18位的MAX1400。如果选用SAR ADC,则产生很大的浪费,因为这是将18位转换器用于13位应用,且只产生11位的结果。然而,选用18位(17位加上符号位)的Σ-Δ转换器更为现 实,尽管三个最高位其实并没有使用。因为除了廉价外,Σ-Δ转换器还具有高输入阻抗和很好的噪声抑制特性。
18位ADC可以用内置放大器的低分辨率转换器来代替,例如16位的MAX1416。其8倍的增益相当于将ADC转换结果向高位移了3位,从而利用 了全部的转换位并将转换需求减少到15位。不过要选用无增益的高分辨率转换器,还是有增益的低分辨率转换器,就要看具体情况下的增益和转换速率下的噪声规 格。Σ-Δ转换器的有效分辨率通常受到噪声的限制。
温度测量
如果测量温度仅仅是为了对压力传感器
进行补偿,那么温度测量不要求十分准确,只要测量结果与温度的对应关系具有足够的可重复性即可,这样将会有更大 的灵活性和较宽松的设计要求。对于硅压力传感器
,有三个基本的设计要求:避免自加热,具有足够的温度分辨率,保证在ADC的测量范围之内。
使最大Vt电压接近于最大压力信号有利于采用相同的ADC和内部增益来测量温度和压力。本例中的最大输入电压为+ 204mV,考虑到电阻的误差,最高温度信号电压可保守地选择为+180mV。将Rt上的电压限制到+180mV也有利于避免Rt的自加热问题。一旦最大 电压选定,根据在85℃ (Rt=132.8Ω),VB=5.25V的条件下产生该最大电压可以计算得到R1。R1的值可通过公式(3)进行计算,公式中的Vtmax是RT上所允许的最大压降。温度分辨率等于ADC的电压分辨率除以Vt的温度敏感度。公式(4)给出了温度分辨率的计算方法。(注意:本例计算的是最小电压分辨率,是一种较为保守的设计。你也可以使用实际的ADC无噪声分辨。)
R1= Rt×(VB/Vtmax-1) (3)
R1=132.8Ω×(5.25V/0.18V-1)≈3.7kΩ
TRES=VRES×(R1 + Rt)2/(VB×R1×ΔRt/℃) (4)
这里,TRES是ADC所能分辨的摄氏温度测量分辨率。
TRES=30μV/count×(3700Ω+ 132.8Ω)2/(4.75V×3700Ω×0.38Ω/℃)≈0.07℃/count
0.07℃的温度分辨率足以满足大多数应用的要求。但是,如果需要更高的分辨率,有以下几个选择:使用一个更高分辨率的ADC;将RTD换成热敏电阻,或将RTD用于电桥,以便在ADC中能够使用更高的增益。
注意,要得到有用的温度结果,软件必须对供电电压的变化进行补偿。另外一种代替方法是将R1连接到VREF,而不是VB。这样可使Vt不依赖于VB,但也增加了参考电压的负载。
结论
硅压阻公式应变计比较高的输出幅度使其可以直接和低成本、高分辨率Σ-ΔADC接口。这样避免了放大和电平移位电路带来的成本和误差。另外,这种应变计的热特性和ADC的比例特性可被用来显著降低高精度电路的复杂程度。



