- 易迪拓培训,专注于微波、射频、天线设计工程师的培养
多功能电路模块设计
0 前言
以《电路基础》为代表的电类课程是高等职业院校中机械、电子、汽车类专业的核心基础课程,由于此类课程原理抽象、内容繁杂、应用性很强,现在高等职业院校学生相对本科院校学生起点较低,接受理解能力稍差,虽然课程对应有实验实训,但实验实训设备教学模块的完整性、操作过程的便捷性并不能让学生真正意义上地接触认识电路,电类课程在高等职业院校当下存在的学生难学、教师难教的问题日益突出。多功能教学电路模块则将实际电路的构建分析设计贯穿在基础核心专业课程的教学中,能从本质上解决学生学习中存在的问题。
多功能电路模块是由印制电路板、电子元器件、信号源、电类仪表等构建成的多网孔的电路,电路设计中各支路预留插孔,可根据课堂教学进程的需要调整信号源类型,构建成不同的电路类型如单电源供电或者多电源供电的直流电路、交流电路,各支路串接电流表,并联接电压表,用以检测各支路各元件的电路参数。多功能电路模块具有信号源的可外接性、电路结构的可调整性,可以灵活地运用到高职高专院校机械类、电子类及汽车类的《电路基础》课程的教学过程中,从而在不同的教学阶段可以构建不同的项目进行教学,围绕特定的项目,可以开展融“教、学、做”于一体的“理实一体化”教学模式。
同时多功能教学电路的构建和设计,让学生能实物认识各类电子元器件,由易到难地构建和分析各类电路的结构和性能,实现在动手能力的提升中激发学生对学习的好奇与兴趣,最终实现锻炼和培养学生基本的检测、分析和设计电路能力。
1 多功能教学电路设计方案
《电工电子技术》、《电路基础》是高等职业院校电子类、通信类、机械类、汽车类第一学期的专业基础课程,多功能教学电路模块用于实景训练学生对于电路课程中基本电子元件性能的具体认识、多网孔电路的焊接构建、电子仪表的操作使用、电路主要物理量的多环境监测、基本电路定律的实物验证,以及各种电路分析方法如叠加定理、戴维南定理及诺顿定理的定量分析。
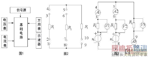
如图1所示为一种多功能的教学电路装置,包括基础电路、信号源、仪器仪表等;该信号源包括直流电压源、直流电流源、正弦交流电源或其它非正弦电源;基础电路包括了五个排插和三个电阻R1、R2、R3;仪器仪表,可以为电流表、电压表和示波器等。
2 多功能教学电路模块的分析
图2所示为一种多功能的教学电路模块,由三个电阻和五个排插连接而成,从图可看出,由于排插的合理分布,三个电阻相互独立,排插接入导线后,可短路也可断开,也可有效接入其它的仪器仪表或信号源。
2.1 基尔霍夫定律的测量分析
图3所示为基础电路接入了电源和仪表,具体是12、78排插分别接入电压源u1和u2(直流电源或交流电均可),也可以接入的是电流源;34、56、910排插接入电流表分别是三条支路的支路电流,这里要注意的是,如果电源是直流源,则要考虑其接入的方向问题,一般来说电流都是从电流表的正接线柱流入,负接线柱流出,所以在连接电流表之前可先计算出电路的支路电流;这样测试结果和计算结果可进行误差计算,验证基尔霍夫电流定理,即任意时刻,电路中的任一节点流入的各支路电流之和为零。
23、67、59之间接入电压表,同样如果是电源是直流源,同样接入时要考虑电压的方向问题,但是由于上述我们已经计算过电流大小,所以电压表和电流表的接入方向一致;这样整个电路的每个元器件的电压测出,就可以验证基尔霍夫电压定理,即对任一回路来说,在任意时刻,沿着该回路的所有支路电压代数和等于零。
如果12、34接入的是交流电源,则电压表和电流表测试出来的结果是其有效值。我们从测量结果可分析得出,基尔霍夫定律也可用于交流电路。
2.2 叠加定理的测量分析
叠加定理的内容为:在线性电路中,任一条支路的电压或电流都可以看成电路中各个独立电源单独作用时,在该支路产生的电压或电流的代数和。图3中,电压源u1和u2共同作用。在图3的基础上,12可短路,78间u2单独作用,其它不变,可以测量出u2单独作用下的支路电流以及电阻的电压;同理,78可短路,12间u1单独作用,其它不变,可以测量出u1单独作用下的支路电流以及电阻的电压;这样测量出来的结果叠加后与图3中的结果应该相等,即验证了叠加定理。
图3中,也可为一电压源和一电流源共同作用,要注意的是如果是电压源单独作用时,电流源应该短路处理。
2.3 戴维南定理及诺顿定理的测量分析
在图3的基础上,9、10排插断开,即断开电阻R3,如何用戴维南定理或诺顿定理来定量分析其电阻R3的电流和电压呢?
戴维南定理指出:任何一个有源二端网络,总可以用一个电压源Us和一个电阻Rs串联组成的实际电压源来代替,其中:电压源Us等于这个有源二端网络的开路电压Uoc,内阻Rs等于该网络中所有独立电源均置零(电压源短接,电流源开路)后的等效电阻R0。
诺顿定理指出:任何一个有源二端网络,总可以用一个电流源Is和一个电阻Rs并联组成的实际电流源来代替,其中:电流源Is等于这个有源二端网络的短路电流Isc,内阻Rs等于该网络中所有独立电源均置零(电压源短接,电流源开路)后的等效电阻R0。
如图3所示,9、10断开后,58之间接入电压表,即可测出开路电压Uoc;如果58之间接入电流源,即可测出短路电流Isc。把12、78排插的电源去掉(去掉电压源,则相当于短路;如果为电流源,则为断路。),58之间接入万用表置于电阻档,则可测出等效电阻R0。这样就可以根据等效电路求解电阻R3的电流和电压,结果可与图3中所测R3得的电压、电流相比较。
另外,如果12、78排插接入的是交流电,则34、56、910排插都可以单独接入示波器,来观察每条支路电流的大小和图形;23、67、59也可以接入示波器,观察每个电阻的电压的大小和图形。
3 结束语
由于此教学电路的完整性、操作过程的便捷性,学生可亲自完成基础电路的焊接工作,又可以亲自在自己焊接好的电路上完成对原理的验证,真正意义地接触电路元器件和仪器仪表的使用。另外基础电路具有结构简单、实现成本较低的优点。
多功能教学电路模块让《电路基础》课程的基础部分不再停留于理论概念的讲解,让学生不再迷茫于公式的推导验证和电路图的分析过程,而是让学生在实际操作的过程中边学习边操作,加深了对理论的知识的理解,同时也极大地激发了学生的求知欲,提高了学生的动手能力。
上一篇:EMI排查:预一致性的重要性
下一篇:电流检测功能电路的设计实现


