- 易迪拓培训,专注于微波、射频、天线设计工程师的培养
基于单片机控制的二氧化碳浓度测试计
大气中过多的二氧化碳(CO2)不仅对人类赖依生存的地球造成威胁,同时公共场合由人体呼吸排出的大量二氧化碳气体也容易导致人们疲劳、注意力不集中、头痛等症状。因此,在医院、学校等人口密集的环境中设置CO2监控设备可以有效地监测和改善空气质量。为人们提供更好的生活环境。最常用的CO2浓度测试方法是非色散红外吸收法(NDIR法)。这种方法利用CO2有选择性的吸收4.26μm红外线的特性,根据朗伯比尔定律可精确测试CO2气体浓度,但该方法有一个明显缺点,即在CO2浓度较低的地方测试时,需要较长的光路通过气体(气室长度)以获取良好的吸收效应,既意味着需要使用体积较大且具有精密光学器件的设备,与这些昂贵的设备相比,利用半导体CO2传感器测试CO2浓度,具有设备体积小,成本低、寿命长等特点。提出一种基于CDM416l型CO2浓度测试模块以及Attiny26单片机的CO2浓度测试与自动通风系统的设计方法。
2 CDM4161简介
有别于固态或者液态电解质气体传感器,半导体气体传感器是利用半导体材料的各种化学特性将空气中含有的特定气体(即待测气体)以适当的电信号检测或定量的器件。其优点是灵敏度高、响应速度快、体积小、寿命长、便于集成化、智能化,能使检测转换一体化。世界上最先实现半导体气体传感器商品化的是日本费加罗公司发明的TGS系列半导体气体传感器。CDM4161是费加罗公司生产的一种CO2气体浓度测试模块,其内部集成了TGS4161 CO2气体传感器以及PICl6LF88单片机,CDM4161对空气中CO2气体浓度的测量范围为400~4000 ppm,并且在空气中对CO2气体有高选择性.而对一氧化碳和甲烷等气体不敏感,CDM4161内部集成的单片机可对传感器采集到的信号处理和自动校准,以使其输出的电平值与CO2气体的浓度保持良好的线性关系。CDM4161对外提供5个引脚,其引脚的功能描述如表1所示。

工作时CDM4161引脚l接+5 V电源,引脚2输出电压范围0.4-4 V。相当于CO2气体浓度范嗣为400~4 000 ppm。该模块允许用户通过跳线设置4档极限值,当监测到的CO2浓度高于设定值时。引脚3输出高电平以驱动外部通风设备,反之监测到的CO2浓度由高转低,且低于某一门限值时,引脚3输出电平也由高变低关闭外围控制设备,CDM4161板上跳线与所设定极限值以及引脚3输出电位的变化关系如表2所示。引脚4在传感器故障时输出低电位,可通过该引脚连接蜂鸣器.以及时监测CDM4161工作状态。CDM4161模块有3个工作状态指示灯,当模块上电时CDM4161需要预热2 h,比时板上绿灯闪烁,而后进入正常工作状态后,绿灯常亮。当引脚3输出高电位时,红灯闪烁,当模块内部传感器故障时黄灯闪烁。

3 系统硬件设计
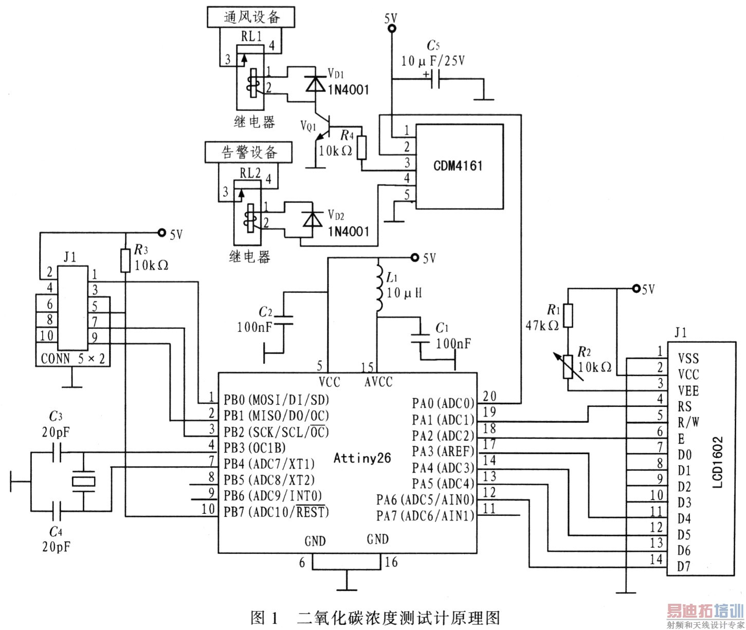
图l中JI与Attiny26相连用于在线程序更新。Attiny26是ATMEL公司开发的低功耗、高性能的8位单片机,内部具有2KB Flash程序存储器以及11个10位A/D转换器单端通道,由Attiny26单片机与CDM4161构成的CO2浓度测试与自动通风系统的电路图如图1所示。使用Attiny26单片机端口PAO引脚读取CDM4161引脚3输出的模拟信号,并将其转变为数字信号,然后将测量结果送LCD显示,Attiny26的PA3-PA6与LCDl602液晶显示器的数据线D4~D7相连,工作时设置LCDl602为4 bit工作方式,CDM416l的引脚3与继电器RELAYl相连以便在室内CO2气体浓度过高时控制通风设备通风;CDM416l的引脚4与继电器RELAY2相连以在CDM416l上的传感器故障时控制告警设备发出告警信息。

4 软件设计
二氧化碳浓度测试仪的软件流程图如图2所示,程序运行时首先初始化Attiny26单片机的I/O端口以及1602液晶显示器的初始化,然后开始从Attiny26的PAO引脚读取CDM416l引脚2输出的模拟电平,并进行A/D转换,而后每隔1 s再次从Attiny26的PAO引脚读取CDM416l输出的模拟电平,并进行A/D转换,Attiny26分析A/D变换后的数值,并在1602液品显示器上显示CDM416l的状态和当前环境中CO2的浓度。
5 结语
由Attiny26单片机以及CDM4161构成的二氧化碳浓度测试仪电路结构简单,成本低,非常适合在人群密集的商场、医院、学校等地方用于监测室内空气质量,通过连接外部的通风以及告警设备可以及时改善室内空气质量并有效地监控设备运行情况。
上一篇:基于虚拟仪器的液位控制系统设计
下一篇:基于虚拟仪器技术的温室环境无线检测系统


