- 易迪拓培训,专注于微波、射频、天线设计工程师的培养
DM3068数字万用表在弱信号测量中的应用
本文将通过超低功耗电路测试、微弱电源纹波测试、在线测量电流、短路定位、噪声分析等几个实例,并结合RIGOL推出的新一代61/2位数字万用表DM3068在弱信号测量方面的优点介绍一些常见的故障诊断方法。
检测地回路
现代的电子产品往往将小信号模拟电路、数字电路和功率电路紧密地整合在一块PCB上,电路布局不仅要满足电路性能要求,还受结构设计的约束,同时要符合EMC规范,这些都给地回路的布置带来了很大的挑战。在多重约束的限制下,设计阶段PCB地回路布线会存在不确定的因素,需要在测试阶段检验。
以图1所示电路为例,U1、R3、R2组成同相放大器,设计期望该放大器能够将输入信号Ui放大10倍,Uo是放大器的输出电压。由于PCB布局布线受到约束,Ui的“-”输入端子跟电阻R2的C端之间有一段导线Rpcb。而PCB上可能存在“电路X”引入地回流Ix流过导线电阻Rpcb。受“电路X”地回流Ix的影响,导线Rpcb两端会有电压差Ue,为了确定Ue对被测信号的影响,需要测量Ue的大小。

图1 包含地回流干扰的同相放大电路
对精密电路而言,即使Ue只有μV量级,也会对电路产生巨大的影响。DM3068数字万用表直流电压的最小读数分辨率可达0.1μV,而且测量端子跟机壳地隔离,不会引入额外的直流电流地回路,适合于测量地回路引起的μV量级直流误差。
测量弱电压信号需要注意热电势、共模干扰、电磁感应等误差源,这些误差一般在10μV的量级,会严重干扰小信号测量。使用同材质的、双绞或带屏蔽的测试电缆可以减小热电势和电磁感应的误差。测量Ue前可以先判别这些误差源引入的总误差的大小,使用万用表的“相对”运算排除固定误差的干扰,然后再测量Ue就可以得到比较准确的结果。
先将万用表的两个表笔同时连接图1中的端子C端,这时万用表的读数是由热电势、共模干扰、电磁感应的误差源引起的,观察其变化情况。如果读数在一个小范围内波动,则认为是固定误差。按下万用表“相对”菜单键,万用表会记录当前读数值,并在以后的每个测量结果中减去该读数值再显示,这样就可以排除固定误差的干扰。然后再测量端子C和Ui的“-”端之间的电压差,读数即为排除固定误差干扰后的Ue值,可以比较准确地反映真实Ue的大小。
监测电源波动
如果将一个电路模块当成黑盒,那么它至少会有一个输入端口——电源。在电路故障诊断中,电源端口经常被遗忘或者被低估,以至于有些问题被定性为“灵异事件”。
假定黑盒内部的电路和信号输入均正常,如果黑盒的输出仍然有问题,这时就应该重点排查电源输入。常用的电源检测仪器有示波器、频谱仪和数字万用表,它们能够覆盖的测量范围不同(如图2所示),应该综合运用这些仪器来全面观察电源信号,避免测试盲区。

图2 不同仪器的典型测试范围
一般认为万用表属于直流仪器,示波器属于时域仪器而频谱仪是频域仪器,但是这种界限正在被打破。新一代的万用表已经引入了时域测量功能,下面以RIGOL DM3068数字万用表的数据绘图功能来介绍万用表如何覆盖示波器和频谱仪的电源测试盲区。
图3是用示波器测得的某个模数混合电路的模拟部分电源电压波形,由于示波器的带宽很大,波形中大部分是数字电路引入的宽带开关噪声,幅度为8.4mVpp。一般情况下,8.4mVpp电源纹波和噪声符合人们的“心理期望”,因而就认为电源没有问题(电源影响被低估)。

图3 示波器测试结果
图4是用DM3068的数据绘图功能重新测试该电源电压得到的电源波形,图形左侧是历史数据的波形,图形右侧是实时波形。从实时波形中可以清楚地看到幅度约为4.4mVpp的正弦纹波,进一步推算可以得出正弦波频率约为50Hz。能量如此强的50Hz信号会给精密电路带来很大的干扰。

图4 万用表测试结果
频谱仪受频率测量范围和频率分辨率的限制,很难发现这个50Hz电源干扰。DM3068在低频时域测量中的高速、高精度、低噪声和高频抑制力强等特点正好弥补了示波器和频谱仪的不足,有助于揭示“灵异事件”的真相。
用直方图发现隐蔽干扰
当信号/干扰极微弱,并淹没在电路自身的噪声中时,借助直方图统计分析方法可以将其暴露出来。
DM3068具备实时直方图统计功能,结合低噪声和大动态范围的特性,有助于测试微弱信号和干扰。
图5是使用直方图观测被本底噪声淹没的信号的实例。图左侧是电路本底噪声的时域波形(下方,垂直方向是时间轴方向。下同。)及其直方图,该噪声基本符合高斯分布,认为是白噪声。图右侧是电路加入一个3μVpp左右的脉冲方波后的测试结果。对比时域波形,右侧信号波形跟左侧白噪声波形很相像,电压平均值也相接近,不能直观地判定两种波形的区别。但是对比两者的直方图可以明显发现两种信号的区别,而且通过右侧直方图可以推断加入的信号有低电平分量,且该低电平分量出现概率不大,近似于占空比很小的负脉冲。

图5 直方图发现淹没的信号
超低功耗电路的电压、电流测试
超低功耗电路测试通常要求仪器能够测试nA级弱电流,同时电压测量的输入阻抗趋于无穷大。一般的手持式万用表无法测量nA级电流,电压测量的输入阻抗固定为10MΩ,不能满足超低功耗电路的测试需求。
图6是一种超低功耗设备的入侵检测电路。常闭开关S1用于入侵检测,设备外壳被破坏时开关S1断开。该电路中二极管D1用作超低电流的上拉元件,其反向漏电流Is约为10nA。一旦外壳被破坏,S1断开,D1将控制器MCU的管脚DET拉高,产生上升沿作为入侵触发信号。这个电路的主要测试项目有二极管反向漏电流Is,开关S1闭合时的DET电平,开关S1断开时的DET电平,开关S1闭合到断开过程中DET管脚的电压上升沿波形。

图6 入侵检测电路
常规仪表无法有效完成以上测试,DM3068数字万用表直流电流最小分辨率高达100pA, 可以满足Is的测试需求;直流电压20V(范围比竞争产品大一倍)及以下挡位有大于10GΩ的输入阻抗,并且输入偏流小于100pA,结合其数据绘图、电平触发和预触发功能,能够实时捕获并显示DET管脚波形,可以像使用示波器一样轻松完成上升沿波形和电平测试。
查找电路板中的短路
手工焊接过的电路板常常会有焊屑导致的短路,而且焊屑一般藏在元件底部,不易查找。一旦电路板上的电源跟地短路,接在该电源和地之间的所有元件都成了可疑对象。逐个排查可以解决问题,但是非常费劲。
如果被短路的电源上只有一处短路,那么远离短路点的位置由于串联了PCB电阻因而对地电阻较大,因此只要找到对地电阻最小的位置就能定位短路。
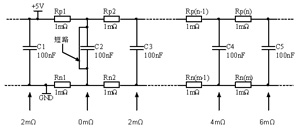
如图7所示,Rp1~Rp(n)是+5V电源线的PCB电阻,阻值均为1mΩ;Rn1~Rn(m)是GND地线的PCB电阻,阻值均为1mΩ;C1~C5是+5V电源的退耦电容。假设在电容C2下方隐藏有短路,那么在C2处测得的电阻为0mΩ;在C1处测得的电阻C2处测得电阻加上Rp1和Rn1,共为2mΩ;同样的道理,C3~C5处测得的电阻依次是2mΩ、4mΩ和6mΩ。C2处测得的电阻最小,因而可以断定C2下方有短路。

图7 有短路的等效电路
电阻测量分辨率越高,短路定位的精度也越高。PCB电阻一般为毫欧级别,大部分手持万用表电阻测量分辨率大于10mΩ,不能有效确定分辨短路位置。DM3068的电阻测量分辨率为0.1mΩ,可以精确地定位短路(对于1OZ厚,5mm宽线铜,可以分辨到1mm),使得上述短路定位的方法实用化。
在线测量电流
在电路板上单独测量一块QFN或BGA封装的芯片的工作电流是很不容易的。在高密度多层PCB上很难找到切断电源线并插入电流表的地方;有些数字芯片要求极低的电源内阻,完全无法容忍插入测试电缆。这时,如果电路板上留有一些突破口,则可以利用DM3068低电阻测量和弱电压测量功能来实现非侵入的在线测量电流。
如图8所示,需要测量芯片U1的VCC电流Ivcc,其电流方向是从A点到B点。可以先断开电路的电源,然后使用DM3068的电阻测量功能测量AB两点间的PCB导线电阻,接着接通电源并测量AB两点之间的电压,最后用测得的电压除以测得的电阻即可得到电流的大小。例如,PCB导线电阻为4.8mΩ(1oz厚,20mm长,2mm宽的导线),测得电压为48μV,则电流大小为10mA。

图8 在线测量电流示意图
在线测量电阻
严格地说,在线测量电阻是不被推荐的,但是电路板调试时频繁地拆装电阻确实是一件很繁琐的事情。电路调试时通过分析电路,可以找到能够在线测量电阻的条件。在线测量电阻只是证明电阻阻值跟预期值相同,因此也就不必为测不准而担心了。
以图9所示电路为例,电阻R串联在逻辑IC1的输出和逻辑IC2的输入之间。电阻R的正确值是33Ω,现怀疑R阻值异常,需要对其进行测试。观察逻辑IC1和逻辑IC2的内部等效电路可以发现,逻辑IC2只通过钳位二极管将电阻R连接到电源线上。也就是说,只要电阻R两端的电压不超过IC2内部的钳位二极管的正向导通电压(一般为0.5V),流过IC2的输入管脚的电流就可以忽略,也就不会对电阻R的测量产生影响。

图9 在线测量电阻的一种特例
测试前先切断电路板的电源,并确保电源回路彻底放电。DM3068使用加恒定电流测电压的方法测量电阻。查看万用表的手册可以知道各个电阻量程使用的电流源的大小,例如,该表的2kΩ挡位使用1mA电流源,如果被测电阻R阻值正常,其两端压降为33mV,不会使IC2钳位二极管导通,因此能够正确地在线测量。
大部分半导体器件都存在类似的二极管隔离结构,因此可以根据实际电路的情况扩展该方法的使用范围。
简单而言,应该选择比被测电阻阻值大5倍以上的量程来在线测量电阻,电路中有反向击穿电压小于5V的器件时不能使用该方法。
结语
虽然模拟电路的调试和验证的挑战不断增长,但是新一代的测试测量工具在性能和功能方面也有了长足的进步。充分发挥工具的优异性能可以大大提高故障诊断的效率。DM3068在微弱电流、微弱电压和小电阻测量方面性能有独特优势,并提供实时数据绘图、实时直方图、内部触发等高级分析功能,能够帮助超低功耗和精密模拟电路验证和故障诊断。


