- 易迪拓培训,专注于微波、射频、天线设计工程师的培养
三端IC稳压电路输出电压技巧
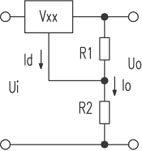
固定输出集成稳压器如78××系列,只需外接两只电阻,就能方便地提升输出电压V0(见下图),其输出电压表达式如下:
V0=VR1+VR2
=VR1+I0R2
=V××+(V××/R1+Id)R2
=V××(1+R2/R1)+IdR2
其中V××代表IC的输出电压。这是一个完整的公式,其结果是精确的。V0的表达式与固定输出稳压器接地端的静态工作电流Id有关。当Id变化时,会引起输出电压和负载电流的变化,但由于Id值较小,一般仅为几个毫安,所以对稳压器的精度影响很小。当R1、R2阻值取得较小时,可以忽略IdR2这一项。此时V0的表达式可简化成:
V0≈V××(1+R2/R1)
欲使实践所得结果与计算值相符,简化表达式的应用条件:R1、R2的值必须选得较小。
目前有的书籍文章常常忽略了上述的条件,仅仅推荐简化表达式,使实践结果与计算值出现矛盾,常给读者造成困惑不解。
需说明的是,三端固定输出的稳压集成电路78××(包括79××)系列,外部增设电阻提高输出电压V0的应用条件,按应用资料规定: 只有当V××/R1>3Id时,才能忽略IdR2,而允许应用V。简化表达式,并使实践和计算结果相符合。
因此应选:R1
假设3Id=20mA时
则7805稳压器应选R1<0.25kΩ;
7812稳压器应选R1<0.6kΩ;
7815稳压器应选R1<0.75kΩ;
7824稳压器应选R1<1.2kΩ。
由此可见,只有满足R1的取值条件,才能应用V0的简化表达式,否则实践与计算结果将有可能不相符合。

上一篇:一种电子设备故障库的设计
下一篇:氧化锌压敏电阻器的原理应用


