- 易迪拓培训,专注于微波、射频、天线设计工程师的培养
方波有源滤波器谐波电流检测的一种新方法
1引言
随着电力电子技术的发展,电力电子装置的应用日益广泛,引起的电网谐波污染也日趋严重[1][2]。因此,对电网谐波采取有效的抑制并对无功功率进行动态补偿已成为重要的研究方向。
采用电力滤波装置就近吸收谐波源所产生的谐波电流,是抑制谐波污染的有效措施。传统的方法是采用LC无源滤波器,其优点是成本低、效率高,但其补偿特性易受电网阻抗和运行状态的影响,易和系统发生谐振造成谐波放大,且只能补偿固定频率的谐波[2][3]。
基于电力电子技术发展而出现的有源电力滤波器(ActivePowerFilter睞PF),为消除电力系统谐波开辟了新途径,同时也解决了无功功率补偿的问题。APF基本原理是从补偿对象中检测出谐波电流,由补偿装置产生一个与该谐波电流大小相等而极性相反的补偿电流,从而使电网电流只含基波分量。这种滤波器具有LC滤波器无可比拟的优点:优良的动、静态补偿性能,且其补偿特性不受电网阻抗的影响,可实现多功能的集成化,一机多用。
从不同的观点出发,APF具有不同的分类标准[3][4][5]。单独使用的串联或并联APF对小功率系统具有良好的补偿特性,但不宜用于大功率系统[1],因为此类APF是用一个逆变器产生要补偿的所有谐波信号。这种方式对逆变器PWM调制的带宽要求较高,只能用于中等容量的系统(500kW~10MW)。将APF与无源滤波器串联使用,使APF只承受谐波电压,因而容量大大减小,可用于功率10MW以上的系统[1][6][7],文献[8][9]提出一种方波有源滤波器(HybridParallelActivePowerFilter睞PAPF),其采用多个小容量(约为非线性负载容量的1%~2%)的逆变器对主要的谐波分别进行补偿,使逆变器只承受某次谐波电压,如图1所示。
本文针对此新型方波APF,基于瞬时无功功率理论,提出一种检测指定谐波次数电流的方法,理论和仿真证明了此方法的有效性。
2瞬时无功功率理论
1983年,日本学者赤木泰文提出的“瞬时无功功率理论”使得20世纪70年代提出的有源电力滤波器

图1方波有源滤波器系统

图2αβ坐标系中的电压、电流矢量

图3p瞦运算方式的原理图
走出了实验室。此后,这一理论被不断完善[10]。
设三相电路为三相三线制,其各相电压、电流的瞬时值分别为ea、eb、ec和ia、ib、ic。把它们分别变换到两相正交的αβ坐标系,如图2所示。
(1)
(2)
在图2所示的αβ平面上,矢量
e
α、eβ和iα、i
β分别合成电压矢量e和电流矢量i,三相电路瞬时无功功率q(瞬时有功功率p)为电压矢量e的模与三相电路瞬时无功电流iq(瞬时有功电流ip)的乘积。
(3)
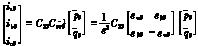
由图2并进行坐标变换可得:
(4)
3指定谐波次数的谐波电流的检测方法
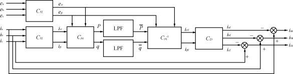
3.1p瞦法和ip瞚q法
在上述ip、iq以及p、q的定义基础上,谐波电流有两种检测方法:p瞦法和ip瞚q法[11]。
p瞦法的原理图如图3所示。根据上述定义可计算出p、q,经低通滤波器LPF得到p、q的直流分量
p
、q。电源电压无畸变时,p为基波有功电流与电压作用产生的,q为基波无功电流与电压作用所产生的。于是,由p、q即可计算出被检测电流ia、ib、ic的基波分量iaf、ibf、icf。
(5)
将iaf、ibf、icf与ia、ib、ic相减后即可得到ia、ib、ic的谐波分量iah、ibh、ich。
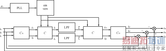
ip瞚q法的原理如图4所示。图中C=。该法用一个锁相环和一个正、余弦发生电路得到与电源电压ea同相位的正弦信号sinωt和对应的余弦信号瞔osωt。这两个信号与ia、ib、ic一起计算出ip、iq,经LPF滤波得出ip、iq的直流分量ip、iq。这里,ip、iq是由iaf、ibf、icf所产生的,因此由ip、iq即可计算出iaf、ibf、icf,进而计算出iah、ibh、ich。
3.2指定谐波次数谐波电流的检测方法
上述的p、q法和ip、iq法得出的是iah、ibh、ich,即源滤波器

图4ip瞚q运算方式的原理图

图5基于p瞦法的5次谐波检测方法原理图

图6基于ip瞚q法的5次谐波检测方法原理图
除基波外的所有谐波分量之和,在此基础上,本文提出了对指定谐波次数的谐波电流的检测方法。下面以检测五次谐波为例来研究本方法。
3.2.1检测原理
基于p瞦的五次谐波检测方法原理如图5所示。该方法先将电压信号五倍频后,按定义计算出p5、q5,经低通滤波器LPF滤波得p5、q5的直流分量p5、q5,再由p5、q5计算出被检测电流ia、ib、ic的五次谐波分量ia5、ib5、ic5。
(6)
基于ip、iq法的五次谐波检测方法原理如图6所示。该方法先将电源电压ea五倍频得到ea5,采用一个锁相环和一个正弦、余弦发生电路得到与ea5同相位的正弦信号sin5ωt和对应的余弦信号瞔os5ωt,这两个信号与ia、ib、ic一起计算出ip5、iq5,经LPF滤波得出ip5、iq5、的直流分量ip5、iq5。这里,ip5、iq5是由ia5、ib5、ic5产生的。因此由ip5、iq5即可计算出ia5、ib5、ic5。
3.2.2检测理论分析
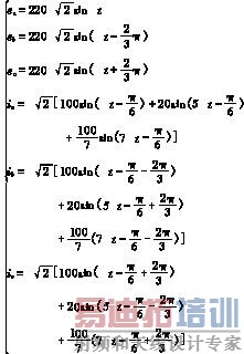
设被检测的电流为
(7)
式中:n=3k±1,k为整数;
ω为电源频率;
In、φn为各次电流的有效值及初相。
(1)电压无畸变时的情况
设三相电压对称
(8)
方波有源滤波器谐波电流检测的一种新方法![]()
![]()
![]()
则ea、eb、ec五倍频得
(9)
将式(9)代入式(1)得
(10)
将式(7)代入式(2)得
(11)
式中:n=3k+1时取上符号,n=3k1时取下符号,后面各式出现的n均与此相同。
按基于p瞦的运算方式,将式(10)及式(11)代入式(4),并将式(4)中的Cpq替换为Cpq5得![]()
=3E1(12)
p5、q5经LPF滤波得![]()
(13)
此时,e2=3E12,与式(13)一起代入式(6)得![]()
![]()
=(14)
由此准确地计算出了ia5、ib5、ic5。
按基于ip瞚q的运算方式,先计算ea五倍频,得到ea5=E1sin5ωt,由图6可得![]()
![]()
=(15)
可见,基于ip瞚q法的检测方法同样准确地计算出了ia5、ib5、ic5。
(2)电源电压畸变时的情况
当电源电压发生畸变时,基于p瞦方式的五次谐波检测法中,畸变电压的谐波成分参与运算,其检测结果存在误差,产生的原理同文献[11]的分析;而基于ip瞚q方式的五次谐波检测法中由于只取ea五倍频后的sin5ωt和-cos5ωt参与运算,畸变电压的谐波成分在运算过程中不出现,因而检测结果不受电压波形畸变的影响,检测结果是正确的。
下面以三相可控桥整流电路为对象,假设电源电压对称且无畸变,电流含有5次、7次谐波,控制角为30°,如式(16)所示。电流ia如图7(a)所示。采用基于p瞦运算方式的五次谐波检测方法得出的ia5波形如图7(b)所示。
式中:ω=2πf,f为工频50Hz。
从仿真得到的波形与理论分析相比较可以看出,基于p瞦运算方式的五次谐波检测方法得出的检测结果准确。

图7仿真结果波形图
(a)电流ia波形(b)五次谐波检测电流ia5波形
上一篇:电流互感器选择与检验的原则
下一篇:电流互感器误差与校验


