- 易迪拓培训,专注于微波、射频、天线设计工程师的培养
利用MAX5060设计带无损电流检测的大电流电源
摘要:本参考设计提供了一个利用MAX5060电流模式、降压型电源控制器实现大电流应用中的无损电流检测设计方案。设计采用电感的等效串联电阻(DCR)进行电流检测,可以省去检流电阻的功耗。
概述
目前,大多数数据处理单元需要从电源消耗更大的电流,以满足更高的处理速度。这些应用中,无损电流检测以及地电位偏差对于精确控制输出电压、输出电流非常关键。
MAX5060 PWM降压电源控制器利用平均电流模式控制技术跟踪负载电流,器件采用差分检测技术精确控制输出电压。本参考设计中利用电感的等效串联电阻(DCR)检测电流,省去了检流电阻的功耗。
本参考设计提供了一个大电流(30A)电源设计方案,具有较高的系统效率和良好的负载调节,以下给出了完整的电路原理图、材料清单(BOM)、效率测量及测试结果。
规格与设计步骤
参考设计能够达到以下技术指标。
输入电压:12V ±10%
输出电压:1.5V
输出电流:30A
输出纹波:±15mV
输入纹波:±250mV
效率:> 88%,负载为满负荷的一半(15A)
开关频率:275kHz
电路板外形尺寸:5cm × 3.3cm
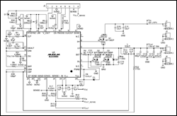
参考设计原理图如图1所示,元件清单如表1所示,设计中MAX5060采用降压配置。
详细图片(PDF, 100kB)
图1. MAX5060降压转换器原理图(FSW = 275kHz)
表1. 元件清单
| Designator | Description | Comment | Footprint | Manufacturer | Quantity | Value |
| C1, C20 | Capacitor | GRM1555C1H101JZ01D | 402 | Murata | 2 | 100pF |
| C2 | Capacitor | GRM155R71E223KA61D | 402 | Murata | 1 | 22nF |
| C3 | Capacitor | GRM155R71H682KA88D | 402 | Murata | 1 | 6.8nF |
| C4 | Capacitor | GRM1555C1H470JZ01D | 402 | Murata | 1 | 47pF |
| C5 | Capacitor | GRM155R61A224KE19D | 402 | Murata | 1 | 0.22µF |
| C6, C12 | Capacitor | GRM155R61A474KE15D | 402 | Murata | 2 | 0.47µF |
| C7, C8, C9, C18 | Capacitor | GRM188R71A105KA61D | 402 | Murata | 4 | 1µF |
| C10, C11 | Capacitor | GRM32ER71C226KE18L | 1210 | Murata | 2 | 22µF/16V |
| C13, C14 | Capacitor | GRM32ER60J107ME20L | 1210 | Murata | 1 | 100µF/6.3V |
| D1 | Schottky Diode | CMHSH5-2L | SOD123 | Central Semiconductor | 1 | 20V, 500mA Schottky |
| D2 | Schottky Diode | UPS835LE3 | POWERMITE3 | Microsemi | 1 | 35V, 8A Schottky Rectifier |
| L | Inductor | T5060 (0.6µH) | T5060_Falco_Inductor | Falco | 1 | 0.6µH |
| R1 | Resistor | Res1 | 402 | Multisource | 1 | 1.7kΩ |
| R3, R16 | Resistor | Res1 | 402 | Multisource | 2 | 12.7kΩ |
| R4, R21 | Resistor | Res1 | 402 | Multisource | 2 | 4.99kΩ |
| R5, R20 | Resistor | Res1 | 402 | Multisource | 2 | 100kΩ |
| R6 | Resistor | Res1 | 402 | Multisource | 1 | 226kΩ |
| R7 | Resistor | Res1 | 402 | Multisource | 1 | Open |
| R8, R19 | Resistor | Res1 | 402 | Multisource | 2 | 10kΩ |
| R9 | Resistor | Res1 | 402 | Multisource | 1 | 0 |
| R10 | Resistor | Res1 | 402 | Multisource | 1 | 5.6kΩ |
| R11 | Resistor | Res1 | 402 | Multisource | 1 | 1Ω |
| R12 | Resistor | Res1 | 402 | Multisource | 1 | 2.2Ω |
| R13, R22 | Resistor | Res1 | 402 | Multisource | 2 | 715Ω |
| R14 | Resistor | Res1 | 402 | Multisource | 1 | 1.82Ω |
| R15, R18 | Resistor | Res1 | 402 | Multisource | 2 | 22Ω |
| R17 | Resistor | Res1 | 402 | Multisource | 1 | 8.45kΩ |
| U1 | PWM Controller | MAX5060 | 28-TQFN-EP | Maxim | 1 | — |
效率曲线
图2给出了参考设计的效率与负载电流的关系曲线,图3给出了负载调节参数曲线。
图2. 负载电流与转换器效率的关系曲线,VIN = 12V。
图3. 负载电流与转换器输出电压的关系曲线,VIN = 12V。
实验结果
图4至图7给出了不同输入条件下,转换器输出电压与负载电流的对应关系曲线。
图4. 转换器波形,VIN = 12V、IOUT = 30A。
VIN = 12V、IOUT = 2 × 15A
Ch1:输出电流(2倍)
Ch2:输出电压
Ch3:输入电压
Ch4:高边MOSFET栅极驱动
图5. 输入和输出纹波,VIN = 12V、IOUT = 30A。
VIN = 12V、IOUT = 2 × 15A
Ch2:输出电压纹波
Ch3:输入电压纹波
图6. 电源瞬态响应
VIN = 0至12V,IOUT = 2 × 15A
Ch2:输出电压
Ch3:输入电压
图7. 负载瞬态响应
VIN = 12V、IOUT = 1A至7A
Ch1:输出电流瞬变(1A至7A)
Ch2:输出电压纹波
针对该应用开发的电路板如图8所示。
图8. MAX5060降压参考电路板,四层板。
上一篇:分析仪选购疑问解答分析
下一篇:基于无线传感器网络的交通信息采集系统研究


