- 易迪拓培训,专注于微波、射频、天线设计工程师的培养
SZY-1型双折射测试仪电光调制信号源的改进
摘要:从电路模块化和程控的思想出发,对SZY-1型双折射测试仪的信号发生器部分进行了改进。用单片机通过软件编程产生方波信号,并用键盘控制其相位大小,取代了原来的硬件电路实现相位粗调和细调的方法。阐述了软件设计流程,并对改进后的电路进行了仿真,结果性能良好。
关键词:双折射测试仪;单片机;移相;选频
0 引言
双折射率是表征各向异性晶体光学特性的一个非常重要的光学参数,由材料的成分结构以及生成条件等多种因素所决定,并且与波长有关。测量双折射率的方法多样,其中有最小偏向角法、棱镜法、电光调制法、偏光干涉法等。SZY-1型双折射率测试仪便是依据电光调制的方法设计的一种双折射率测量系统。
国内折射率测试仪的开发历时弥久。1987年,北京理工大学工程光学系研制的激光旋光双折射测试仪通过鉴定并获得机电部科技进步奖。现在市面上的双折射率测试仪主要有以下几种:上海舒佳电气有限公司生产的全自动双折射测量系统ABR-10A、全自动双折射测量系统ABR-22。其中全自动双折射测量系统ABR-10A具有双折射系数的线性解析度高达0.0lnm,可同时测量延迟轴和主轴两个方向,基于光学相位差的双折射系数显示,一秒采样时间等特点。全自动双折射测量系统ABR-22具有可同时或独立测量线性和周向双折射系数,无需样品旋转,即可测量主轴和延迟轴的线性双折射系数、圆周双折射系数的旋转角,一秒采样时间,可选样品旋转台,二维或三维显示,可全自动操作等优点。与此类似的还有一种PTC-4型应力双折射仪。但以上测量系统成本太高,不能达到一个较高的性价比。本文对北京大学无线电厂在1982年生产的一台双折射率测试仪的信号源部分进行改进,用单片机程控代替了原来的硬件调相电路,相位调节的范围增大。
1 SZY-1型双折射率测试仪存在的缺陷
双折射率测试仪是一种测量双折射率的仪器。其本身由氦-氖激光管及电源、光具座、电光调制器等光学部分和光电调制器的交、直流调场电源、调制信号检测、显示及直流电压测试等电路部分组成。
该仪器采用激光-电光调制的方法,核心器件是电光调制器。经高压电路生成的可调直流电压上加载一个同步载波信号,两者共同输入电光调制器用以对通过电光调制器的入射光的光程差进行控制。其原理框图如图1所示。

其中,同步信号产生的原理框图如图中虚线框中所示,分为信号产生、整形、分频和移相、选频输出四部分。信号产生电路采用电容三点式振荡器,产生f=36kHz的正弦波,然后经过整形电路将边缘缓慢变化的正弦波变成边沿陡峭的矩形脉冲。信号的分频是将36kHz的信号经分频器变成三路相位相差60°的6kHz的方波分别送入移相电路和基准电路。移相电路是将信号的相位移动一个角度,以保证电压稳定性不因联络线连锁跳闸、相继退出而遭到破坏,可以明显提高电压稳定极限。在移相电路前需要对原方波进行积分以得到近似的正弦波。选频输出是将得到的移相信号加以选频。因为振荡电路的输出有许多谐波,一般不需要都放大,所以要用选频放大器选出所需要的频率。通过选频输出的最终信号要与基准信号进行对比,以示相移的程度。
经过分析,原硬件电路设计复杂,而且功能模块使用较少,有必要对原电路进行改进。
2 电光调制信号源改造方案
同步信号源整体结构改造框图如图2所示。

新的设计方法是采用现在普遍使用的硬件和软件结合的方法。首先由编程实现单片机产生两路6kHz方波,一路送至示波器作为基准,另外一路相对于基准相位调节后送至选频输出模块。相位粗调的两键分别控制方波相对于基准相位10°增加和减少;相位细调的两键控制方波1°增加和减少。选频输出电路也在原来基础上进行了调整。
2.1 单片机系统的设计
设计的移相控制器选用STC89C52单片机为微处理器。8位单片机STC89C52具有高可靠性、超低价、低功耗且抗干扰性强等特点。它与8051单片机兼容,同时又有很多的改进,工作电压范围宽,为3.4~6.0V,内部看门狗电路经过特殊处理,可省去外部看门狗,其电源抗干扰能力强。该系列单片机支持汇编语言和C语言编程。STC89C52的内部带有8kB的Flash程序存储器和2kB的EEPROM,同时带有512Byte的RAM,内部有3个定时器/计数器,可进行8、13和16位的定时/计数。
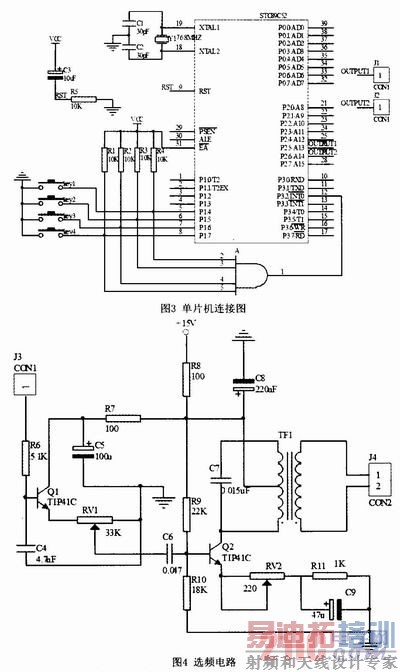
利用2个定时器/计数器T0和T1,一个作为基准方波电平的翻转计数之用,另外一个作为相位延迟计数之用。这里按键采用中断型。图3单片机连接图。

2.2 选频电路设计
选频电路基本上采用原来的设计思想,经键控调节后的方波信号经电容C4积分后进入晶体管Q1,Q1接成射随器作为隔离级。在其发射级上串接有电位器RV1引至面板,通过控制Q2的基极电流,达到调节控制信号输出幅度的目的。电感线圈TF1、电容C7等组成的谐振回路接在Q2的输出回路中,并使其调谐在6kHz的频率上,使信号的谐波成分很小,作为调制信号源输出到电光调制器。如图4所示。
整个电路用到一些常用压值的电压如+15V、+5V。因此电源的设计可以采用传统的变压、整形、滤波、稳压的方法得到。由于这两电源输出的电流都小于1A,所以+15V电压的获得可以利用稳压芯片7815,而同理,单片机所需要的+5V电压可采用7805电源模块得到。
3 系统软件设计
主程序流程图如图5所示。

安装后,系统对键盘接入点的电平自动进行检测。当按下key1键时即相位增加100,按下key2键则相位减少100,用参数1记录两按键的综合效果值。当按下key3键时相位增加10,按下key4键则相位减少10,用参数2记录两按键的综合效果值。根据两参数的值即可计算出最终移相。将其转化成相应的延迟时间,即可得到相应于基准方波的另一路相移信号。
4 双折射率测试仪改造实施与调试
将连接好的电路进行仿真,并对每一部位电路所产生的波形进行检测,发现完全符合原电路原理。调节相应器件,波形也随之发生变化,性能良好。仿真波形如图6所示。

焊接好的电路(不包含电源)如图7所示。

5 结束语
经过长时间使用,改造后的双折射测试仪信号源电路具有工作稳定、可靠性高、成本低等优点,可在测量仪器中推广使用。


