- 易迪拓培训,专注于微波、射频、天线设计工程师的培养
基于ICM7216的150MHz数字频率计制作
在制作高频电路时,会经常碰到频率测量的问题,实际上频率计(frequency counter)是一种比较容易自制的电子设备。以下将要制作的频率计,其性能并不逊色于一般厂商所制造的产品。
所制作的频率计电气指标如下:
(1)显示的位数:8位数LED
(2)频率测试范围:10Hz"10MHz,利用预置分频器(Prescaler)做1/100分频,可达150MHz
(3)基准时间稳定度:由於使用TCXO单元(温度补偿型晶体振荡电路),温度特性±3PPm/-20"60℃aging rate±1ppm/年。
以上指标参数达到甚至超过了一般厂商所生产的频率计指标参数。

频率计方块图
(主要电路为输入用放大器,Prescaler,显示器。除此之外,王要的控制电路,计数电路,显示电路等,都已经包括在频率计用LSI的内部。)
频率计的构成

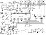
准备制作的频率计电路原理图
▲计数用(计频用)IC;
此制作使用ICM7216B(Intersil)公司。此一IC的内部含有8位数BCD计数器,BCD to 7 字节解码器segment decoder,控制电路等。再追加周边的宽频带放大器,LED躯动器等,便可以完成频率计。
▲基准时间信号产生电路
TCXO单元主要参数指标,可以看出它具备了相当优异的频率稳定性能。TCXO的振荡频率为12.8MHz,利用分频用IC 74HC4060,做1/12 8分频,然后将基准频率100kHz供给频率计用LSI。


温度补偿型晶体振荡器TCXO TCO·703A的特性(由於内藏有温度补偿电路,频率稳定度良好。振荡频率为12.8MHz,再利用分频用IC74HC4060做1/128分频,成为100kHz)
TCXO TCO-703A性能指标参数
输出频率 10MHz 12.8MHz或14.5MHz
电源电压 5V±5%
工作耗电 ≤5mA
输出电平 1VP-P
负载 20KΩ//5pF
频率稳定度 温度特征 ±3ppm/-20"60℃
电源变动特征 ±0.3ppm/5V±5%
长期特征 ±1ppm/(年)
频率可调范围 大于(内含修整电容)
同系列产品可供频率选择 10MHz"24MHz
▲前置分频器电路
由於ICM 7216B的频率上限为10MHz,利用前置分频器,可以提高频率的应用上限。图41所示的为前置分频器电路图,前置分频器为做1/100分频。

l/100分频的前置分频电路
(计频器IC最大输入频率仅为10MHz,因此,利用预置分频器做1/100分频,可以扩大测试的频率范围。)
频率计的制作与调整

频率计的零件配置与印刷电路基板图样
在印刷电路基板上,包含有整流电路与稳压电路。
数值显示用的LED使用八段共阴极型(Common Cathode) LED,尺寸大点可以得到良好的观察效果。当然如果无法得到此种规格的LED,也可以视所能取得LED规格,对印刷电路基板作必要的修改。
基板完成后,利用宽频带放大器的VR 10k,将2SC2347的集电极电压调整为2.5V。其它没什么需要调整的地方,找个漂亮的外壳把整个电路装上,整个频率器的制作便算完成了。


