- 易迪拓培训,专注于微波、射频、天线设计工程师的培养
实际电容法石英晶体谐振器负载谐振频率测量技术研究
1 引言
石英晶体谐振器(以下简称石英晶体)是信息产业中关键的频率电子元器件之一,广泛应用于通信技术、测量技术和计算机技术等领域,它可为各种应用提供精确定时或时钟基准信号。由于石英晶体具有频率稳定性好、品质因数高和成本低等特点,因而广泛用作时间频率基准和为时序逻辑电路提供同步脉冲。随着计算机、微电子等行业的飞速发展,对石英晶体元器件的性能提出了更高的要求,主要表现在谐振频率向更高方向发展、谐振频率精度要求提高、激励功率更低等。[2]
根据石英晶体在实际应用中经常串联一负载电容作为一个整体的频率器件的现状,本论文对实际电容法石英晶体负载谐振频率的测量进行了研究。π网络零相位法是国际电工委员会(IEC)推荐的测试石英晶体参数的标准方法。本论文介绍了π网络零相位法测量石英晶体负载谐振频率的原理,分析了石英晶体夹具所带来的杂散电容的影响并以美国S&A公司的π网络石英晶体测试系统为标准计算出杂散电容值,在后续测量中以此值进行校准,使测量结果达到了更高的精度。负载谐振频率的测量方法主要有以下三种:
计算法:
首先测试出串联谐振电阻FR、静电容C0和动电容C1的值,然后根据公式计算出FL的值,由于C0和C1的测试精度远低于FR的测试精度,所以计算法测出的FL的值精度较低。
模拟测试法:
该方法首先测试串联谐振频率和动态参数并利用这些参数值计算出负载谐振频率,然后将信号源的输出信号频率调整为该频率并在该频率点上测试石英晶体的阻抗,根据计算出的在该频率点上石英晶体的阻抗和实际测试阻抗之间的差异来线性调节信号源输出信号的频率,当两个阻抗值相等时信号源的输出信号频率即为石英晶体的负载谐振频率。
实际电容法:
实际电容法是将一个实际负载电容与石英晶体串联后插入π网络的夹具中,然后不断改变输入π网络的激励信号的频率,并检测两端的相位差,当石英晶体处于负载谐振状态时,π网络两端相位差为零,此时的频率即为负载谐振频率。当实际负载电容加于π网络时,石英晶体和负载电容之间的连接点成为高阻抗点,夹具的杂散项对测试结果有重大影响,本论文对这一影响做出了分析。
2 π网络法石英晶体测量原理
2.1 π网络法测量原理
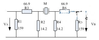
π网络法测量石英晶体电参数原理图如图1所示:[3]

图1 π网络原理图
VA是输入的激励信号,VB是经过π网络后的输出信号,根据石英晶体工作于谐振频率时呈现纯阻性,所以通过改变输入信号VA的频率并测量VA与VB的的相位差,当相位差为零时,此时的频率即为石英晶体的串联谐振频率(FR),如果晶体串联一个电容,则测得的频率就是石英晶体的负载谐振频率(FL)。
2.2 石英晶体电参数模型
石英晶体的等效电参数模型如图2所示:

图2 石英晶体串联负载电容后等效电路
其中,C0称为石英晶体的静电容,由石英晶体两端所镀金属膜产生,它表征了石英晶体的静态特性,典型值为1pF~10pF。C1称为动电容,典型值为10-1 pF~10-4pF,L1称为动电感,典型值在10-5H(低频石英晶体)到10-3H(高频石英晶体)内。
由该图可得串联负载电容后石英晶体的阻抗如下式:

由以上公式可以看到,通过一组已知的负载电容CL和对应的负载谐振频率FL,那么任意给出一个负载电容CP,由公式(5)就可以得到其对应的负载谐振频率FP,同样任意给出一个谐振频率值FP,由公式(6)就可以得到其对应的负载电容CP。
2.3 实际电路中杂散电容的计算
在实际的π网络电路中,石英晶体插在一个导电夹具上进行测量。该夹具存在着分布参数,给测试电路带来了杂散项。这些杂散项对测试有比较大的影响,当石英晶体和负载电容串联后接入π网络时,这些影响已不能忽视,设夹具所带来的杂散电容为CX,按以下步骤测量:
首先以250B为标准测得负载电容为CL时对应的负载谐振频率FL,然后在本测试系统中相同负载电容测得负载谐振频率为FP,将FL、CL、FP代入公式(6)(FR和C0可以测量得到)得到负载电容值CP,此时由于杂散电容的存在,可得:
CP=CL+CX (7)
这样就求得了杂散电容值CX。
2.4 负载谐振频率的测量
设要测量负载电容值为CL下的负载谐振频率,由公式(7)可知,在实际电路中石英晶体应串联的电容值为CL – CX,此时测量得到的频率即负载谐振频率FL。
3 测试系统设计
石英晶体负载谐振频率测试系统硬件框图如图3所示:

图3 石英晶体负载谐振频率测试系统框图
计算机通过接口电路控制信号源在石英晶体的谐振频率点附近发出连续变化的频率信号,信号通过插有石英晶体及负载电容的测试π网络,在频率扫描的过程中不断检测π网络两端信号的相位差,鉴相电路的作用就是输出一个与输入相位差成反比的电压信号,这样计算机读取A/D电路转换后的值并确定最大值所对应的信号的频率,即为要测的石英晶体的负载谐振频率。[4]
4 实验数据
采用本方案,选取负载电容CL值为30pF,以标称频率为16.9344 MHz的晶体进行计算,得到夹具所造成的杂散电容CX值为2.89 pF,测得一组实验数据如下表:
表1 测试数据分析

5结论
应用实际电容法测量石英晶体的负载谐振频率,并以美国S&A公司的π网络石英晶体测试系统为标准,算出石英晶体夹具所造成的杂散电容,进行校准,使得重复测量精度达到±2ppm。
参考文献
[1] Dwane Rose, Load Resonant Measurements Of Quartz Crystal. Proceedings Of The Annual Frequency Control Symposium. 1991. P.191-200.
[2] 鲁恭诚 刘桂礼 李东等.石英晶体谐振器负载谐振频率测量技术研究. 北京机械工业学院学报,2004,19(1):81-84.
[3] 李东,刘桂礼,赵双琦.石英晶体谐振器负载谐振参数测量方法的改进[J].北京机械工业学院学报,1998,13(4):18-21.
[4] 杨蒙生,刘桂礼,李东,等.石英晶体静电容测量方法的研究与实现[J].微计算机信息,2007,23(8-2):212-213,154.
[5] 张毅刚,付平,王丽. 采用数字相关法测试相位差. 计量学报, 2000,7:216-221.
[6] 李刚,刘桂礼,李东,等. π网络法测试石英晶片方法及系统设计. 北京机械工业学院学报, 2002,9:15-18.
上一篇:一种鼠标位移测量技术研究
下一篇:基于运算放大器的性能测试仪设计


